电脑桌面
添加小米粒文库到电脑桌面
安装后可以在桌面快捷访问

分户验收表格(山西省)VIP免费

分户验收表格(山西省)_第1页
1/34
分户验收表格(山西省)_第2页
2/34
分户验收表格(山西省)_第3页
3/34
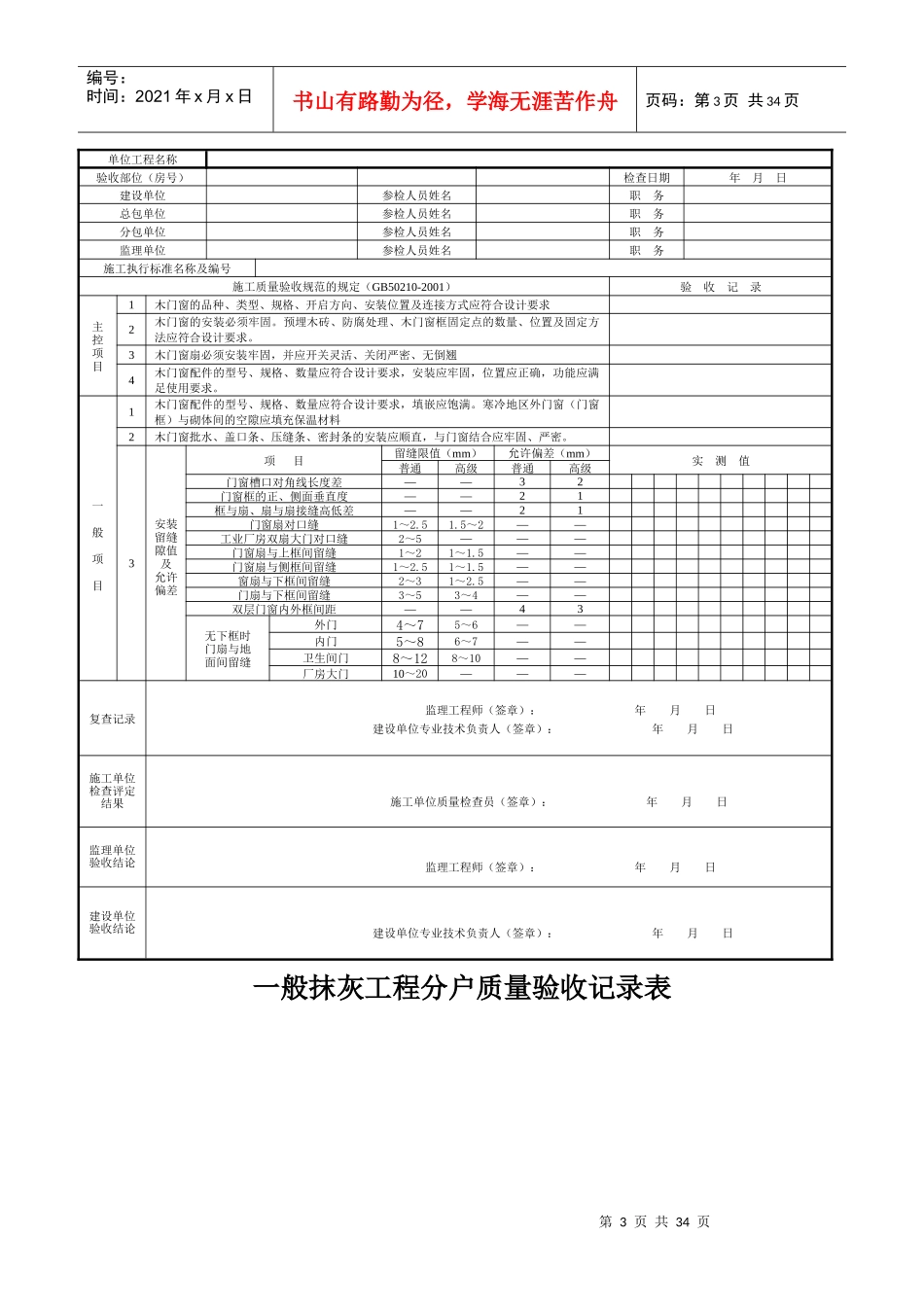
第1页共34页编号:时间:2021年x月x日书山有路勤为径,学海无涯苦作舟页码:第1页共34页塑料门窗安装工程分户质量验收记录表单位工程名称验收部位(房号)检查日期年月日建设单位参检人员姓名职务总包单位参检人员姓名职务分包单位参检人员姓名职务监理单位参检人员姓名职务施工执行标准名称及编号施工质量验收规范的规定(GB50210-2001)验收记录主控项目1塑料门窗的品种、类型、规格、尺寸、开启方向、安装位置、连接方式及填嵌密封处理应符合设计要求。内衬增强型钢的壁厚及设置应符合国家现行产品标准的质量要求。2塑料门窗框、副框和扇的安装必须牢固。固定片或膨胀螺栓的数量与位置应正确,连接方式应符合设计要求。固定点应距离角、中横框、中竖框150~200mm,固定点间距应不大于600mm。3塑料门窗拼樘料内衬增强型钢的规格、壁厚必须符合设计要求,型钢应与型材内腔紧密吻合,其两端必须与洞口固定牢固。窗框必须与拼樘连接紧密,固定点间距应不大于600mm。4塑料门窗扇应开关灵活、关闭严密,无倒翘。推拉门窗扇必须有防脱落措施。5塑料门窗配件的型号、规格、数量应符合设计要求,安装应牢固,位置应正确,功能应满足使用要求。6塑料门窗框与墙体间缝隙应采用闭孔弹性材料填嵌饱满,表面应采用密封胶密封。密封胶应粘结牢固,表面应光滑、顺直、无裂纹。一般项目1塑料门窗表面应洁净、平整、光滑,大面应无划痕、碰伤。2塑料门窗扇的密封条不得脱槽。旋转窗间隙应基本均匀。3塑料门窗扇的开关力应符合下列规定:1、平开门窗扇平铰链的开关力应不大于80;滑撑铰链的开关力应不大于80N,并不小于30N。2、推拉门窗扇的开关力应不大于100N。4玻璃密封条与玻璃及玻璃槽口的接缝应平整,不得卷边、脱槽。5排水孔应畅通,位置和数量应符合设计要求。6容许偏差(mm)项目容许偏差(mm)实测值门窗槽口宽度、高度≤150mm2>1500mm3门窗槽口对角线长度差≤2000mm3>2000mm5门窗框的正、侧面垂直度3门窗横框的水平度3门窗横框标高5门窗竖向下偏离中心5双层门窗内外框间距4同樘平开门窗相邻扇高度差2平开门窗铰链部位配合间隙+2;-1推拉门窗扇与框搭接量+1.5;-2.5推拉门窗扇与竖框平行度2复查记录监理工程师(签章):年月日建设单位专业技术负责人(签章):年月日施工单位检查评定结果施工单位质量检查员(签章):年月日监理单位验收结论监理工程师(签章):年月日建设单位验收结论建设单位专业技术负责人(签章):年月日第2页共34页第1页共34页编号:时间:2021年x月x日书山有路勤为径,学海无涯苦作舟页码:第2页共34页木门窗安装工程分户质量验收记录表第3页共34页第2页共34页编号:时间:2021年x月x日书山有路勤为径,学海无涯苦作舟页码:第3页共34页一般抹灰工程分户质量验收记录表单位工程名称验收部位(房号)检查日期年月日建设单位参检人员姓名职务总包单位参检人员姓名职务分包单位参检人员姓名职务监理单位参检人员姓名职务施工执行标准名称及编号施工质量验收规范的规定(GB50210-2001)验收记录主控项目1木门窗的品种、类型、规格、开启方向、安装位置及连接方式应符合设计要求2木门窗的安装必须牢固。预埋木砖、防腐处理、木门窗框固定点的数量、位置及固定方法应符合设计要求。3木门窗扇必须安装牢固,并应开关灵活、关闭严密、无倒翘4木门窗配件的型号、规格、数量应符合设计要求,安装应牢固,位置应正确,功能应满足使用要求。一般项目1木门窗配件的型号、规格、数量应符合设计要求,填嵌应饱满。寒冷地区外门窗(门窗框)与砌体间的空隙应填充保温材料2木门窗批水、盖口条、压缝条、密封条的安装应顺直,与门窗结合应牢固、严密。3安装留缝隙值及允许偏差项目留缝限值(mm)允许偏差(mm)实测值普通高级普通高级门窗槽口对角线长度差——32门窗框的正、侧面垂直度——21框与扇、扇与扇接缝高低差——21门窗扇对口缝1~2.51.5~2——工业厂房双扇大门对口缝2~5———门窗扇与上框间留缝1~21~1.5——门窗扇与侧框间留缝1~2.51~1.5——窗扇与下框间留缝2~31~2.5——门扇与下框间留缝3~53~4——双层门窗内外框间距——43无下框时门扇与地面间留缝外门4...

1、当您付费下载文档后,您只拥有了使用权限,并不意味着购买了版权,文档只能用于自身使用,不得用于其他商业用途(如 [转卖]进行直接盈利或[编辑后售卖]进行间接盈利)。
2、本站所有内容均由合作方或网友上传,本站不对文档的完整性、权威性及其观点立场正确性做任何保证或承诺!文档内容仅供研究参考,付费前请自行鉴别。
3、如文档内容存在违规,或者侵犯商业秘密、侵犯著作权等,请点击“违规举报”。

碎片内容

分户验收表格(山西省)

精品中小学资料+ 关注
实名认证
内容提供者

精品文档

相关文档

确认删除?
VIP
微信客服
  • 扫码咨询
会员Q群
  • 会员专属群点击这里加入QQ群
客服邮箱
回到顶部