电脑桌面
添加小米粒文库到电脑桌面
安装后可以在桌面快捷访问

基础承台设计计算VIP免费

基础承台设计计算_第1页
1/7
基础承台设计计算_第2页
2/7
基础承台设计计算_第3页
3/7
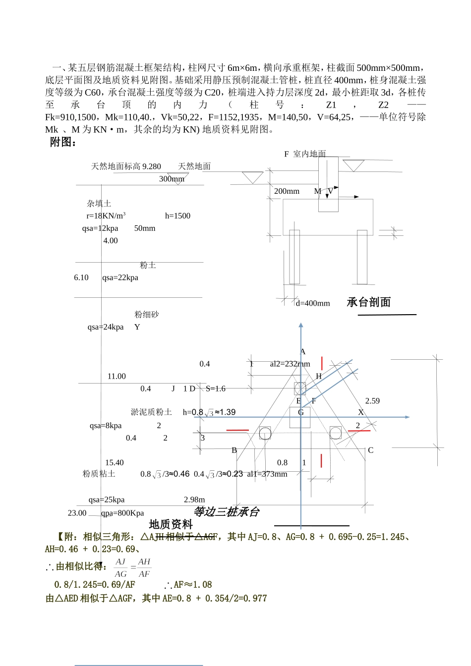
一、某五层钢筋混凝土框架结构,柱网尺寸6m×6m,横向承重框架,柱截面500mm×500mm,底层平面图及地质资料见附图。基础采用静压预制混凝土管桩,桩直径400mm,桩身混凝土强度等级为C60,承台混凝土强度等级为C20,桩端进入持力层深度2d,最小桩距取3d,各桩传至承台顶的内力(柱号:Z1,Z2——Fk=910,1500,Mk=110,40.,Vk=50,22,F=1152,1935,M=140,50,V=64,25,——单位符号除Mk、M为KN·m,其余的均为KN)地质资料见附图。附图:F室内地面天然地面标高9.280天然地面300mm200mmMV杂填土r=18KN/m3h=1500qsa=12kpa50mm4.00粉土6.10qsa=22kpad=400mm承台剖面粉细砂qsa=24kpaYA0.41al2=232mm11.00H0.4J1DS=1.6EF2.59淤泥质粉土h=0.8≈1.39GXqsa=8kpa220.423BC15.400.81粉质粘土0.8/3≈0.460.4/3≈0.23al1=373mmqsa=25kpa2.98m23.00qpa=800Kpa等边三桩承台地质资料【附:相似三角形:△AJH相似于△AGF,其中AJ=0.8、AG=0.8+0.695-0.25=1.245、AH=0.46+0.23=0.69、由相似比得:0.8/1.245=0.69/AFAF≈1.08由△AED相似于△AGF,其中AE=0.8+0.354/2=0.977由相似比得:0.977/1.245=(1.08-al2)/1.08al2=0.232】一、Z1基础设计计算:【解】(1)确定桩端持力层根据地质情况,初步选择粉质粘土层作为桩端持力层。(2)确定桩的类型、桩长和承台埋深静压预制混凝土管桩,直径为400mm进入粉质粘土层2d=0.8m,初定承台高度为1.5m,承台顶距天然地面0.2m,承台埋深1.5m。(3)确定单桩竖向承载力特征值Ra=qpaAp+μp∑qsiali=×0.4²×800+3.14×0.4×(12×4+22×2.1+24×4.9+8×4.4+25×0.8)=100.48+355.352=435.832KN(4)估算桩数及初定承台面积n=1.2×Fk/Ra=1.2×910/435.832≈2.51取3根因桩位静压预制混凝土管桩,所以取桩距S=4d=1.6m取等边三桩承台:如上图承台面积为:≈0.5×2.59×2.98-0.267=3.6㎡(5)桩基础验算1)单桩承载力验算承台及上覆土重Gk=20×3.6×1.85=133.2KN轴心竖向力作用下,桩顶承受的平均竖向力Qk=(Fk+Gk)/n=(910+133.2)/3=347.73KN0满足要求2)桩身混凝土强度:桩顶承受的最大竖向力设计值Qmax=(F+G)/n+MxYmax/∑Yi²+MyXmax/∑Xi²=(1152+1.2×133.2)/3+(140+64×1.5)×0.8/2×0.8²=437.28+147.5=584.78KN桩身混凝土强度等级为C60,Fc=38.5N/mm²ApFcψc=(3.14×400²)×38.5×1.0/4≈4836KN>Qmax满足要求(6)承台设计将圆桩换算成正方形桩,(3.14×400²)/4=a²a=354mm1)承台受冲切承载力验算①柱对承台的冲切(三桩承台不要求)②角桩对承台的冲切角桩的最大净反力设计值:N1=F/n+MyXi/∑Xi²=1152/3+(140+64×1.5)×0.8/2×0.8²=384+147.5=531.5KN从角桩内边缘引45°冲切线,使柱处于45°线以内时取角桩内边缘至桩边水平距离al1=800-250-354/2=373mm,al2=232mm<0.2H。=290mm,取a12=290mm角桩冲垮比λl1=al1/H。=373/1450=0.257,λl2=al2/H。=290/1450=0.2角桩冲切系数βl1=0.56/(λl1+0.2)=0.56/(0.257+0.2)=1.23βl2=0.56/(λl2+0.2)=0.56/(0.2+0.2)=1.4λl1、λl2满足0.2~1.0。c1=867mm,c2=848mm底部角桩:[βl1(2c1+al1)tan]βhpFtH。=[1.23×(2×867+373)/3]×0.942×1.1×1450=2248126≈2248KN>Nl=531.5KN满足要求顶部角桩:[βl2(2c2+al2)tan]βhpFtH。=[1.4×(2×848+290)/3]×0.942×1.1×1450=2411894≈2412KN>Nl=531.5KN满足要求2)承台受剪承载力验算1-1斜截面:V1=Nmax=531.5KN(桩3)剪跨比同冲垮比λx=λl1=0.257βx=1.75/(λx+1.0)=1.75/(0.257+1.0)=1.39βhs=(800/H。)¼=(800/1450)¼=0.862B。=2590mmβhsβxFtB。H。=0.862×1.39×1.1×2590×1450=4949741≈4950KN〉V1=531.5KN满足要求2-2斜截面:桩3:N3=531.5KN桩2:N2=F/n-MyXi/∑Xi²=1152/3-(140+64×1.5)×0.8/2×0.8²=384-147.5=236.5KNV2=N3+N4=531.5+236.5=768KNλy=λl2=0.2βy=1.75/(λl...

1、当您付费下载文档后,您只拥有了使用权限,并不意味着购买了版权,文档只能用于自身使用,不得用于其他商业用途(如 [转卖]进行直接盈利或[编辑后售卖]进行间接盈利)。
2、本站所有内容均由合作方或网友上传,本站不对文档的完整性、权威性及其观点立场正确性做任何保证或承诺!文档内容仅供研究参考,付费前请自行鉴别。
3、如文档内容存在违规,或者侵犯商业秘密、侵犯著作权等,请点击“违规举报”。

碎片内容

基础承台设计计算

您可能关注的文档

确认删除?
VIP
微信客服
  • 扫码咨询
会员Q群
  • 会员专属群点击这里加入QQ群
客服邮箱
回到顶部