电脑桌面
添加小米粒文库到电脑桌面
安装后可以在桌面快捷访问

基础底板防水技术交底VIP免费

基础底板防水技术交底_第1页
1/10
基础底板防水技术交底_第2页
2/10
基础底板防水技术交底_第3页
3/10
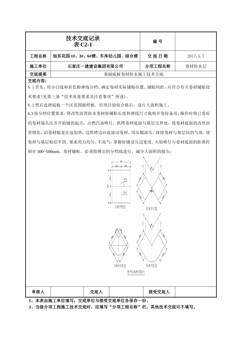
技术交底记录表C2-1编号工程名称旭东花园1#、3#、6#楼、车库幼儿园、综合楼交底日期2017.5.7施工单位石家庄一建建设集团有限公司分项工程名称卷材防水层交底提要基础底板卷材防水施工技术交底交底内容:一、材料要求及准备1、防水卷材:4mm厚SBS改性沥青防水卷材,低温柔度-20Cº,卷材幅宽为1米,每卷卷材长10米。2、基层处理剂:采用再生橡胶改性沥青的汽油溶液为基层处理剂。接缝密封材料:采用改性沥青密封材料,用于立面防水卷材收头密封及外墙管根等特殊部位的粘结处理。3、其他辅助材料:主要是工业汽油或液化气,用于粘结剂稀释,机具清洗。二、主要机具小平铲,扫帚,汽油喷灯,滚动刷,铁桶,压子,剪刀,钢卷尺,小线绳,粉笔,灭火器,液化气三、作业条件1、防水基层(基础垫层)检查验收,应达到如下要求(防水基层验收合格,办理隐检后,方可进行下道工序):1.1基层坚实、有足够强度,表面清洁干燥,无浮土、砂粒等污物;1.2基层表面应平整、光滑、无松动,对于残留的砂浆或突起物应以铲刀削平,不允许有凹凸不平及起砂现象,阴阳角抹成圆弧形,圆弧半径为:阳角100mm;阴角50mm。基层表面平整度检查:2m靠尺检查,与靠尺最大空隙≤5mm。1.3基层应干燥,含水率应小于9%,具体检测方法为(参考):用1m2见方的防水卷材覆盖在基层上3-4小时,揭开后卷材后基层表面和卷材覆盖面干燥、无水印则可视基层干燥,可以进行卷材的铺贴。2、防水卷材合格证、准用证、检验报告、复试报告齐全,材料现场见证取样送检合格。防水施工分包单位资质齐备,现场管理人员和操作人员持证上岗。审核人交底人接受交底人1、本表由施工单位填写,交底单位与接受交底单位各保存一份。2、当做分项工程施工技术交底时,应填写“分项工程名称”栏,其他技术交底可不填写。技术交底记录表C2-1编号工程名称旭东花园1#、3#、6#楼、车库幼儿园、综合楼交底日期2017.5.7施工单位石家庄一建建设集团有限公司分项工程名称卷材防水层交底提要基础底板卷材防水施工技术交底交底内容:3、防水卷材和配套材料均为易燃材料,集中存放,有专人管理,并准备好1个干粉灭火器,严防火灾发生。5、做好安全防护:基坑边已用钢管做好围护,并通过验收。6、做好照明工作:施工照明工作,配备足够灯具。四、操作工艺1、工艺流程:基层处理→基层处理剂涂刷→附加层施工→验收→第一层SBS防水卷材铺贴→卷材收头粘结、接头密封→抵挡卷材隔离(保护)层→验收→防水保护层2、基层处理:铺贴卷材前将基层表面的突起物、砂浆、疙瘩等杂物清除,把尘土清理干净。基层干燥,检测方法:将1m2的卷材平铺在找平层上,在中午太阳直射3小时后掀开,找平层覆盖部位与卷材上未见水印即可做防水层施工。3、基层处理剂涂刷:采用专用基层处理剂,稀释后在基层表面均匀涂刷一遍。涂刷基层处理剂时,要按一个方向进行,厚薄均匀,不漏底、不堆积。待基层处理剂干燥后(干燥4小时,手感不粘),即可进行阴阳角附加层施工及墙面卷材的施工。4、铺贴附加层:积水坑、管根、后浇带、阴阳角等部位加铺一层同质卷材附加层,将卷材裁成相应的形状进行点粘(图示见下页),宽度50cm(超过转折处或后浇带250mm)。附加层施工必须粘贴牢固,施工要细心。项目质检员对此部位专门做隐蔽工程检查,并作书面记录。6、SBS防水卷材铺贴:为保证卷材铺贴质量,方便操作,卷材施工应按工序施工,依次如下:审核人交底人接受交底人1、本表由施工单位填写,交底单位与接受交底单位各保存一份。2、当做分项工程施工技术交底时,应填写“分项工程名称”栏,其他技术交底可不填写。技术交底记录表C2-1编号工程名称旭东花园1#、3#、6#楼、车库幼儿园、综合楼交底日期2017.5.7施工单位石家庄一建建设集团有限公司分项工程名称卷材防水层交底提要基础底板卷材防水施工技术交底交底内容:6.1首先,用小白线和彩色粉弹线分档、确定卷材实际铺贴位置、铺贴间距,应符合有关卷材铺贴技术要求(见第三条“技术质量要求及注意事项”所述)。6.2然后选择底板一个区范围做样板。经项目验收合格后,进行大面积施工。6.3按分档位置要求,将改性沥青防水卷材按铺贴长度和弹线尺...

1、当您付费下载文档后,您只拥有了使用权限,并不意味着购买了版权,文档只能用于自身使用,不得用于其他商业用途(如 [转卖]进行直接盈利或[编辑后售卖]进行间接盈利)。
2、本站所有内容均由合作方或网友上传,本站不对文档的完整性、权威性及其观点立场正确性做任何保证或承诺!文档内容仅供研究参考,付费前请自行鉴别。
3、如文档内容存在违规,或者侵犯商业秘密、侵犯著作权等,请点击“违规举报”。

碎片内容

基础底板防水技术交底

您可能关注的文档

文章天下+ 关注
实名认证
内容提供者

各种文档应有尽有

确认删除?
VIP
微信客服
  • 扫码咨询
会员Q群
  • 会员专属群点击这里加入QQ群
客服邮箱
回到顶部