电脑桌面
添加小米粒文库到电脑桌面
安装后可以在桌面快捷访问

基础垫层技术交底VIP免费

基础垫层技术交底_第1页
1/3
基础垫层技术交底_第2页
2/3
基础垫层技术交底_第3页
3/3
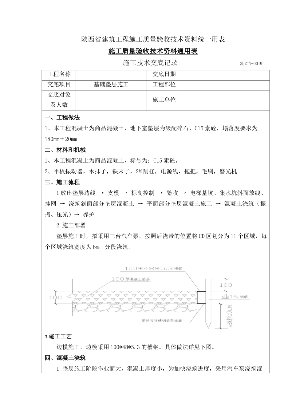
陕西省建筑工程施工质量验收技术资料统一用表施工质量验收技术资料通用表施工技术交底记录陕ZTY-0019工程名称交底日期交底项目基础垫层施工工程部位交底对象及人数施工单位一、工程做法1、本工程混凝土为商品混凝土,地下室垫层为级配碎石、C15素砼,塌落度要求为180mm±20mm。二、材料和机械1、本工程混凝土为商品混凝土,标号为:C15素砼。2、平板振动器,木抹子,铁末子,2M刮杠,电源线,拖把,毛刷,磨光机三、施工流程1放出垫层边线→支模→标高控制→验收→电梯基坑、集水坑斜面放线、挂网→浇筑斜面部分垫层混凝土→平面部分垫层混凝土施工→混凝土浇筑(振捣、压光)→养护2.施工部署垫层施工时,拟采用三台汽车泵,按照后浇带的位置将CD区划分为11个区域,每个区域浇筑宽度为6m,分段浇筑。3.施工工艺边模施工,边模采用100*48*5.3的槽钢。具体做法详见下图。四、混凝土浇筑1垫层施工阶段作业面大,混凝土厚度小,为加快浇筑进度,采用汽车泵浇筑混凝土(拟投入三台)。2为保证混凝土垫层的顶面标高及平整度,边线以及集水坑的位置、标高,浇筑前先做好标高的标记,浇筑过程中随时检查混凝土高度。并在垫层上表面标高+100mm处拉通线进行垫层标高控制。3为方便施工和保证质量,将垫层平面部分和斜面部分的施工分先后进行。首先进行电梯基坑、集水坑斜坡部分的施工。由于本工程基槽底部为卵石、砂石层,电梯基坑、集水坑坡度为60和45度,筏板及防水板厚度≥450mm。因坡度较陡,为保证砼能够顺利浇筑,在斜坡上挂钢丝网,规格为50mm×50mm,上部用Ø12的短钢筋固定,然后浇筑砼;后浇带下沉部分的斜坡坡度为60度,厚度为300cm,可以直接浇筑斜坡,完成斜坡施工后再进行大面积混凝土浇筑。4本工程垫层面积达10000m2左右。按照图纸留置的后浇带进行浇筑,浇筑时由东向西,自南向北进行。5采用平板式振动器进行混凝土振捣,利用6m刮杠刮平,铁抹搓平。混凝土压光后要注意防止踩踏混凝土表面。6垫层混凝土终凝后,防止人为践踏破坏混凝土表面,应保证其表面质量符合相关要求,待强度达到1.2MPa后(上人后不留脚印)才可上人行走。五、质量保证措施1.槽钢下面用砂土塞垫,保证槽钢上部高度及平整。待混凝土强度达到1.2MPa后,拆掉槽钢。槽钢外侧每隔6m楔入70cm长的Φ16钢筋,入土深度不小于500mm,在钢筋上标记处垫层上+10mm控制标高。2.垫层混凝土采用平板式振动器振捣,振动器在每一位置应连续振动一定时间,一般情况下为25~40s,以混凝土面层均匀出现浆液为准,移动时应成排依次振捣前进,前后位置、排与排之间应相互搭接30~50mm。3.浇筑混凝土垫层时,必须根据所拉水平线掌握混凝土的铺设厚度,振捣后再次拉水平线检查平整度,去高填平后,再用铝合金刮杠以标记的钢筋为标准进行刮平。4.垫层混凝土浇筑应连续进行,如必须间歇时,间歇时间应尽量缩短,不得超过混凝土的初凝时间。5.垫层混凝土浇筑完毕后,对垫层进行分割防止收缩出现裂缝,分割间距6×6m。6.在冬施期间,砼的养护措施十分关键,正确的养护能避免砼产生不必要的温度收缩裂缝和受冻。当室外温度低于5摄氏度混凝土施工时,混凝土浇筑后采取保温措施。7.根据《建筑工程冬期施工规程》当室外最低气温不低于-15℃,采用综合蓄热法。宝鸡市历年最低气温-10℃,故采用一层塑料薄膜一层保温棉措施,保温棉长短边搭接均不小于100mm,并用铁丝绑牢。防止砼受冻并控制砼表面和内部温差。对边、棱角部位的保温厚度增大到大面的2-3倍。混凝土在养护期间要防风防失水。六、成品保护1.混凝土垫层施工应保证外边线尺寸、表面平整度、顶面标高、集水坑及电梯坑边坡的位置。2.混凝土达到设计强度,表面平整光洁,边角平直方正,无缺楞掉角和开裂塌陷现象,混凝土浇筑后由专人负责看护,防止造成人为破坏。3.垫层施工完后进行检查验收,对损坏和不符合技术要求的要及时处理。七、安全及文明施工1.禁止在地面上直接往坑内扔重物,防止发生意外。2.基坑上下坡道及楼梯应保证安全防滑,及时打扫清理,防止发生人员上下滑倒、跌落。3.施工完的区段应作到工完场清,施工所用的机具材料应及时清理回收。4.施工现场场地、车辆行使道路...

1、当您付费下载文档后,您只拥有了使用权限,并不意味着购买了版权,文档只能用于自身使用,不得用于其他商业用途(如 [转卖]进行直接盈利或[编辑后售卖]进行间接盈利)。
2、本站所有内容均由合作方或网友上传,本站不对文档的完整性、权威性及其观点立场正确性做任何保证或承诺!文档内容仅供研究参考,付费前请自行鉴别。
3、如文档内容存在违规,或者侵犯商业秘密、侵犯著作权等,请点击“违规举报”。

碎片内容

基础垫层技术交底

您可能关注的文档

确认删除?
VIP
微信客服
  • 扫码咨询
会员Q群
  • 会员专属群点击这里加入QQ群
客服邮箱
回到顶部