电脑桌面
添加小米粒文库到电脑桌面
安装后可以在桌面快捷访问

基础钢筋隐蔽工程验收记录VIP免费

基础钢筋隐蔽工程验收记录_第1页
1/16
基础钢筋隐蔽工程验收记录_第2页
2/16
基础钢筋隐蔽工程验收记录_第3页
3/16
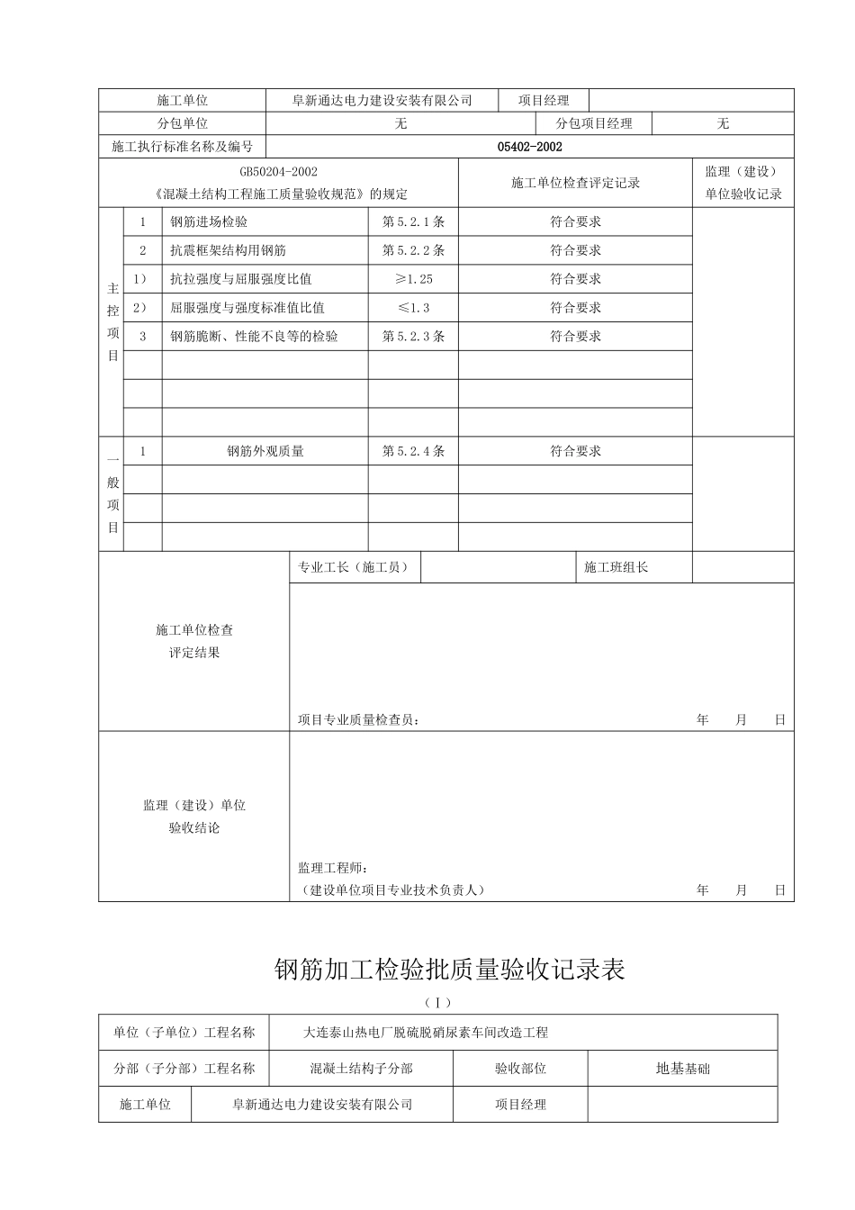
基础钢筋报验申请表工程名称:大连泰山热电厂脱硫脱硝尿素车间改造工程致:大连泛华建设监理有限公司(监理单位)我单位已完成了地基基础钢筋绑扎工作,现报上该工程报验申请表,请予以审查和验收。附件:1、钢筋隐蔽工程验收记录2、钢筋原材料检验批质量验收记录表3、钢筋加工检验批质量验收记录表4、钢筋安装工程检验批质量验收记录表承包单位(章)项目经理日期审查意见:项目监理机构(章)总/专业监理工程师日期钢筋隐蔽工程验收记录工程名称大连泰山热电厂脱硫脱硝尿素车间改造工程隐检项目钢筋隐检日期年月日隐检部位基础层/隐检依据:施工图图号结施4/9,设计变更/洽商(编号/)及有关国家现行标准等。主要受力钢筋规格、型号:161820隐检内容:质量状况备注各种直径钢筋接头方法/各种直径钢筋搭接长度/钢筋接头位置/同一截面接头占总面积百分率(%)/钢筋是否锈蚀、锈蚀程度、锈蚀情况清洁无锈保护层厚度40mm限位措施混凝土垫块钢筋代换情况无其它无图示:详见基础配筋图检查验收意见施工单位项目(专业)技术负责人监理工程师(建设单位项目技术负责人)钢筋原材料检验批质量验收记录表单位(子单位)工程名称大连泰山热电厂脱硫脱硝尿素车间改造工程分部(子分部)工程名称基础验收部位地基基础2011-03施工单位阜新通达电力建设安装有限公司项目经理分包单位无分包项目经理无施工执行标准名称及编号05402-2002GB50204-2002《混凝土结构工程施工质量验收规范》的规定施工单位检查评定记录监理(建设)单位验收记录主控项目1钢筋进场检验第5.2.1条符合要求2抗震框架结构用钢筋第5.2.2条符合要求1)抗拉强度与屈服强度比值≥1.25符合要求2)屈服强度与强度标准值比值≤1.3符合要求3钢筋脆断、性能不良等的检验第5.2.3条符合要求一般项目1钢筋外观质量第5.2.4条符合要求施工单位检查评定结果专业工长(施工员)施工班组长项目专业质量检查员:年月日监理(建设)单位验收结论监理工程师:(建设单位项目专业技术负责人)年月日钢筋加工检验批质量验收记录表(Ⅰ)单位(子单位)工程名称大连泰山热电厂脱硫脱硝尿素车间改造工程分部(子分部)工程名称混凝土结构子分部验收部位地基基础施工单位阜新通达电力建设安装有限公司项目经理分包单位无分包项目经理无施工执行标准名称及编号辽宁省《建筑工程施工工艺规程》QBJ14-032-2004GB50204-2002《混凝土结构工程施工质量验收规范》施工单位检查评定记录监理(建设)单位验收记录主控项目1力学性能检验第5.2.1条钢筋力学性能符合设计及规范规定2抗震用钢筋强度实测值第5.2.2条符合设计及施工规范规定3化学成分等专项检验第5.2.3条/4受力钢筋的弯钩和弯折第5.3.1条符合设计及施工规范规定5箍筋弯钩形式第5.3.2条符合设计及施工规范规定一般项目1外观质量第5.2.4条钢筋平直、清洁无锈,无损伤无裂纹2钢筋调直第5.3.3条符合设计及施工规范规定3钢筋加工的形状、尺寸受力钢筋顺长度方向全长的净尺寸±10-5+6-8-2+5-5+12+8-6+8弯起钢筋的弯折位置±20-10-9+5-6+5+8-10-2-6-8箍筋内净尺寸±5+2-4-6-4+5+3-5+4+3-4施工单位检查评定结果专业工长(施工员)施工班组长主控项目满足规范规定要求,一般项目全部合格。项目专业质量检查员:年月日监理(建设)单位验收结论专业监理工程师:(建设单位项目专业技术负责人)年月日辽宁省建设工程质量监督总站监制钢筋安装工程检验批质量验收记录表(Ⅱ)单位(子单位)工程名称大连泰山热电厂脱硫脱硝尿素车间改造工程分部(子分部)工程名称混凝土结构子分部验收部位地基基础施工单位阜新通达电力建设安装有限公司项目经理分包单位无分包项目经理无施工执行标准名称及编号青海省《建筑工程施工工艺规程》QBJ14-032-2004GB50204-2002《混凝土结构工程施工质量验收规范》的规定施工单位检查评定记录监理(建设)单位验收记录主控项目1纵向受力钢筋的连接方式第5.4.1条/2机械连接和焊接接头的力学性能第5.4.2条机械连接接头的力学性能符合设计要求3受力钢筋的品种、级别、规格和数量第5.5.1条钢筋的品种、级别、规格和数量符合设计要求一般项目1接头位置和数量第5.4.3条接头位置和数量符合设计及规范...

1、当您付费下载文档后,您只拥有了使用权限,并不意味着购买了版权,文档只能用于自身使用,不得用于其他商业用途(如 [转卖]进行直接盈利或[编辑后售卖]进行间接盈利)。
2、本站所有内容均由合作方或网友上传,本站不对文档的完整性、权威性及其观点立场正确性做任何保证或承诺!文档内容仅供研究参考,付费前请自行鉴别。
3、如文档内容存在违规,或者侵犯商业秘密、侵犯著作权等,请点击“违规举报”。

碎片内容

基础钢筋隐蔽工程验收记录

您可能关注的文档

文章天下+ 关注
实名认证
内容提供者

各种文档应有尽有

确认删除?
VIP
微信客服
  • 扫码咨询
会员Q群
  • 会员专属群点击这里加入QQ群
客服邮箱
回到顶部