电脑桌面
添加小米粒文库到电脑桌面
安装后可以在桌面快捷访问

基础工程课程设计——低桩承台基础设计VIP免费

基础工程课程设计——低桩承台基础设计_第1页
1/21
基础工程课程设计——低桩承台基础设计_第2页
2/21
基础工程课程设计——低桩承台基础设计_第3页
3/21
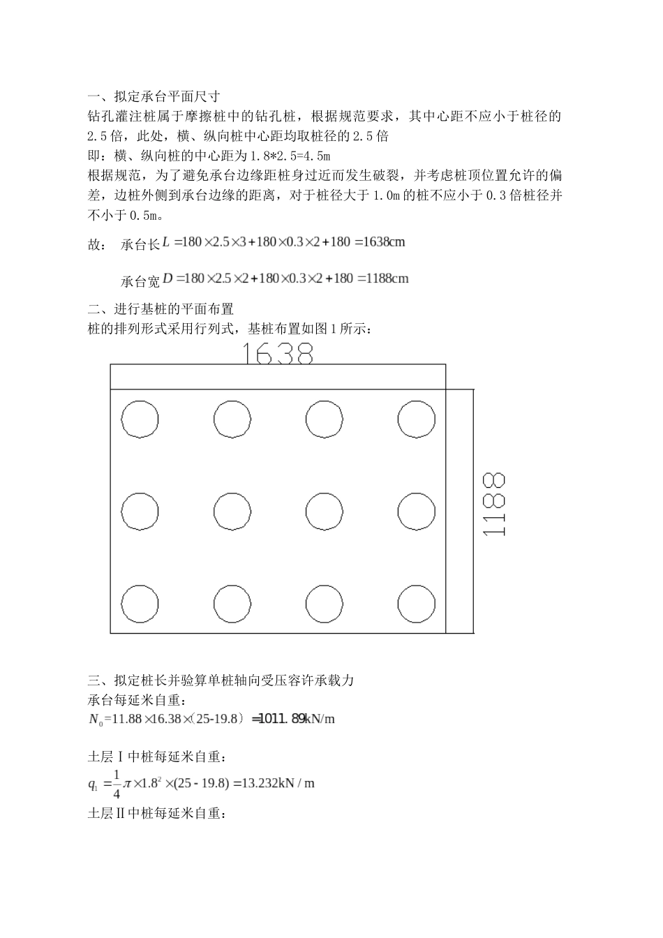
基础工程课程设计----低桩承台基础设计一、基本资料1.某跨线桥主桥上部结构为预应力混凝土连续梁,跨径组成为(60+100+60)m,桥面净宽11m,设计荷载标准为公路Ⅰ级。采用盆式橡胶支座、等截面单箱双室薄壁桥墩(如下图示)。2.主墩高度18m,箱壁厚度0.75m,纵隔板厚度0.8m,墩身顶部1.5m及底部2m均为实心段,矩形墩底截面尺寸为(4×14)m2,采用30号混凝土。作用于墩身底截面中心处的设计荷载为:竖直力Nz=74958kN水平力Hx=2895kN纵桥向弯矩My=38209kN·m(坐标规定:纵桥向x轴、横桥向y轴、竖向z轴)3.主墩基础拟采用12根钻孔灌注桩群桩基础,混凝土标号25。承台顶面与地面平齐,厚度为3.5m。4.地质资料自地面向下16m深度范围内为中密细砂加砾石(土层Ⅰ),往下为密实中粗砂加砾石(土层Ⅱ)。地基土的物理力学性质指标为:土层Ⅰ:=55kpa,γ=19.8kN/m3,m=10000kN/m4,土层Ⅱ:=70kpa,=500kpa,γ=21.8KN/m3m=20000kN/m45.设计参数承台及基桩材料重度γ=25kN/m3,基桩设计有关参数为:Ec=2.8×107kN/m2,λ=0.85,m0=0.8,K2=6班级桩径(m)纵桥向(排)横桥向(排)桥11.234桥2、41.534桥31.834二、主墩群桩基础设计要求(以纵桥向控制设计)(一)设计计算内容:1.根据已知条件拟定承台平面尺寸;2.进行基桩的平面布置;3.拟定桩长并验算单桩轴向受压容许承载力;4.判断是否弹性桩;5.桩顶荷载分配并校核;6.确定桩长并验算单桩轴向受压容许承载力;7.单桩内力及位移计算与验算;8.桩身截面配筋设计及桩截面强度验算;9.群桩基础承载力和沉降量验算。(二)设计完成后应提交的文件及图表1.低桩承台群桩基础设计计算书(应附计算小图);2.桥墩及基础结构构造图;3.基桩钢筋构造图。三、设计依据规范及参考书1.公路桥涵地基及基础设计规范(JTGD63-2007)2.公路钢筋混凝土及预应力混凝土桥涵设计规范(JTGD62-2004)3.王晓谋.基础工程.北京:人民交通出版社,20044.叶见曙.结构设计原理.北京:人民交通出版社,20045.江祖铭等主编.墩台与基础.北京:人民交通出版社,1994一、拟定承台平面尺寸钻孔灌注桩属于摩擦桩中的钻孔桩,根据规范要求,其中心距不应小于桩径的2.5倍,此处,横、纵向桩中心距均取桩径的2.5倍即:横、纵向桩的中心距为1.8*2.5=4.5m根据规范,为了避免承台边缘距桩身过近而发生破裂,并考虑桩顶位置允许的偏差,边桩外侧到承台边缘的距离,对于桩径大于1.0m的桩不应小于0.3倍桩径并不小于0.5m。故:承台长承台宽二、进行基桩的平面布置桩的排列形式采用行列式,基桩布置如图1所示:三、拟定桩长并验算单桩轴向受压容许承载力承台每延米自重:土层Ⅰ中桩每延米自重:土层Ⅱ中桩每延米自重:设:第二层土中桩长为根据要求,一般应将桩底至于岩层或坚硬的土层中,已得到较大的承载力和较小的沉降量,若在施工条件允许的深度内没有坚硬土层的存在,应尽可能选择压缩性较低、强度较高的土层作为持力层,要避免是桩底坐落在软土层上或离软弱下卧层的距离太近,以免桩基础发生过大的沉降。显然,土层Ⅱ相对于土层Ⅰ更适合成为持力层。桩底所承受的最大竖向荷载最大值为:计算时取以下数据:桩的周长,,,,所以承载力:解之的取因此拟定桩长为:桩端以上各土层的加权平均重度值为:桩端处土的承载力容许值:因为,所以取单桩轴向受压承载力容许值的计算:桩底所承受的最大竖向荷载因为,不满足要求,所以需重新拟定桩长。取=6.5m。验算单桩轴向受压容许承载力桩端以上各土层的加权平均重度值为:桩端处土的承载力容许值:因为,所以取单桩轴向受压承载力容许值的计算:桩底所承受的最大竖向荷载因为,满足要求。此时拟定的桩长为:四、判断是否为弹性桩当,故桩的计算宽度为:平行于水平力作用方向的桩间净距为地面线以下桩的计算埋入深度,且。所以计算可得:故整个深度的地基系数比例系数m取第一层土的m,惯性矩抗弯刚度桩的入土深度,故按照弹性桩计算。五、桩顶荷载分配并校核(1)桩顶刚度系数值的计算:式中:,即:已知:取用4。查附表17、附表18、附表19得:,由下式可得:(2)计算承台底面原点0处位移,低桩承台要考虑桩—土—承台的共同作用。即:其中(3)计算作...

1、当您付费下载文档后,您只拥有了使用权限,并不意味着购买了版权,文档只能用于自身使用,不得用于其他商业用途(如 [转卖]进行直接盈利或[编辑后售卖]进行间接盈利)。
2、本站所有内容均由合作方或网友上传,本站不对文档的完整性、权威性及其观点立场正确性做任何保证或承诺!文档内容仅供研究参考,付费前请自行鉴别。
3、如文档内容存在违规,或者侵犯商业秘密、侵犯著作权等,请点击“违规举报”。

碎片内容

基础工程课程设计——低桩承台基础设计

您可能关注的文档

确认删除?
VIP
微信客服
  • 扫码咨询
会员Q群
  • 会员专属群点击这里加入QQ群
客服邮箱
回到顶部