电脑桌面
添加小米粒文库到电脑桌面
安装后可以在桌面快捷访问

基础工程设计-张少VIP免费

基础工程设计-张少_第1页
1/10
基础工程设计-张少_第2页
2/10
基础工程设计-张少_第3页
3/10
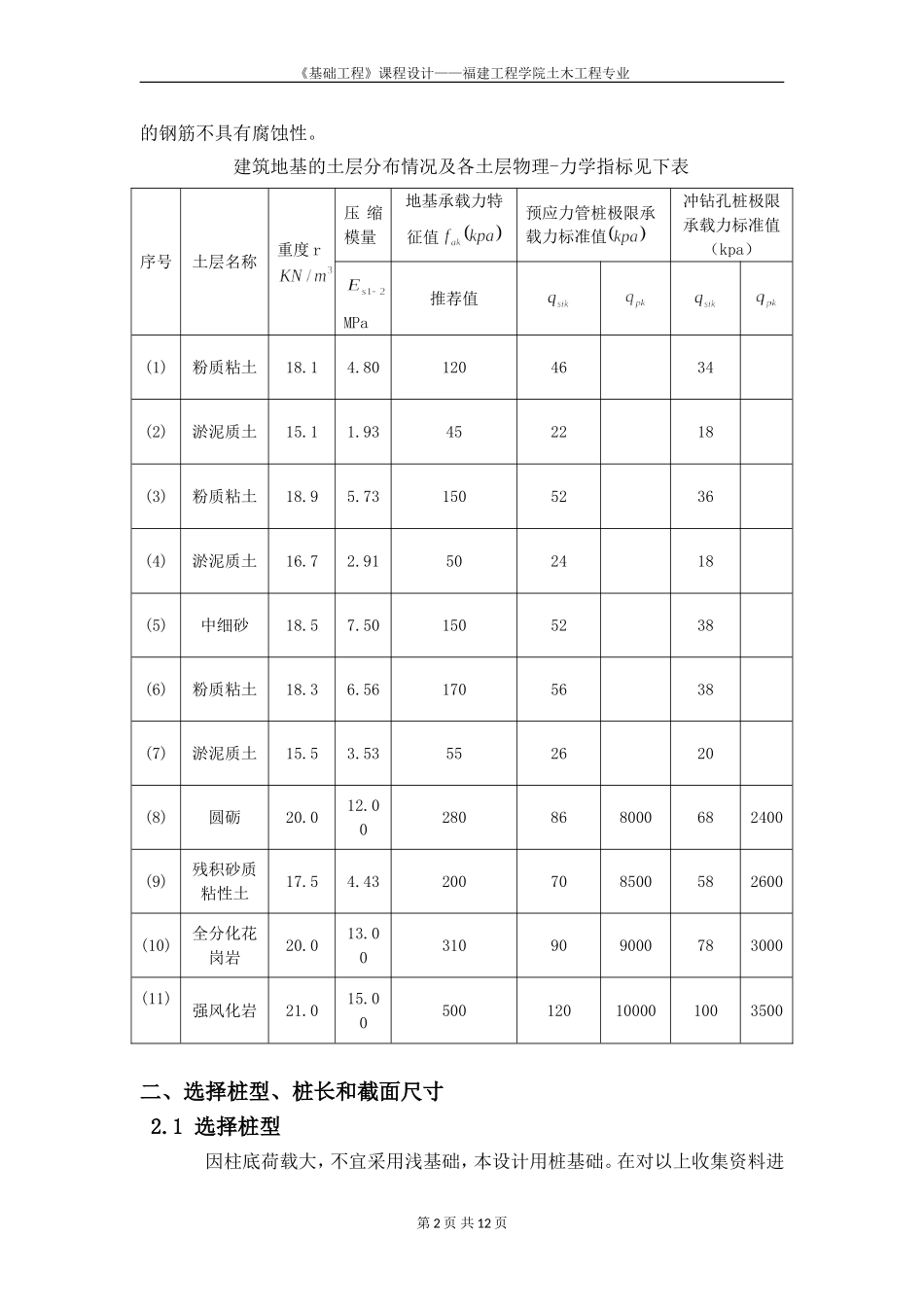
《基础工程》课程设计——福建工程学院土木工程专业目录一、设计资料二、选择桩型、桩长和截面尺寸三、确定单桩竖向承载力特征值,确定桩数并进行桩的布置四、桩身结构设计五、桩基承载力验算六、桩承台设计一、设计资料1.1建筑物资料某高校学生公寓楼,上部结构为钢筋混凝土框架结构。抗震设防烈度为7度,抗震等级为3级。室内外高差为400mm,柱底受竖向荷载为6240KN,受弯矩为624。1.2岩土工程勘察资料场地地下水类型为潜水,各钻孔混合地下水稳定水位埋深为1.2m,根据已有资料,该场地地下水对混凝土结构和钢结构具有弱腐蚀性,对钢筋混凝土结构中第1页共12页《基础工程》课程设计——福建工程学院土木工程专业的钢筋不具有腐蚀性。建筑地基的土层分布情况及各土层物理-力学指标见下表序号土层名称重度r压缩模量地基承载力特征值预应力管桩极限承载力标准值冲钻孔桩极限承载力标准值(kpa)MPa推荐值(1)粉质粘土18.14.801204634(2)淤泥质土15.11.93452218(3)粉质粘土18.95.731505236(4)淤泥质土16.72.91502418(5)中细砂18.57.501505238(6)粉质粘土18.36.561705638(7)淤泥质土15.53.53552620(8)圆砺20.012.00280868000682400(9)残积砂质粘性土17.54.43200708500582600(10)全分化花岗岩20.013.00310909000783000(11)强风化岩21.015.00500120100001003500二、选择桩型、桩长和截面尺寸2.1选择桩型因柱底荷载大,不宜采用浅基础,本设计用桩基础。在对以上收集资料进第2页共12页《基础工程》课程设计——福建工程学院土木工程专业行分析研究的基础上,针对土层分布情况,考虑施工条件、设备和技术等因素,决定采用摩擦桩以及挤土桩。2.2选择承台埋深及桩的几何尺寸本设计选择强风化花岗岩(11)作为桩端持力层。桩型选用PHC管桩,桩身混凝土强度为C80,截面尺寸为直径400mm。由于地下水埋深为1.2m,选择承台埋深为2.0m。桩端全断面进入持力层本设计取1m。则工程桩入土深度为桩基得有效桩长即为42.2-2.0=40.2m。三、确定单桩竖向承载力特征值,确定桩数并进行桩的布置3.1确定单桩竖向承载力=3.14×0.4×(46×0.5+22×2.4+52×7+24×5.5+52×3.3+56×4+26×5+86×3+70×5+90×3+1×120)+10000×3.14×=3891KN3.2确定桩数并进行桩的布置柱底受竖向荷载:F=6240KN,M=624初步估算桩数,由于柱子是偏心受压,故考虑一定的系数,规范中建议取1.1~1.2,本设计取1.2即:暂取n=4根。桩距承台长边:承台短边:桩布置入下:第3页共12页《基础工程》课程设计——福建工程学院土木工程专业四、桩身结构设计4.1吊装点桩的截面尺寸为直径400㎜,桩长40.2m,采用3根10m和一根10.2m的桩进行相接。因各根桩的长度不大,桩的吊装及吊立时的吊立布置,采用同一个位置。吊装点为0.207L,0.568L和0.207L具体见下图:(1)10m(2)10.2m4.2桩身结构设计计算桩身混凝土强度应满足桩的承载力设计要求。桩轴心受压时因为,则符合要求。这里的是扣除承台和其上土自重后,相应于荷载效应基本组合的单桩竖向力设计值。打入式预制桩的最小配筋率不宜小于0.8%。则第4页共12页《基础工程》课程设计——福建工程学院土木工程专业配置6根HRB400级直径为16mm的钢筋,(符合要求)A.桩身强度:=1280故满足要求B.桩的箍筋计算:可以按构造配筋Φ8@300As=100.6=0.24×2.22/210=0.254%=(2×50.3)/(3.14×200)=0.32%>满足要求五、桩基承载力验算5.1桩顶荷载荷载取柱的组合:F=6240kN,M=624kN*m承台高度为1.1m厚,荷载作用于承台顶面。桩基设计安全等级为乙级,建筑物的重要性系数=1.0.5.2单桩承载力验算不论桩周土的类别如何,单桩的竖向受震承载力均可提高25%。对于抗震设防区必须进行抗震验算的桩基,可按下列公式验算单桩的竖向承载力:第5页共12页《基础工程》课程设计——福建工程学院土木工程专业5.3群桩沉降计算对摩擦桩应进行桩基沉降计算。采用长期效应组合的荷载标准值进行桩基础的沉降计算,采用应力面积法计算最终沉降量。竖向荷载标准值基底处压力基底自重压力基底处的附加应力根据b=2.2查表得基础沉降量计算如下表:Z(m)01.00.00101.01.00.910.90080.90080.90084800244.30244.303.41.03.090.502...

1、当您付费下载文档后,您只拥有了使用权限,并不意味着购买了版权,文档只能用于自身使用,不得用于其他商业用途(如 [转卖]进行直接盈利或[编辑后售卖]进行间接盈利)。
2、本站所有内容均由合作方或网友上传,本站不对文档的完整性、权威性及其观点立场正确性做任何保证或承诺!文档内容仅供研究参考,付费前请自行鉴别。
3、如文档内容存在违规,或者侵犯商业秘密、侵犯著作权等,请点击“违规举报”。

碎片内容

基础工程设计-张少

您可能关注的文档

确认删除?
VIP
微信客服
  • 扫码咨询
会员Q群
  • 会员专属群点击这里加入QQ群
客服邮箱
回到顶部