电脑桌面
添加小米粒文库到电脑桌面
安装后可以在桌面快捷访问

基础回填土施工方案VIP免费

基础回填土施工方案_第1页
1/2
基础回填土施工方案_第2页
2/2
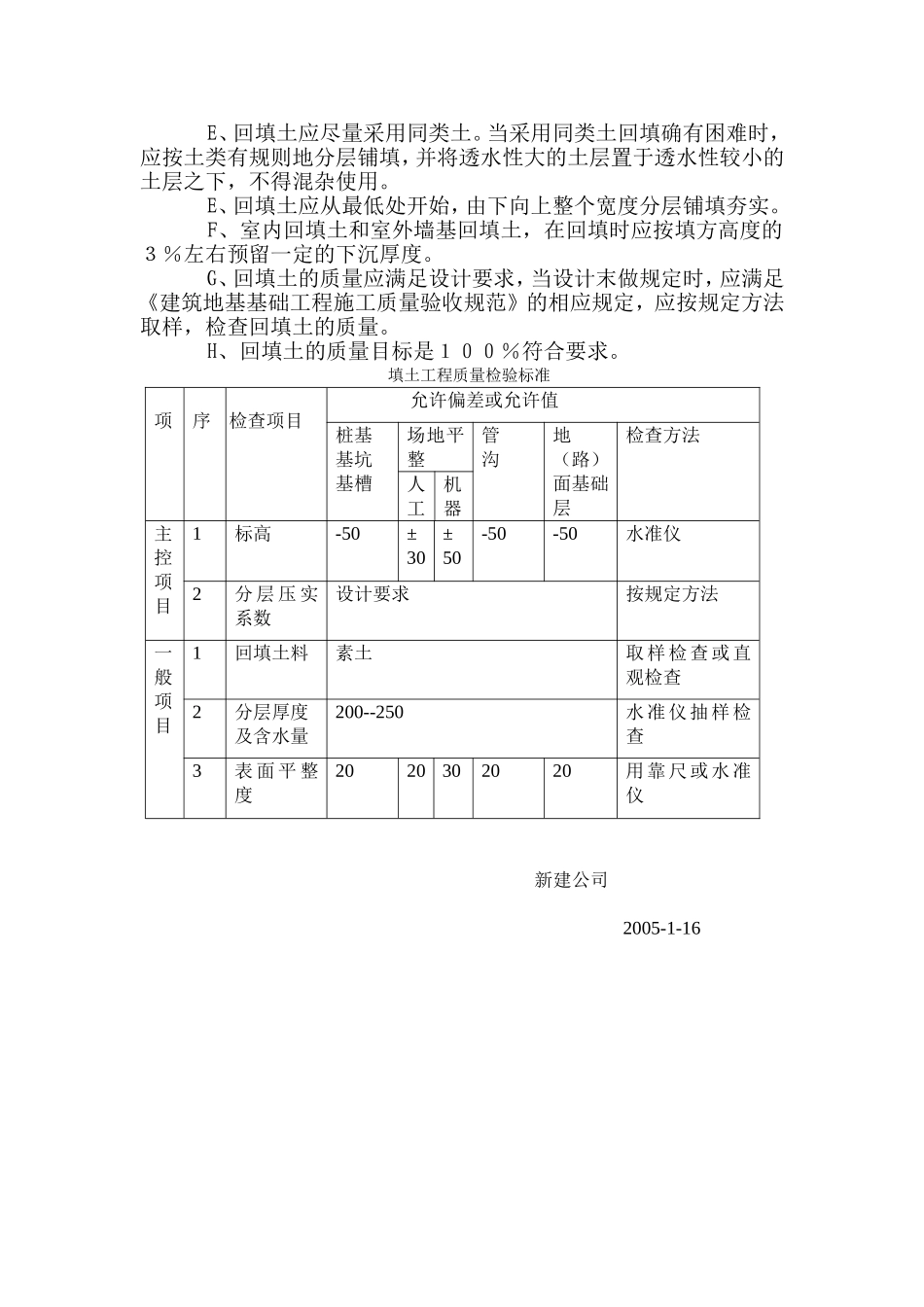
基础回填土施工方案该工程为电大学学生宿舍楼男生楼,有城乡规划设计研究院设计,位于新区龙湖北部第一条东西横贯道路南侧,场地宽敞。总建筑面积7500平方,该工程砖混结构,主体6层。本工程为砖混宿舍楼,建筑高度为21.2m。建筑物地基基础设计等级为丙级,采用复合地基:基础采用深层搅拌桩复合地基;以第(7)层顶为桩端持力层。基础垫层C15素混凝土100mm厚.0.00以下为MU10机制实心粘土砖M10水泥砂浆砌筑。为保证回填土方的施工质量,方便施工,首先回填室外部分,其次回填室内部分,室内回填土分二个施工段进行分层回填夯实。第一个施工段在A/E—1/13轴之间房心处回填;第二个施工段在A/E—14/24轴之间房心处回填;1、回填土的材料控制回填土采用从基坑中挖出的土方及甲方供应的土方。但应符合下列要求:A.耕植土不得用于回填土。B.建筑垃圾不得用于回填土。C.含有生活垃圾等有机杂物的土不得用于回填土。D.回填土的含水量应符合压实要求。含水量以“手握成团,落地开花”为适宜(一般为9~23%的含水量),当含水量过大时,采取翻松、凉干、风干或掺入一定量的干土等措施;如土料过干时,采取预先洒水润湿的方法加大含水量。2、回填土夯实方法回填土的夯实,采用蛙式打夯机和汽夯进行。局部采用人工夯实。3、回填土的运输方式回填土的运输方式,采用机动车、人力车推运相配合的方法。4、回填土每层铺土厚度及压实遍数和取样方法回填土每层铺土厚度及压实遍数;回填土每层铺土厚度为200~250mm(人工夯实时,每层厚度不大于200mm),每层夯实3~4遍。当填完一层土时及时报验监理,验收合格后才能上一层土,室内回填土每层100-500平方取一点,但不少于一点。采用100立方毫米的环刀取样。5、填土施工质量保障措施A、房心处条型基础之间的回填土施工时,为避免蛙式打夯机对条基造成破坏,在距条基300mm范围内(包括条基斜坡上)的回填土,采用人工分层夯填的方法。B、地下室房心回填土施工时,为避免蛙式打夯机对墙基造成破坏,在距墙基500mm范围内的回填土,采用人工分层夯填的方法。C、室外墙基回填土施工时,为避免蛙式打夯机对防水层和保护墙造成破坏,在距保护墙500mm范围内的回填土,采用人工夯填的方法。D、夯填时,先进行分台阶分层人工夯填到一定厚度,再采用蛙式打夯机分层夯填。E、回填土应尽量采用同类土。当采用同类土回填确有困难时,应按土类有规则地分层铺填,并将透水性大的土层置于透水性较小的土层之下,不得混杂使用。E、回填土应从最低处开始,由下向上整个宽度分层铺填夯实。F、室内回填土和室外墙基回填土,在回填时应按填方高度的3%左右预留一定的下沉厚度。G、回填土的质量应满足设计要求,当设计末做规定时,应满足《建筑地基基础工程施工质量验收规范》的相应规定,应按规定方法取样,检查回填土的质量。H、回填土的质量目标是100%符合要求。填土工程质量检验标准项序检查项目允许偏差或允许值桩基基坑基槽场地平整管沟地(路)面基础层检查方法人工机器主控项目1标高-50±30±50-50-50水准仪2分层压实系数设计要求按规定方法一般项目1回填土料素土取样检查或直观检查2分层厚度及含水量200--250水准仪抽样检查3表面平整度2020302020用靠尺或水准仪新建公司2005-1-16

1、当您付费下载文档后,您只拥有了使用权限,并不意味着购买了版权,文档只能用于自身使用,不得用于其他商业用途(如 [转卖]进行直接盈利或[编辑后售卖]进行间接盈利)。
2、本站所有内容均由合作方或网友上传,本站不对文档的完整性、权威性及其观点立场正确性做任何保证或承诺!文档内容仅供研究参考,付费前请自行鉴别。
3、如文档内容存在违规,或者侵犯商业秘密、侵犯著作权等,请点击“违规举报”。

碎片内容

基础回填土施工方案

您可能关注的文档

确认删除?
VIP
微信客服
  • 扫码咨询
会员Q群
  • 会员专属群点击这里加入QQ群
客服邮箱
回到顶部