电脑桌面
添加小米粒文库到电脑桌面
安装后可以在桌面快捷访问

2013年高考化学预测试题(2)VIP免费

2013年高考化学预测试题(2)_第1页
1/5
2013年高考化学预测试题(2)_第2页
2/5
2013年高考化学预测试题(2)_第3页
3/5
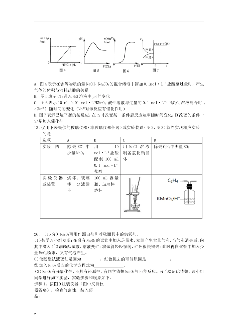
2013年高考预测系列试题【化学】高考预测试题(2)·预测卷7.下列表示对应化学反应的离子方程式正确的是A.向含有Fe2O3悬浊液中通入HI:Fe2O3+6H+=2Fe3++3H2OB.少量SO2气体通入NaClO溶液中:SO2+H2O+ClO-=SO42-+Cl-+2H+C.误将洁厕灵与消毒液混合:H++Cl-+HClO=Cl2↑+H2OD.将1mol/LNaAlO2溶液和1.5mol/LHCl溶液等体积互相均匀混合:6AlO2-+9H++3H2O=5Al(OH)3↓+Al3+8.已知NA代表阿伏加德罗常数,下列说法正确的是A.34gH2O2中含有的阴离子数为NAB.在含Al3+总数为NA的AlCl3溶液中,Cl-总数为3NAC.1mol重甲基(-CD3)含有电子数为9NAD.1mol铁铝混合物与足量稀盐酸反应时,转移电子数是3NA9.下列说法中正确的是A.同一可逆反应使用不同的催化剂时,高效催化剂可增大平衡转化率B.已知反应SO2(g)+H2O(g)=H2SO3(l),该过程熵值增大C.右图可表示爆炸反应的能量变化曲线D.同温同压下,H2(g)+Cl2(g)=2HCl(g)在光照和点燃条件下的△H不同10.下列实验操作或事实与预期实验目的或所得结论一致的是选项实验操作或事实实验目的或结论A淡黄色试液红褐色沉淀说明原溶液中一定含有FeCl3BBr2FeBr3KBr制备少量KBr溶液C无色试液焰色呈黄色说明原溶液中一定不含钾元素DH3PO3+2NaOH(足量)=Na2HPO3+2H2OH3PO3属于三元酸11.硫酸钙是一种用途非常广泛的产品,可用于生产硫酸、漂白粉等一系列物质(见图3)。下列说法正确的是A.CO、SO2、SO3均是酸性氧化物B.除去与水反应,图示转化反应均为氧化还原反应C.工业上利用Cl2和澄清石灰水反应来制取漂白粉D.用CO合成CH3OH进而合成HCHO的两步反应,原子利用率均为100%12.下列图示与对应叙述相符合的是1能量反应物生成物反应历程A.图4表示在含等物质的量NaOH、Na2CO3的混合溶液中滴加0.1mol·L-1盐酸至过量时,产生气体的体积与消耗盐酸的关系B.图5表示Cl2通入H2S溶液中pH的变化C.图6表示10mL0.01mol·L-1KMnO4酸性溶液与过量的0.1mol·L-1H2C2O4溶液混合时,n(Mn2+)随时间的变化(Mn2+对该反应有催化作用)D.图7表示已达平衡的某反应,在t0时改变某一条件后反应速率随时间变化,则改变的条件一定是加入催化剂13.仅用下表提供的玻璃仪器(非玻璃仪器任选)或实验装置(图2、图3)就能实现相应实验目的是选项ABCD实验目的除去KCl中少量MnO2用10mol·L-1盐酸配制100mL0.1mol·L-1盐酸用NaCl溶液制备氯化钠晶体除去C2H4中少量SO2实验仪器或装置烧杯、玻璃棒、分液漏斗100mL容量瓶、玻璃棒、烧杯26.(15分)Na2O2可用作漂白剂和呼吸面具中的供氧剂。(1)某学习小组发现:在盛有Na2O2的试管中加入足量水,立即产生大量气泡,当气泡消失后,向其中滴入1~2滴酚酞试液,溶液变红;将试管轻轻振荡,红色很快褪去;此时再向试管中加入少量MnO2粉末,又有气泡产生。①使酚酞试液变红是因为,红色褪去的可能原因是。②加入MnO2反应的化学方程式为。(2)Na2O2有强氧化性,H2具有还原性,有同学猜想Na2O2与H2能反应。为了验证此猜想,该小组同学进行如下实验,实验步骤和现象如下。步骤1:按图9组装仪器(图中夹持仪器省略),检查气密性,装入药品;2步骤2:打开K1、K2,产生的氢气流经装有Na2O2的硬质玻璃管,一段时间后,没有任何现象;步骤3:检验H2的纯度后,开始加热,观察到硬质玻璃管内Na2O2开始熔化,淡黄色的粉末变成了白色固体,干燥管内硫酸铜未变蓝色;步骤4:反应后撤去酒精灯,待硬质玻璃管冷却后关闭K1。①盛装稀盐酸的仪器名称;B装置的作用是。②必须检验氢气纯度的原因是。③设置装置D的目的是。④你得到的结论是(若能反应请用化学方程式表示)。27.(14分)短周期元素A、B、C、D、F原子序数依次增大。A是周期表中原子半径最小的元素,B是形成化合物种类最多的元素,C是自然界含量最多的元素,D是同周期中金属性最强的元素,F的负一价离子与C的某种氢化物分子含有相同的电子数。(1)A、C、D形成的化合物中含有的化学键类型为。(2)已知①D-D→2D·;=+akJ·mol-1②2A·→A-A;=-bkJ·mol-1③D·+A·→AD;=-ckJ·mol-1写出298K时,A2与D2反应的热化学方程式。(3)在某温度下、容积均为2L的三个密闭容器中,...

1、当您付费下载文档后,您只拥有了使用权限,并不意味着购买了版权,文档只能用于自身使用,不得用于其他商业用途(如 [转卖]进行直接盈利或[编辑后售卖]进行间接盈利)。
2、本站所有内容均由合作方或网友上传,本站不对文档的完整性、权威性及其观点立场正确性做任何保证或承诺!文档内容仅供研究参考,付费前请自行鉴别。
3、如文档内容存在违规,或者侵犯商业秘密、侵犯著作权等,请点击“违规举报”。

碎片内容

2013年高考化学预测试题(2)

您可能关注的文档

教育教学文库+ 关注
实名认证
内容提供者

本店有大量的教育教学资料,课件

相关文档

确认删除?
VIP
微信客服
  • 扫码咨询
会员Q群
  • 会员专属群点击这里加入QQ群
客服邮箱
回到顶部