电脑桌面
添加小米粒文库到电脑桌面
安装后可以在桌面快捷访问

电焊操作安全技术交底(表格)VIP免费

电焊操作安全技术交底(表格)_第1页
1/2
电焊操作安全技术交底(表格)_第2页
2/2
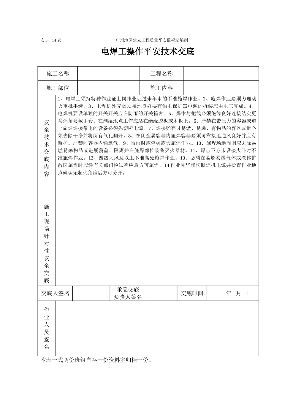
安3—14表广州地区建立工程质量平安监视站编制电焊工操作平安技术交底施工名称工程名称施工部位施工内容安全技术交底内容1、电焊工须持特种作业证上岗作业证过未年审的不准施焊作业。2、施焊作业必须力理动火审批手续。3、电焊机外壳必须接地良好要有触电保护器电源的拆装应由电工完成。4、电焊机要设单独的开关开关应在防雨的开关箱内。5、焊钳与把线必须绝缘良好连接结实更换焊条要戴手套。在潮湿地点工作应站在绝缘胶板或木板上。6、严禁在带压力的容器或道上施焊焊接带电的设备必须先切断电源。7、焊接贮存过易燃、易爆、有物品的容器或道必须去除干净并将所有气孔翻开。8、在闭金属容器内施焊容器必须可靠接地通风良好并应有监护。严禁向容器内输氧气。9、雷雨时应停顿露天施焊作业。10、施焊场地周围应去除易燃易爆物品或进展覆盖、隔离并在施焊部位装备灭火器材。11、焊点下方未设接火斗时不准施焊作业。12、四级大风及以上不准高处施焊作业。13、必须在易燃易爆气体或液体扩散区施焊时应经有关部门检试答应后方可施焊。14作业完毕就切断焊机电源并检查作业地点确认无起火危险后方可分开。施工现场针对性安全交底交底人签名承受交底负责人签名交底时间年月日作业人员签名本表一式两份班组自存一份资料室归档一份。

1、当您付费下载文档后,您只拥有了使用权限,并不意味着购买了版权,文档只能用于自身使用,不得用于其他商业用途(如 [转卖]进行直接盈利或[编辑后售卖]进行间接盈利)。
2、本站所有内容均由合作方或网友上传,本站不对文档的完整性、权威性及其观点立场正确性做任何保证或承诺!文档内容仅供研究参考,付费前请自行鉴别。
3、如文档内容存在违规,或者侵犯商业秘密、侵犯著作权等,请点击“违规举报”。

碎片内容

电焊操作安全技术交底(表格)

您可能关注的文档

确认删除?
VIP
微信客服
  • 扫码咨询
会员Q群
  • 会员专属群点击这里加入QQ群
客服邮箱
回到顶部