电脑桌面
添加小米粒文库到电脑桌面
安装后可以在桌面快捷访问

预应力实心整间大楼板安装工艺VIP免费

预应力实心整间大楼板安装工艺_第1页
1/3
预应力实心整间大楼板安装工艺_第2页
2/3
预应力实心整间大楼板安装工艺_第3页
3/3
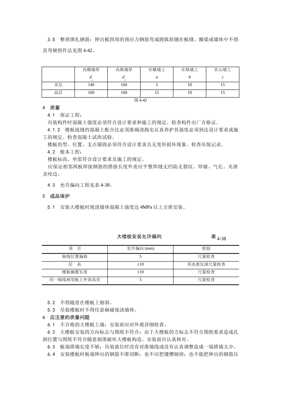
预应力实心整间大楼板安装1范围本工艺适用于多层及高层外砖内模及外板内模等构造的预应力实心整间大楼板安装工艺。2施工准备2.1材料及主要机具:大楼板:无裂纹、翘曲等缺陷。应有构件出厂合格证。水泥:标为425硅酸盐水泥、普通硅酸盐水泥、矿渣硅酸盐水泥。应有出厂合格证。按规定做复试。砂:中砂。主要工具:钢筋板子、撬棍、套、钢支撑、100mm×100mm木方等。2.2作业条件。按现场施工平面图要求将堆放场地修理平整夯实第一块大板下面放置通长垫木每块板间垫短垫木。当大楼板板宽≤3170mm时垫木长400mm板宽为3770mm时垫木长500mm。垫木厚≥50mm垫木平行板长边放置。见图4-41。垫木要上下对齐垫平垫实不得有一角脱空现象。每垛堆放最多为9块。大楼板运输时在车上堆放情况也应与此一样。图4-41检查大楼板是否有出厂合格证。然后对大楼板外观质量进展检查凡不符合质量要求的不得使用如大楼板板面或凸键有裂纹或损坏的均不得使用。检查墙体轴线及标高对照吊装图核对大楼板型、规格。查清大楼板上的洞口方向与图纸是否一样。修理现浇混凝土墙体高度墙体高度应低于板底标高10~20mm如混凝土墙体高度低时应补混凝土找平;加混凝土墙体高出板底标高时应剔凿以保证楼板上外表标高符合要求。墙体轴线偏移过多应进展调整以保证大楼板搭墙长度符合要求。3操作工艺3.1工艺流程:抹砂浆找平层或硬架支模→吊装大楼板→调整板位置→整理绑扎钢筋3.2抹砂浆找平层或硬架支模:安装大楼板之前根据墙体混凝土标高在墙顶抹找平层找平层水泥砂浆配合比为1∶3。如采用硬架支模时墙顶混凝土标高应斤降1~2cm。3.3吊装大楼板:吊装前首先查清大楼板洞口位置〔包括暖卫、煤气、电器线洞口〕及大楼板方向标志;再对照设计图纸查清每个房间所用大楼板的型是否正确。安装时板端对准墙身缓缓厂降落稳后再脱钩。3.4调整板位置:调整好大楼板四边搭接长度使其符合设计要求然后将相邻两块板的6φ12拉结筋互相焊接焊缝长度应≥90mm焊接质量应符合焊接规程的规定。3.5整理绑扎钢筋:伸出板四周的预应力钢筋弯成圆弧状铺在板缝、圈梁或墙体中不得直弯硬拐作法见图4-42。内横墙厚d1内纵墙厚d2在横墙上a在纵墙上b在山墙上c多层14016051015高层160160151015图4-424质量4.1保证工程:吊装构件时混凝土强度必须符合设计要求和施工的规定。检查构件出厂合格证。4.1.2楼板接缝的混凝土配合比必须准确浇捣实认真养护其强度必须到达设计要求或施工的规定。检查混凝土试块试验。楼板的型、位置、支点锚固必须符合设计要求且无变形损坏现象。检查吊装记录。4.2根本工程:楼板标高、坐浆符合设计要求及施工的规定。应保证相邻两板焊接钢筋的搭接长度外表应平整焊缝无凹陷无裂纹、焊瘤、气孔、夹渣及咬边。4.3允许偏向工程见表4-38。5成品保护5.1安装大楼板时现浇墙体混凝土强度达4MPa以上方准安装。大楼板安装允许偏向表4-38项目允许偏向(mm)检验轴线位置偏移5尺量检查层高±10用水准仪或尺量检查楼板搁置长度±10尺量检查同一轴线相邻板上外表高差5尺量检查5.2不得随意在楼板上剔洞。5.3吊装楼板时不得任意砸碰现浇墙体。6应注意的质量问题6.1不合格的大楼板上墙:安装前应对外观详细检查。6.2大楼板安装的方向标志与图纸不符合:由于大楼板的方标志不符合图纸要求造成孔洞位置与图纸不符合随意剔凿破坏大楼板构造。安装前应认真核对。6.3板端搭墙长度不够:吊装就位时没有对准墙线或没有认真调整造成一端搭墙太少。6.4安装楼板时板端伸出的钢筋不准切断;也不应把键槽剔掉;也不能把伸出的钢筋压在相邻板下面。6.5安装大楼板时不采用硬架支模或抹找平层其标高应符合设计要求使用的支撑应有足够的刚度保证不下沉。7质量记录本工艺应具备以下质量记录;7.1构件出厂合格证。7.2钢筋出厂质量证明书或检验。7.3钢筋力学性能试验。7.4墙体混凝土、板缝混凝土试压。7.5预制构件吊装记录。7.6构件安装分项工程质量检验评定记录。

1、当您付费下载文档后,您只拥有了使用权限,并不意味着购买了版权,文档只能用于自身使用,不得用于其他商业用途(如 [转卖]进行直接盈利或[编辑后售卖]进行间接盈利)。
2、本站所有内容均由合作方或网友上传,本站不对文档的完整性、权威性及其观点立场正确性做任何保证或承诺!文档内容仅供研究参考,付费前请自行鉴别。
3、如文档内容存在违规,或者侵犯商业秘密、侵犯著作权等,请点击“违规举报”。

碎片内容

预应力实心整间大楼板安装工艺

您可能关注的文档

确认删除?
VIP
微信客服
  • 扫码咨询
会员Q群
  • 会员专属群点击这里加入QQ群
客服邮箱
回到顶部