电脑桌面
添加小米粒文库到电脑桌面
安装后可以在桌面快捷访问

市政工程监理现场资料VIP免费

市政工程监理现场资料_第1页
1/13
市政工程监理现场资料_第2页
2/13
市政工程监理现场资料_第3页
3/13
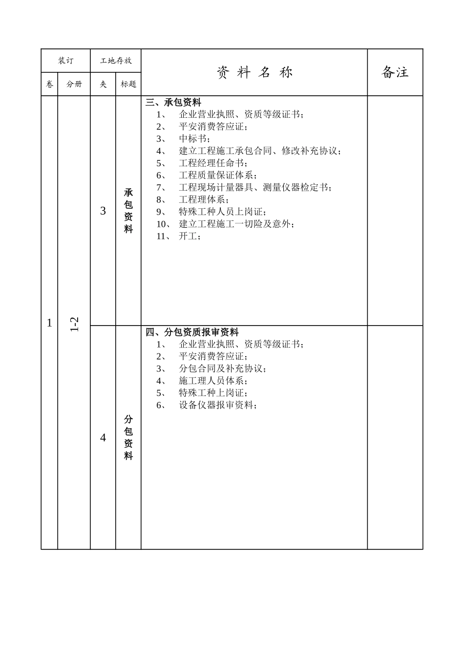
政工程工程监理现场资料〔稿〕说明:一、本按资料在监理工作中所起作用分类1、工程参与资料:说明参与资质、资格及行为的合法性;2、工程监理施行根据:为工程设计资料及监理、施工的施行方案;3、工程监理综合性记录资料:在监理过程中形成的综合性资料;二、工程质量控制资料中材料、构配件、设备局部可按施工标段分订;质量报验、检测、检验资料宜以工程分装;三、施工平安监理资料单列;四、质量、平安控制资料内容分列了土建工程和政工程〔道路、排水、桥梁〕五、本所列“存放夹〞工地存放时分册各监理组可按实际情况〔多少〕设置。六、本在使用中存在问题请向反映我们将作改良使其不断完善。施工监理资料装订工地存放资料名称备注卷分册夹标题11-11建立资料工程参与资料一、建立资料1、建立工程立项批准;2、建立工程规划答应证;3、建立工程施工答应证;4、建立工程工程质量、施工平安监视委托资料;5、工程工程负责人任命书;2监理资料二、监理资料1、企业营业执照、资质等级证书;2、监理中标书或直接委托;3、?建立工程监理委托合同?、修改补充协议;4、总监理工程师任命书、变更书、执业岗位注册证书;5、工程监理人员任命书、受权书、变更书、监理人员上岗证;6、工程现场监测仪器、工具校核证件;7、、行业、地方、;政工程强迫性条文;不装订入册装订工地存放资料名称备注卷分册夹标题11-23承包资料三、承包资料1、企业营业执照、资质等级证书;2、平安消费答应证;3、中标书;4、建立工程施工承包合同、修改补充协议;5、工程经理任命书;6、工程质量保证体系;7、工程现场计量器具、测量仪器检定书;8、工程理体系;9、特殊工种人员上岗证;10、建立工程施工一切险及意外;11、开工;4分包资料四、分包资质报审资料1、企业营业执照、资质等级证书;2、平安消费答应证;3、分包合同及补充协议;4、施工理人员体系;5、特殊工种上岗证;6、设备仪器报审资料;装订工地存放资料名称备注卷分册夹标题22-15监理规划、细那么工程监理施行根据资料一、工程监理规划;二、监理施行细那么;1、综合性施行细那么;2、专项施行细那么〔含:各分部、各专业质量、进度、造价〕;2-26勘察设计三、工程地质勘察资料;四、工程施工图及补充资料;五、图纸会审、设计交底记录;六、设计变更资料;七、施工变更资料;施工图单独装袋。2-37施工组织设计、方案八、工程施工组织设计及修改、补充;九、工程专项施工方案;装订存放夹资料名称备注卷分册夹标题33-18监理日记工程监理综合性记录资料一、监理日记:1、综合监理日记;2、分标段、分专业监理日记;按月装订后存放袋。3-29旁站记录二、监理旁站记录;3-310月报三、监理工作月报3-411联络单、单四、监理工作联络单;五、监理工程师单;六、整改回复单;3-512暂停/复工七、工程暂停;八、工程开/复工报审;3-613会议记录九、各类会议记录、纪要;3-714专题、往来十、各类专题;十一、往来文、;3-815质量评估十二、工程质量评估;3-916质量事故处理十三、工程质量事故〔问题〕处理资料3-1017监理总结十四、监理工作总结;装订工地存放资料名称备注卷分册夹标题44-118标养室检查记录工程质量控制资料一、工程材料、构配件、设备质量控制资料1、砼〔砂浆〕试块标养室;4-219材料构配件设备报审表2、各种台帐;3、各类材料、构配件、设备报审表;①按不同要求应附:消费答应证、出厂试验、出厂合格证、复试备案资料、交易证〔见附表1〕;②品种包括:A、水泥、砂、道渣、砾石砂、石、砖、石灰、钢筋、钢材;B、粉煤灰、外加剂;C、石油沥青、焦油沥青;D、砼、砼试块、三渣;E、砂浆、砂浆试块;F、沥青混合料:沥青胶泥、乳化沥青、沥青砼、沥青碎石;G、水泥砼制品;钢筋砼、砼方桩、桩、箱梁、T梁;侧平石、缘石、人行道板、盲道砖、窨井座、盖;H、橡胶制品:橡胶封圈〔止水带〕、橡胶支座、伸缩装置;I、钢材制品:型钢伸缩装置、预应力锚夹具、钢绞线;J、交通设施、标志塑料制品:各种材、窨井、井盖;K、各类电气设备材料;4-320测量、定位资料二、工程质量报验资料1、工程定位测量复核记录;2、导线点、水准点测量复核记录...

1、当您付费下载文档后,您只拥有了使用权限,并不意味着购买了版权,文档只能用于自身使用,不得用于其他商业用途(如 [转卖]进行直接盈利或[编辑后售卖]进行间接盈利)。
2、本站所有内容均由合作方或网友上传,本站不对文档的完整性、权威性及其观点立场正确性做任何保证或承诺!文档内容仅供研究参考,付费前请自行鉴别。
3、如文档内容存在违规,或者侵犯商业秘密、侵犯著作权等,请点击“违规举报”。

碎片内容

市政工程监理现场资料

您可能关注的文档

确认删除?
VIP
微信客服
  • 扫码咨询
会员Q群
  • 会员专属群点击这里加入QQ群
客服邮箱
回到顶部