电脑桌面
添加小米粒文库到电脑桌面
安装后可以在桌面快捷访问

基于ANSYS的桥梁分析VIP免费

基于ANSYS的桥梁分析_第1页
1/17
基于ANSYS的桥梁分析_第2页
2/17
基于ANSYS的桥梁分析_第3页
3/17
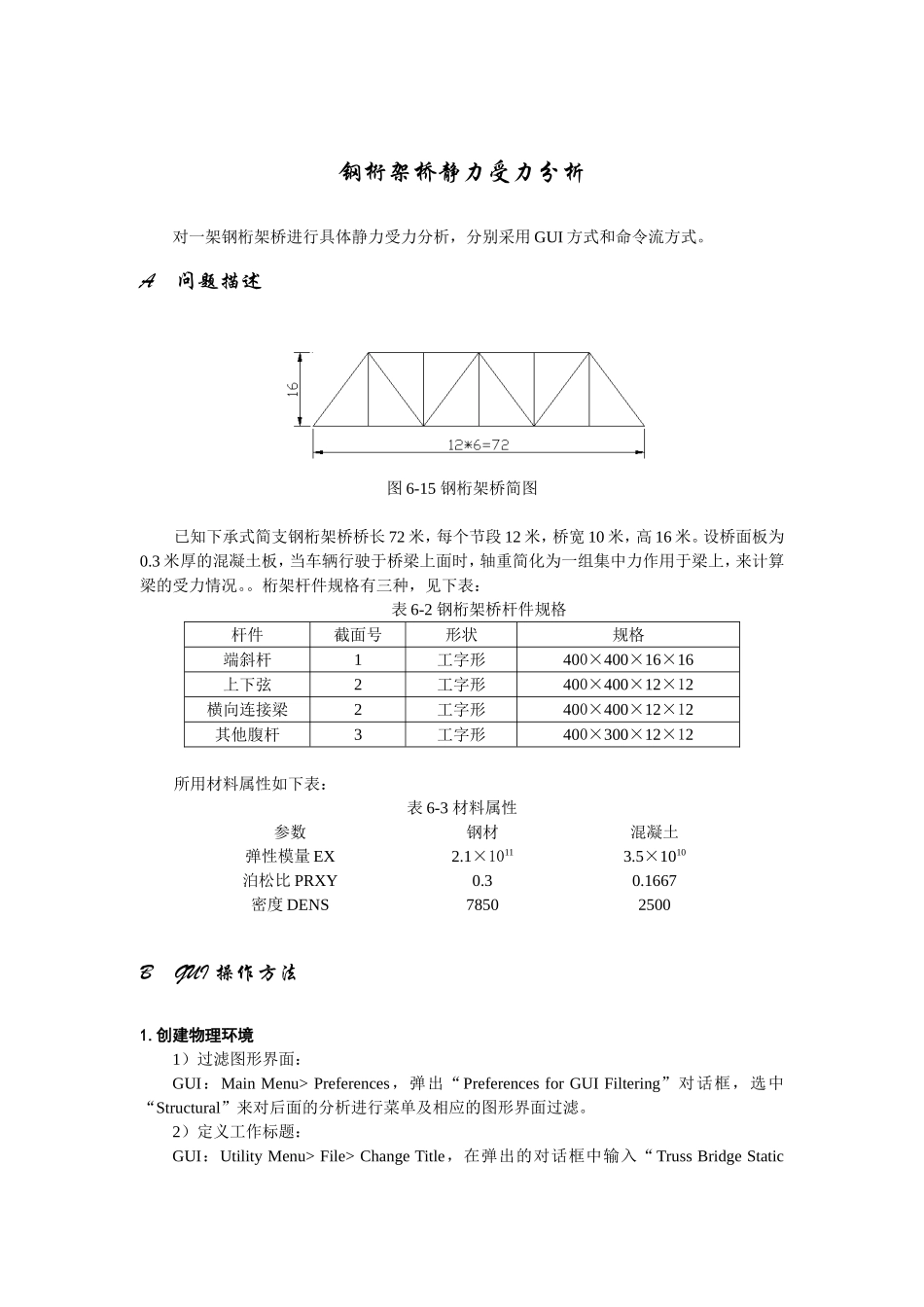
钢桁架桥静力受力分析对一架钢桁架桥进行具体静力受力分析,分别采用GUI方式和命令流方式。A问题描述图6-15钢桁架桥简图已知下承式简支钢桁架桥桥长72米,每个节段12米,桥宽10米,高16米。设桥面板为0.3米厚的混凝土板,当车辆行驶于桥梁上面时,轴重简化为一组集中力作用于梁上,来计算梁的受力情况。。桁架杆件规格有三种,见下表:表6-2钢桁架桥杆件规格杆件截面号形状规格端斜杆1工字形400×400×16×16上下弦2工字形400×400×12×12横向连接梁2工字形400×400×12×12其他腹杆3工字形400×300×12×12所用材料属性如下表:表6-3材料属性参数钢材混凝土弹性模量EX2.1×10113.5×1010泊松比PRXY0.30.1667密度DENS78502500BGUI操作方法1.创建物理环境1)过滤图形界面:GUI:MainMenu>Preferences,弹出“PreferencesforGUIFiltering”对话框,选中“Structural”来对后面的分析进行菜单及相应的图形界面过滤。2)定义工作标题:GUI:UtilityMenu>File>ChangeTitle,在弹出的对话框中输入“TrussBridgeStaticAnalysis”,单击“OK”。如图6-16(a)。指定工作名:GUI:UtilityMenu>File>ChangeJobname,弹出一个对话框,在“EnternewName”后面输入“Structural”,“Newloganderrorfiles”选择yes,单击“OK”。如图6-16(b)。图6-16(a)定义工作标题图6-16(b)指定工作名3)定义单元类型和选项:GUI:MainMenu>Preprocessor>ElementType>Add/Edit/Delete,弹出“ElementTypes”单元类型对话框,单击“Add”按钮,弹出“LibraryofElementTypes”单元类型库对话框。在该对话框左面滚动栏中选择“StructuralBeam”,在右边的滚动栏中选择“3D188”,单击“Ok”,定义了“BEAM188”单元,如图6-17。继续单击“Add”按钮,弹出“LibraryofElementTypes”单元类型库对话框。在该对话框左面滚动栏中选择“StructuralShell”,在右边的滚动栏中选择“Elastic4node181”,单击“OK”,定义了“SHELL181”单元。得到如图6-18所示的结果。最后单击“Close”,关闭单元类型对话框。图6-17单元类型库对话框图6-18单元类型对话框4)定义梁单元截面:GUI:MainMenu>Preprocessor>Sections>Beam>CommonSections,弹出“BeamTool”工具条,如图6-19填写。然后单击“Apply”,如图6-19填写;然后单击“Apply”,如图6-19填写,最后单击“OK”。图6-19定义三种截面每次定义好截面之后,点击“Preview”可以观察截面特性。在本模型中三种工字钢截面特性如下图6-20:图6-20三种截面图及截面特性5)定义材料属性:GUI:MainMenu>Preprocessor>MaterialProps>MaterialModels,弹出“DefineMaterialModelBehavior”对话框,在右边的栏中连续双击“Structural>Linear>Elastic>Isotropic”后,弹出“LinearIsotropicPropertiesforMaterialNumber1”对话框,如图6-23所示,在该对话框中“EX”后面的输入栏输入“2.1e11”,“PRXY”后面的输入栏输入“0.3”,单击“OK”。图6-23设置弹性模量和泊松比图6-24设置密度继续在“DefineMaterialModelBehavior”对话框,在右边的栏中连续双击“Structural>Density”,弹出“DensityforMaterialNumber1”对话框,如图6-24所示,在该对话框中“DENS”后面的输入栏输入“7850”,单击“OK”。设置好第一种钢材材料之后,还要设置第二种混凝土桥面板材料。“DefineMaterialModelBehavior”对话框的Material菜单中选择“Newmodel”,按照默认的材料编号,点击“OK”。这时“DefineMaterialModelBehavior”对话框左边出现“MaterialModelNumber2”,同第一种材料的设置方法一样,“LinearIsotropic”中“EX”输入“3.5e10”,“PRXY”输入“0.1667”,“DENS”输入“2500”,单击“OK”结束。如图6-25。最后关闭“DefineMaterialModelBehavior”对话框。图6-25定义材料属性2.建立有限元模型1)生成半跨桥的节点:GUI:UtilityMenu>Modeling>Create>Nodes>InActiveCS,弹出“CreateNodesinActiveCS”对话框,在“X,Y,Z”输入行输入:“0,0,-5”,单击“OK”。如图6-26(a)然后GUI:UtilityMenu>Modeling>Copy>Nodes>Cop,在“Copynodes”对话框中单击“PickAll”...

1、当您付费下载文档后,您只拥有了使用权限,并不意味着购买了版权,文档只能用于自身使用,不得用于其他商业用途(如 [转卖]进行直接盈利或[编辑后售卖]进行间接盈利)。
2、本站所有内容均由合作方或网友上传,本站不对文档的完整性、权威性及其观点立场正确性做任何保证或承诺!文档内容仅供研究参考,付费前请自行鉴别。
3、如文档内容存在违规,或者侵犯商业秘密、侵犯著作权等,请点击“违规举报”。

碎片内容

基于ANSYS的桥梁分析

您可能关注的文档

确认删除?
VIP
微信客服
  • 扫码咨询
会员Q群
  • 会员专属群点击这里加入QQ群
客服邮箱
回到顶部