电脑桌面
添加小米粒文库到电脑桌面
安装后可以在桌面快捷访问

某开发区住宅小区工程监理规划VIP免费

某开发区住宅小区工程监理规划_第1页
1/28
某开发区住宅小区工程监理规划_第2页
2/28
某开发区住宅小区工程监理规划_第3页
3/28
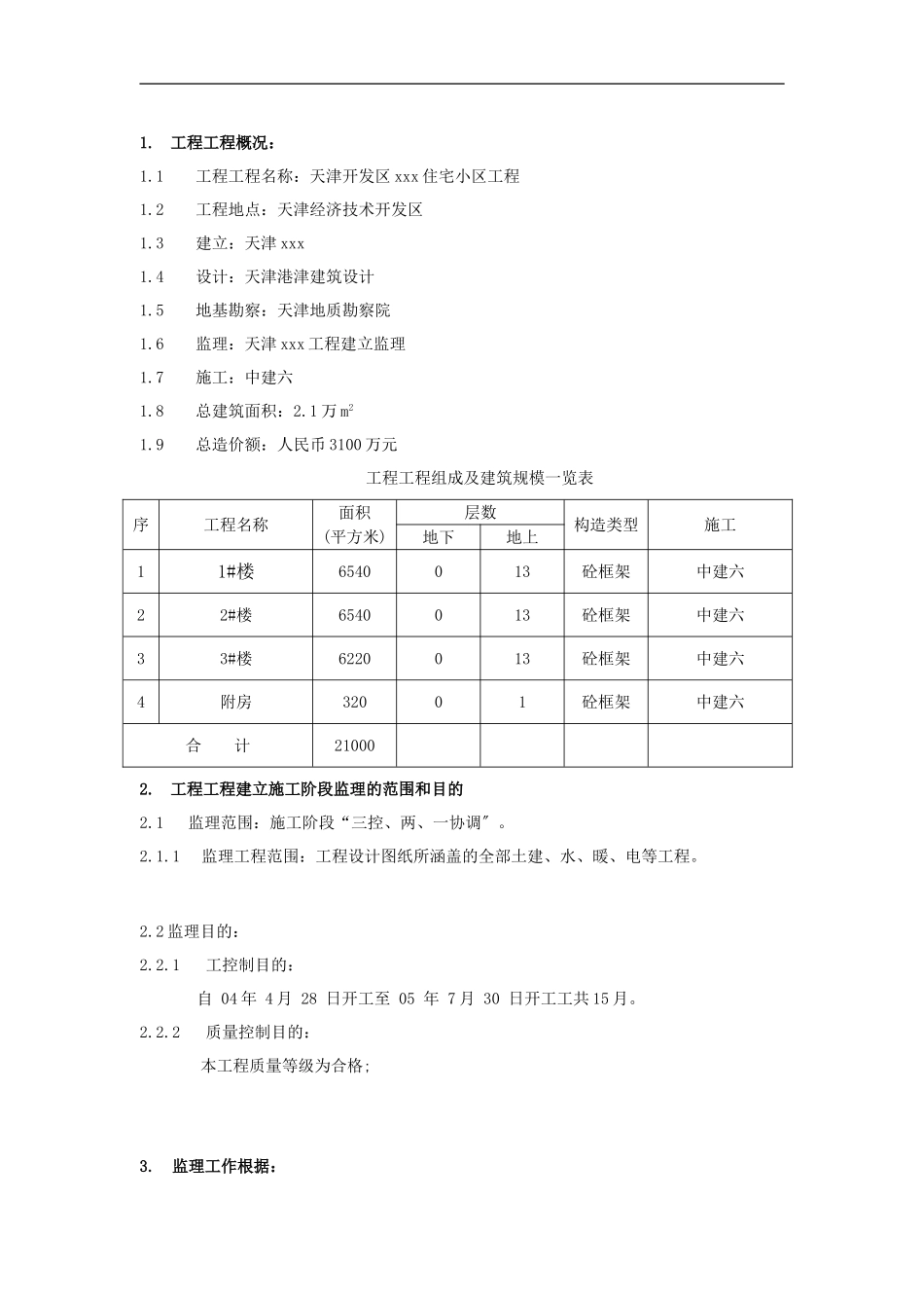
1.工程工程概况:1.1工程工程名称:天津开发区xxx住宅小区工程1.2工程地点:天津经济技术开发区1.3建立:天津xxx1.4设计:天津港津建筑设计1.5地基勘察:天津地质勘察院1.6监理:天津xxx工程建立监理1.7施工:中建六1.8总建筑面积:2.1万m21.9总造价额:人民币3100万元工程工程组成及建筑规模一览表序工程名称面积(平方米)层数构造类型施工地下地上11#楼6540013砼框架中建六22#楼6540013砼框架中建六33#楼6220013砼框架中建六4附房32001砼框架中建六合计210002.工程工程建立施工阶段监理的范围和目的2.1监理范围:施工阶段“三控、两、一协调〞。2.1.1监理工程范围:工程设计图纸所涵盖的全部土建、水、暖、电等工程。2.2监理目的:2.2.1工控制目的:自04年4月28日开工至05年7月30日开工工共15月。2.2.2质量控制目的:本工程质量等级为合格;3.监理工作根据:TIECSC天津国际工程建立监理3.1及地方有关工程建立的政策、法律、法、法规;3.2批准的建立方案、规划、设计;3.3与工程有关的设计图纸、设计变更;3.4地质勘探;3.5现行施工及验收、行业、质量评定;3.6建立与施工签定的施工承包合同;3.7经总监理工程师和建立批准的施工组织设计及施工方案;3.9委托监理合同。4.监理工作的主要内容:4.1施工准备阶段监理工作内容4.2质量控制监理工作内容:4.3进度控制监理工作内容:--24.4平安控制的监理工作内容:4.5合同理监理工作内容4.6信息理监理工作内容及时搜集、整理监理资料为工程监理提供及时、准确的工程信息。4.7协调甲方、施工及其它与本工程有关的互相关系。5.监理组组织形式:5.1监理组组织机构图:质量进度控制室专业监理工程师:秘连友、蔡振平、李海强、张金生屠宏计量造价控制室专业监理工程师:屠宏资料理控制室专业监理工程师:屠宏〔兼职〕张金生〔兼职〕李海强〔兼职〕总监理工程师张庆斌TIECSC天津国际工程建立监理5.2监理组人员装备方案5.1根据委托监理合同中规定,本工程应装备如下监理人员:打桩阶段4人;根底、主体、开工阶段5人。5.2按照本工程进度方案、开工面积、工程部位、工程特点制定监理组人员装备方案起止日开工面积万平工程部位工程特点监理人员人数合计土建水暖电资料其他04.4-04.52.1地基4兼职404.5-04.72.1根底511兼职504.7-05.12.1主体511兼职504.1-04.79431装修、室外511兼职55.3监理组人员岗位职责总监理工程师是派驻工地的工程监理组的总负责人在指导下对施行监理委托合同所规定的监理工作全权负责其岗位责任如下:a.主持编写工程监理规划,审批工程监理施行细那么.b.认真学习设计掌握工程概况及关键部位的技术要求。组织专业监理工程师熟悉设计对专业监理工程师提出的审查予以签认。参加设计交底会签认设计交底会。c.组织好现场的协调工作协调好各方的关系主持工地监理工作例会.组织施工进展分部、分项工程监理交底.d.审查施工提交的〞工程开工/复工报审表〞及相关资料,并签署审查.e.对“工程报验申请表〞、“监理工程师回复单〞、“工程材料/构配件/设备报审表〞中专业监理工程师的审查予以签认。--4f.审核〞施工组织设计(方案)报审表〞,〞分包资格报审表〞、进度方案及相关资料,并提出审核.g.签发〞监理工程师单〞、“工程暂停〞、“工程款支付证书〞、“监理工作联络单〞、工程结算审核等监理组对外发出的和指.h.审查和处理工程变更签发“工程变更单〞。i.主持或参与工程事故的调查与处理。j.调解建立和施工的合同争议、处理索赔、审批工程延。签发“工程临时〔最终〕延审批表〞、“费用索赔审批表〞。k.组织编写并签发监理月报、监理工作阶段、专题、和工程监理工作总结、分部工程、开工工程监理质量评估.l.记录总监理工程师监理日志m.审核签认分部工程和工程的质量检验评定资料.n.审查施工提交的“工程开工报验单〞及相关资料,并签署审查。组织监理人员对报验工程进展预验收,并签发“工程预验收〞。参与分部工程、开工工程验收并在工程〔分部〕开工验收上签署。o.主持整理工程工程的监理资料.监理组理职责a.总监理工程师〔以下简称总监〕应在的指导下坚决执行的各项理规定完成监理合同所约定的各工程标及下达的各项任务。按时参加总监会及时...

1、当您付费下载文档后,您只拥有了使用权限,并不意味着购买了版权,文档只能用于自身使用,不得用于其他商业用途(如 [转卖]进行直接盈利或[编辑后售卖]进行间接盈利)。
2、本站所有内容均由合作方或网友上传,本站不对文档的完整性、权威性及其观点立场正确性做任何保证或承诺!文档内容仅供研究参考,付费前请自行鉴别。
3、如文档内容存在违规,或者侵犯商业秘密、侵犯著作权等,请点击“违规举报”。

碎片内容

某开发区住宅小区工程监理规划

您可能关注的文档

确认删除?
VIP
微信客服
  • 扫码咨询
会员Q群
  • 会员专属群点击这里加入QQ群
客服邮箱
回到顶部