电脑桌面
添加小米粒文库到电脑桌面
安装后可以在桌面快捷访问

框架涵施工技术交底VIP免费

框架涵施工技术交底_第1页
1/8
框架涵施工技术交底_第2页
2/8
框架涵施工技术交底_第3页
3/8
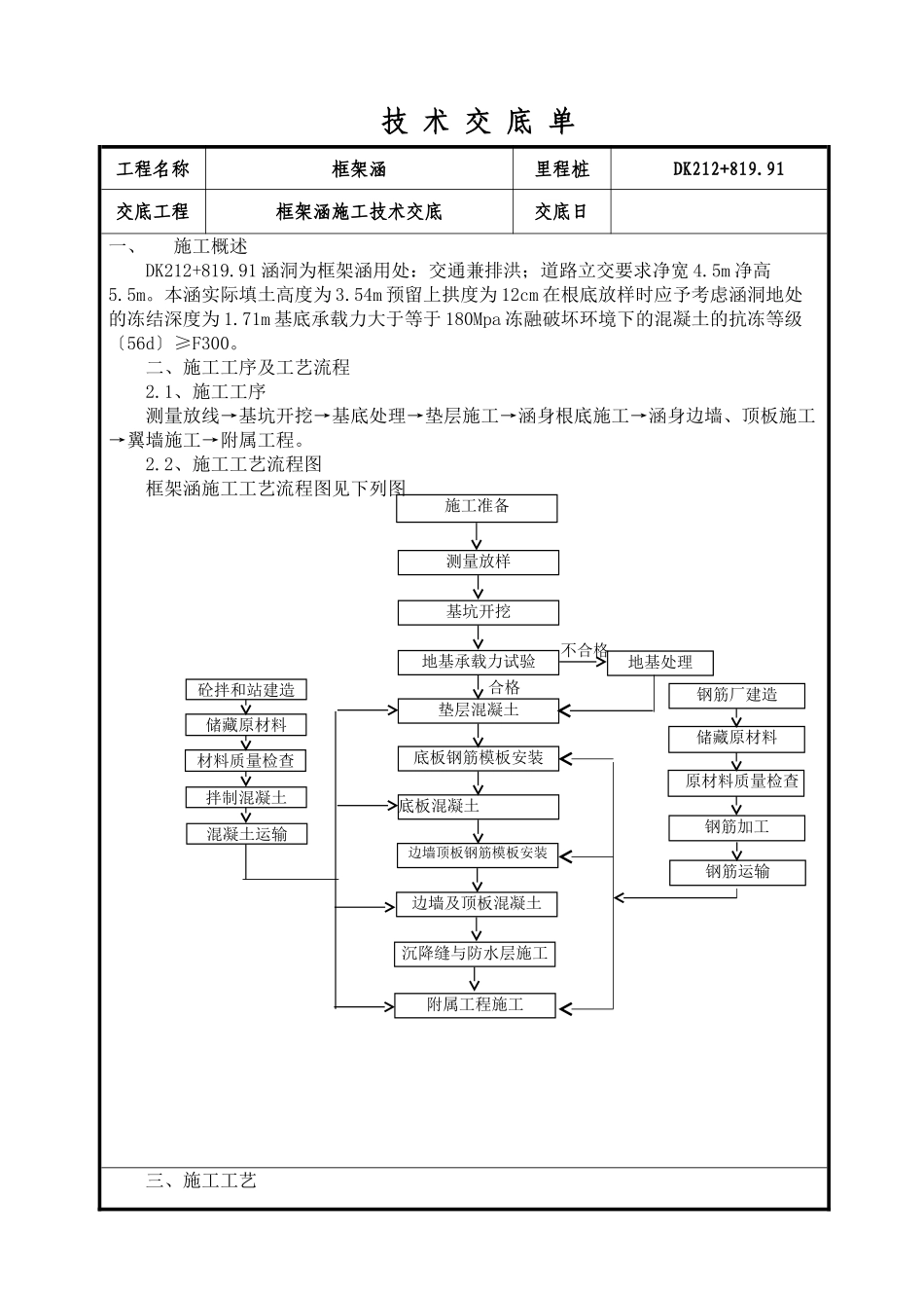
技术交底单工程名称框架涵里程桩DK212+819.91交底工程框架涵施工技术交底交底日一、施工概述DK212+819.91涵洞为框架涵用处:交通兼排洪;道路立交要求净宽4.5m净高5.5m。本涵实际填土高度为3.54m预留上拱度为12cm在根底放样时应予考虑涵洞地处的冻结深度为1.71m基底承载力大于等于180Mpa冻融破坏环境下的混凝土的抗冻等级〔56d〕≥F300。二、施工工序及工艺流程2.1、施工工序测量放线→基坑开挖→基底处理→垫层施工→涵身根底施工→涵身边墙、顶板施工→翼墙施工→附属工程。2.2、施工工艺流程图框架涵施工工艺流程图见下列图三、施工工艺合格边墙及顶板混凝土附属工程施工施工准备测量放样基坑开挖地基承载力试验垫层混凝土底板钢筋模板安装底板混凝土边墙顶板钢筋模板安装沉降缝与防水层施工砼拌和站建造储藏原材料材料质量检查拌制混凝土混凝土运输不合格地基处理钢筋厂建造储藏原材料原材料质量检查钢筋加工钢筋运输技术交底单工程名称框架涵里程桩DK212+819.91交底工程框架涵施工技术交底交底日3.1测量放样测量放样包括平面位置放线和标高测量控制。首先按图纸设计放出框架涵中桩然后用全站仪放出斜交〔或正交〕角度得出框架涵纵向中心线并且在框架涵一侧放出中线控制桩最后根据平面基线和标高放出基坑上口开挖线并撒上白灰线将开挖值和有关要求交待给施工人员经监理复查认可后进展开挖。3.2基坑开挖(1)基坑开挖采用机械开挖为主辅以人工开挖挖基过程中保持基坑排水设施的畅通在基坑四周设汇水明沟框架涵基坑内设集水井抽排明水。基坑开挖时合理确定开挖顺序分段、分层开挖;要按根底设计的平面尺寸每边放宽不小于50cm坑壁放坡坡度约为1:0.5。开挖距基底约30cm时进展水准测量做出开挖深度标识后人工清槽。开挖好的基坑做到基底无浮土和其它杂物。(2)基坑开挖尺寸按根底设计平面尺寸适当放宽无水基坑每边放宽不小于50cm;有水基坑每边放宽不小于80cm并在基坑设计尺寸以外留出汇水井位置。(3)基坑开挖到设计标高后应尽快进展自检、报检验收合格后立即进展后续施工。基坑质量及检验见下表。基坑质量及检验工程质量和检验根本要求1、基坑开挖不得扰动基底土壤防止超挖严禁用土回填。2、边坡坡度符合工艺设计要求平整部分超挖崁补结实无裂纹。3、基底不得浸水或冰冻。4、基底上的淤泥必须去除干净。其他不符合的杂物和旧桩必须去除。5、基底必须置于同一土层上。6、当发现基底地质不一样时应该采用钻孔探测的方式进展检验。基坑开挖允许偏差位允许偏向〔mm〕检测基底高程±50〔土〕;+50-100〔石〕水准仪测量纵横轴线50经纬仪测量纵横各测1点基坑尺寸不小于施工图标示值尺量每边各1点工程质量和检验3.3基底处理本框架涵要求基底持力层承载力必须大于等于180KPa根据设计图纸和涵洞基底承载力情况如基坑开挖后基底持力层承载力与设计不符时及时联络监理及设计到现场确定变更方案根据变更方案采取相应地基处理措施。3.4根底混凝土施工地基处理完成后测量放线定出根底各项尺寸的点位。按要求搭设模型并请现场监理工程师及专业监理工程师检查符合要求后方可进展混凝土施工。根底混凝土标为C30采技术交底单工程名称框架涵里程桩DK212+819.91交底工程框架涵施工技术交底交底日用拌和站集中拌制;混凝土罐车运至现场采用溜槽或混凝土泵车入模捣固工艺按要求进展。3.5模板及支架框架涵模板以钢模为主采用组合模板和特制异型钢模拼装辅以木模补缝应保证外观质量。(1)模板组装前进展调整并满涂脱模剂。检查好标高轴线在作业面上弹出模板内侧位置轴线底板凹凸不平处用1:3水泥砂浆找平。支撑柱下应加设垫板以防下沉。(2)模板自下而上顺序组装横向用U形卡纵向用L形插销连接转角处用阴角模板、角模板借U形卡拼接组成需要矩形截面再用钩头螺栓、板条式拉杆配合钢背带将模板连接成整体。(3)模板支撑时采用模板内外双支撑外侧采用φ50脚手架支撑内侧用方木作对口。边墙施工时在原地面搭设脚手架作为施工平台。模板接缝处架钢背带并加设方木和圆木支撑。用于支背带的间距75cm以确保模板刚度。模板安装允许偏向和检验序项目允许偏向〔mm〕检验1轴线位置5尺量每边不少于2处2外表平整度52m靠尺和塞尺不...

1、当您付费下载文档后,您只拥有了使用权限,并不意味着购买了版权,文档只能用于自身使用,不得用于其他商业用途(如 [转卖]进行直接盈利或[编辑后售卖]进行间接盈利)。
2、本站所有内容均由合作方或网友上传,本站不对文档的完整性、权威性及其观点立场正确性做任何保证或承诺!文档内容仅供研究参考,付费前请自行鉴别。
3、如文档内容存在违规,或者侵犯商业秘密、侵犯著作权等,请点击“违规举报”。

碎片内容

框架涵施工技术交底

您可能关注的文档

确认删除?
VIP
微信客服
  • 扫码咨询
会员Q群
  • 会员专属群点击这里加入QQ群
客服邮箱
回到顶部