电脑桌面
添加小米粒文库到电脑桌面
安装后可以在桌面快捷访问

给排水工程监理实施细则4VIP免费

给排水工程监理实施细则4_第1页
1/9
给排水工程监理实施细则4_第2页
2/9
给排水工程监理实施细则4_第3页
3/9
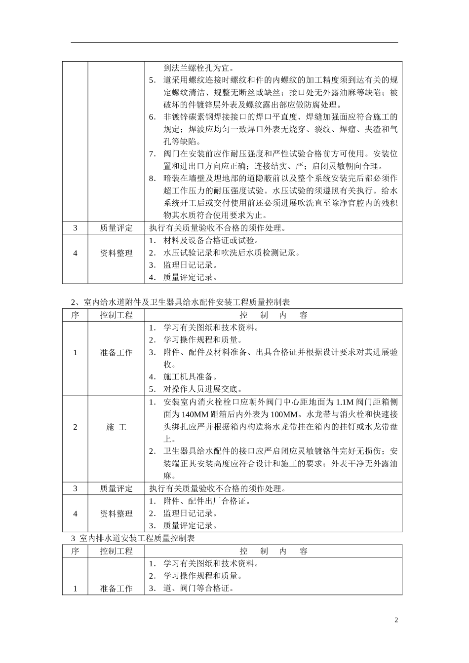
C13C13工程监理细那么监理细那么〔给排水工程〕内容提要:监理目的关键控制点监理措施其它工程监理部〔章〕:专业监理工程师:总监理工程师:日:江苏建立建立监理处监制第1页共9页给排水监理熟细那么一、工程概况:二、监理根据:监理时应以及地方的法律、法规及给排水工程有关的、以业主与承包商签定的合同为根据对工程质量、进度、施行监理。给排水工程监理的主要技术法规有:?建筑工程施工质量验收统一?GB50300-2001?建筑给水排水及采暖工程施工质量验收?GB50242-2002?PVC-U排水安装图集?苏S9702?给水排水图集合订本?S1—S3(2001版)?图集??建筑排水硬聚氯乙烯道设计规程?CJJ29-当地部门制订的地规建筑工程施工质量验收统一GB50300-2001三、施工阶段质量控制施行细那么:要求施工全面质量理建立健全质量保证体系做到开工有施工有措施技术有交底定位有检查材料、设备有试验隐蔽工程有记录质量有自检、专检交工有资料。针对本工程制定一套详细的、细致的质监措施:1.室内给水道安装工程质量控制表:序控制工程控制内容1准备工作1.学习有关图纸和技术资料。2.学习操作规程和质量。3.材、阀门以及其他材料和设备的准备。生活饮用水道采用PPR热熔连接。消防道采用镀锌钢丝接或卡箍连接。道上的阀门:径小于或等于50MM时宜采用截止阀径大于50MM时宜采用闸阀或蝶阀。阀门在使用前进展现场抽检。材料和设备在使用和安装前应按设计要求核验规格、型和质量。4.施工机具准备。5.对操作人员进展交底。2施工1.道程度安装部应按设计要求留有适宜的坡度且其坡向应正确。2.道支〔吊、托〕及座〔墩〕的构造须符合设计要求埋设应平整结实排列整齐支架与子接触严。道及座〔墩〕严禁铺设在冻土和未经处理的松土上。3.镀锌钢应采用螺纹连接不能采用焊接接口;一般碳素钢可用螺纹连接、法兰连接或焊接等。4.道采用法兰连接时法兰应垂直于子中心线其外表应互相平行对接严;螺母在同侧螺杆露出螺母长度一致且不大于螺杆直径的1/2。衬垫的材质须符合设计要求给水道宜采用橡胶垫热水供给道宜采用橡胶石棉垫;不得放置斜面衬垫;衬垫不得突入内其外圆1到法兰螺栓孔为宜。5.道采用螺纹连接时螺纹和件的内螺纹的加工精度须到达有关的规定螺纹清洁、规整无断丝或缺丝;接口处无外露油麻等缺陷;被破坏的件镀锌层外表及螺纹露出部应做防腐处理。6.非镀锌碳素钢焊接接口的焊口平直度、焊缝加强面应符合施工的规定;焊波应均匀一致焊口外表无烧穿、裂纹、焊瘤、夹渣和气孔等缺陷。7.阀门在安装前应作耐压强度和严性试验合格前方可使用。安装位置和进出口方向应正确;连接结实、严;启闭灵敏朝向合理。8.暗装在墙壁及埋地部的道隐蔽前以及整个系统安装完后都必须作超工作压力的耐压强度试验。水压试验的须遵照有关执行。给水系统开工后或交付使用前还必须进展吹洗直至除净官腔内的残积物其水质符合使用要求为止。3质量评定执行有关质量验收不合格的须作处理。4资料整理1.材料及设备合格证或试验。2.水压试验记录和吹洗后水质检测记录。3.监理日记记录。4.质量评定记录。2、室内给水道附件及卫生器具给水配件安装工程质量控制表序控制工程控制内容1准备工作1.学习有关图纸和技术资料。2.学习操作规程和质量。3.附件、配件及材料准备、出具合格证并根据设计要求对其进展验收。4.施工机具准备。5.对操作人员进展交底。2施工1.安装室内消火栓栓口应朝外阀门中心距地面为1.1M阀门距箱侧面为140MM距箱后内外表为100MM。水龙带与消火栓和快速接头绑扎应严并根据箱内构造将水龙带挂在箱内的挂钉或水龙带盘上。2.卫生器具给水配件的接口应严启闭应灵敏镀铬件完好无损伤;安装端正其安装高度应符合设计和施工的要求;外表干净无外露油麻。3质量评定执行有关质量验收不合格的须作处理。4资料整理1.附件、配件出厂合格证。2.监理日记记录。3.质量评定记录。3室内排水道安装工程质量控制表序控制工程控制内容1准备工作1.学习有关图纸和技术资料。2.学习操作规程和质量。3.道、阀门等合格证。24.施工机具准备。5.对操作人员进展交底。2施工1.污水道及雨水道均须按设计要求或施工规定留...

1、当您付费下载文档后,您只拥有了使用权限,并不意味着购买了版权,文档只能用于自身使用,不得用于其他商业用途(如 [转卖]进行直接盈利或[编辑后售卖]进行间接盈利)。
2、本站所有内容均由合作方或网友上传,本站不对文档的完整性、权威性及其观点立场正确性做任何保证或承诺!文档内容仅供研究参考,付费前请自行鉴别。
3、如文档内容存在违规,或者侵犯商业秘密、侵犯著作权等,请点击“违规举报”。

碎片内容

给排水工程监理实施细则4

您可能关注的文档

确认删除?
VIP
微信客服
  • 扫码咨询
会员Q群
  • 会员专属群点击这里加入QQ群
客服邮箱
回到顶部