电脑桌面
添加小米粒文库到电脑桌面
安装后可以在桌面快捷访问

室外给排水工程施工质量监理实施细则mVIP免费

室外给排水工程施工质量监理实施细则m_第1页
1/5
室外给排水工程施工质量监理实施细则m_第2页
2/5
室外给排水工程施工质量监理实施细则m_第3页
3/5
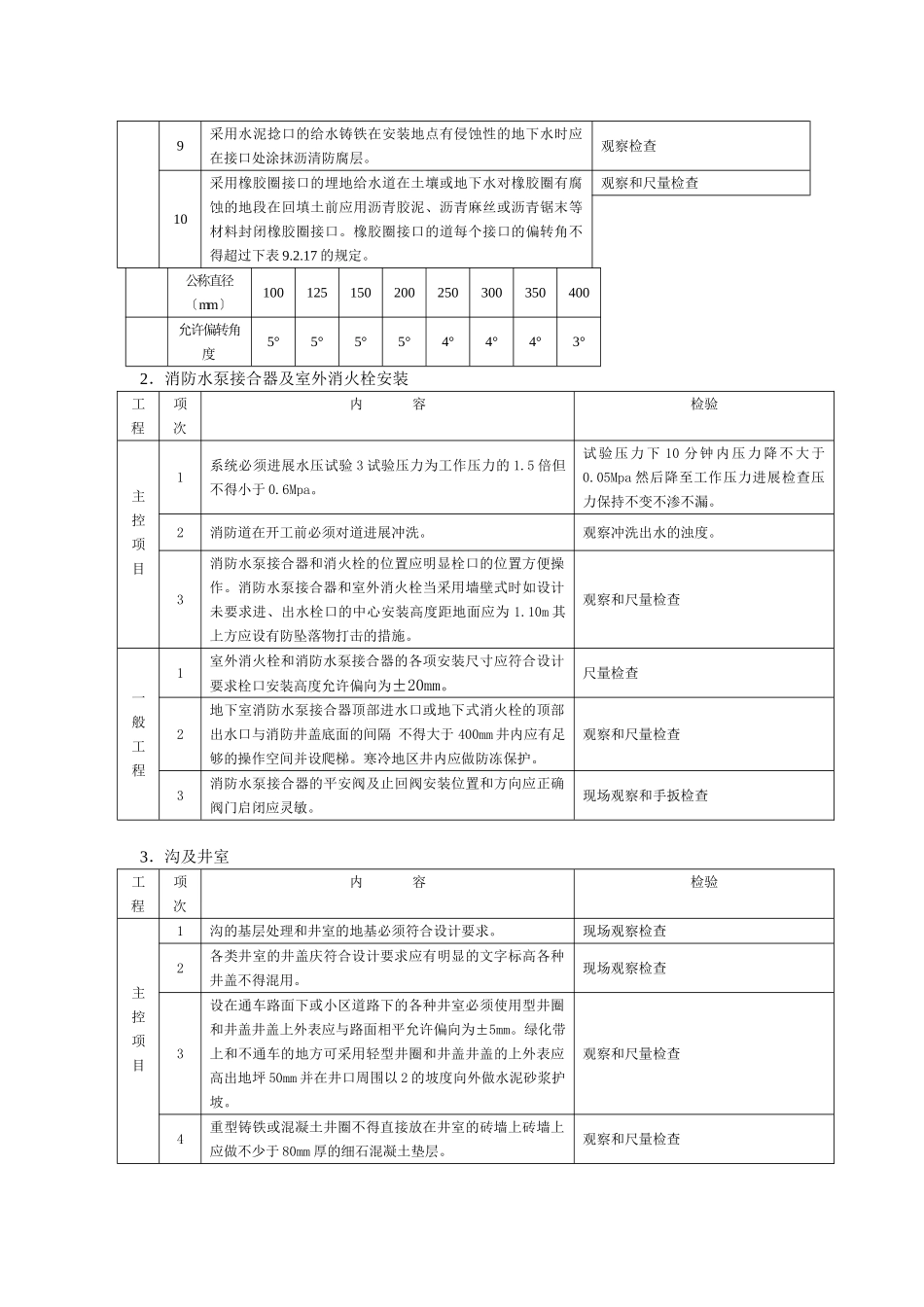
十、室外给排水工程施工质量监理施行细那么适用于民用建筑群〔住宅小区〕及厂区的室外给排水网安装、消防水泵结合器及室外消火栓安装、室外沟及井室、室外排水沟及井池工程的质量检验与验收。1.给水道安装工程项次质量标准检验主控工程1给水道在埋地敷设时应在当地的冰冻线以下如必须在冰冻线以上敷设时应做可靠的保温防潮措施。在无冰冻地区埋地敷设时径的覆土埋深不得小于500mm道路部位的埋深不得小于700mm。现场观察检查2给水道不得直接污水井、化粪池、公共厕所等污染源。观察检查3道接口法兰、卡口、卡箍等应安装在检查井或地沟内不应埋在土壤中。观察检查4给水系统各种井室内的道安装如设计无要求井壁距法兰或承口的间隔:径小于或等于450mm时不得小于250mm;径大于450mm时不得小于350mm。尺量检查5网必须进展水压试验试验压力为工作压力的1.5倍但不得小于0.6Mpa。旁站水压试验6镀锌钢、钢的埋地防腐必须符合设计要求如设计无要求时可按下表9.2.6的规定执行。卷材与材间应粘贴结实无空鼓、滑移、接口不严等。观察和切开防腐层检查防腐层层次政防腐层加强防腐层特加强防腐层〔从金属外表起〕1冷底子油冷底子油冷底子油2沥青涂层沥青涂层沥青涂层3外包保护层加强包扎层加强保护层〔封闭层〕〔封闭层〕4沥青涂层沥青涂层5外保护层加强包扎层6〔封闭层〕沥青涂层7外包保护层防腐层厚度不小于〔mm〕3697给水道在开工后必须对道进展冲洗饮用水道还要在冲洗后进展消满足饮用水卫生要求。观察冲洗水的浊度有关部门提供的检验。一般工程1道的坐标、标高、坡度应符合设计要求道安装的允许偏向应符合下表9.2.8的规定项次项目允许偏向〔mm〕检验①坐铸铁埋地100拉线和尺量检查标敷设在沟槽内50钢、塑料、复合埋地100敷设在沟槽内40②标高铸铁埋地±50拉线和尺量检查铺设在沟槽内±30钢、塑料、复合埋地±50铺设在沟槽内±30③程度纵横向弯曲铸铁直段〔25m以上〕起点~终点40拉线和尺量检查铸铁直段〔25m以上〕起点~终点302道和金属支架的涂漆应附着良好无脱皮、起泡、流淌和漏涂等缺陷。现场观察检查3道连接应符合工艺要求阀门、水表等安装位置应正确塑料给水道上的水表、阀门等设施其重量或启闭装置的扭矩不得作用于道上当径≥50mm时必须设的支承装置。现场观察检查4给水道与污水道在不同标高平行敷设其垂直间距在500mm以内时给水径小于或等于200mm的壁程度间距不得小于1.5m;径大于200mm的不得小于3m。观察和尺量检查5铸铁承插捻口连接的对口间隙应不小于3mm间隙不得大于下表9.2.12的规定。径〔mm〕沿直线敷设〔mm〕沿曲线敷设〔mm〕尺量检查7545100-25057-13300-500614-226铸铁沿直线敷设承插捻口连接的环型间隙应符合下表9.2.13的规定;没曲线敷设每个接口允许有2°转角。径〔mm〕环型〔mm〕允许偏向〔mm〕尺量检查75~20010+3-2250~45011+4-250012+4-27捻口用的油麻填料必须清洁填料后应捻实其深度占整个环型间隙深度的1/3。观察和尺量检查8捻口用水泥强度应不低于32.5Mpa接口水泥应实饱满其接口水泥面凹入承口边缘的深度不得大于2mm。观察和尺量检查。9采用水泥捻口的给水铸铁在安装地点有侵蚀性的地下水时应在接口处涂抹沥清防腐层。观察检查10采用橡胶圈接口的埋地给水道在土壤或地下水对橡胶圈有腐蚀的地段在回填土前应用沥青胶泥、沥青麻丝或沥青锯末等材料封闭橡胶圈接口。橡胶圈接口的道每个接口的偏转角不得超过下表9.2.17的规定。观察和尺量检查公称直径〔mm〕100125150200250300350400允许偏转角度5°5°5°5°4°4°4°3°2.消防水泵接合器及室外消火栓安装工程项次内容检验主控项目1系统必须进展水压试验3试验压力为工作压力的1.5倍但不得小于0.6Mpa。试验压力下10分钟内压力降不大于0.05Mpa然后降至工作压力进展检查压力保持不变不渗不漏。2消防道在开工前必须对道进展冲洗。观察冲洗出水的浊度。3消防水泵接合器和消火栓的位置应明显栓口的位置方便操作。消防水泵接合器和室外消火栓当采用墙壁式时如设计未要求进、出水栓口的中心安装高度距地面应为1.10m其上方应设有防坠落物打击的措施。观察和尺量检查一般工程1室外消火栓和消防水泵接合器的各项安装尺寸应符合设计...

1、当您付费下载文档后,您只拥有了使用权限,并不意味着购买了版权,文档只能用于自身使用,不得用于其他商业用途(如 [转卖]进行直接盈利或[编辑后售卖]进行间接盈利)。
2、本站所有内容均由合作方或网友上传,本站不对文档的完整性、权威性及其观点立场正确性做任何保证或承诺!文档内容仅供研究参考,付费前请自行鉴别。
3、如文档内容存在违规,或者侵犯商业秘密、侵犯著作权等,请点击“违规举报”。

碎片内容

室外给排水工程施工质量监理实施细则m

您可能关注的文档

教育教学文库+ 关注
实名认证
内容提供者

本店有大量的教育教学资料,课件

确认删除?
VIP
微信客服
  • 扫码咨询
会员Q群
  • 会员专属群点击这里加入QQ群
客服邮箱
回到顶部