电脑桌面
添加小米粒文库到电脑桌面
安装后可以在桌面快捷访问

杭政储出地块商业金融用房工程监理月报VIP免费

杭政储出地块商业金融用房工程监理月报_第1页
1/8
杭政储出地块商业金融用房工程监理月报_第2页
2/8
杭政储出地块商业金融用房工程监理月报_第3页
3/8
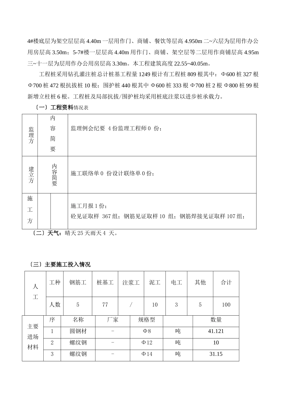
监理月报第〔一〕2011年3月1日~2011年3月25日工程名称:杭政储出2007】7地块商业金融用房。建立:杭州钱江西源房地产开发。设计:浙江绿城东方建筑设计。监理:浙江泛华监理工程。承包:浙江大华建立集团。内容提要一、本月工程概况二、工程进度三、工程质量四、工程计量与工程款支付五、合同其它事项的处理情况六、平安文明施工七、本月监理工作小结八、工程形象进度影像资料一、本月工程概况杭政储出2007】7#地块位于杭州西湖区浙大科技园老和山区块山路以南华超路以西。总建筑面积93761.2m2其中地下面积31804m2地上面积61957.2m2。本工程地下共二层地上七幢主楼分别为1-4#楼位于场地南面临近西溪路为地上6层5-7#楼位于场地北面临近山路为地上11层。本工程地下室为地下二层地下二层板面标高-0.050m(绝对标高)层高3.75m地下一层板板面标高3.700m层高3.80m地下室内设停车库、消防水池、人防设施配电用房等。1-4#楼底层为架空层层高4.40m一层用作门、商铺、餐饮等层高4.950m二~六层为层用作办公用房层高3.50m;5-7#楼一层层高4.40m用作门、商铺、架空层等二层用作商铺层高4.95m三~十一层为层用作办公用房层高3.30m。本工程建筑高度22.55~40.05m。工程桩采用钻孔灌注桩总计桩基工程量1249根计有工程桩809根其中:Φ600桩327根Φ700桩472根抗拔桩10根;围护桩440根其中Φ600桩333根Φ700桩2根Φ800桩99根新增立柱桩6根。工程桩及局部抗拔/围护桩均采用桩底注浆以进步桩承载力。〔一〕工程资料情况表监理方内容简要监理例会纪要4份监理工程师0份;建立方内容简要施工联络单0份设计联络单0份;施工方施工月报1份;砼见证取样367组;钢筋见证取样10组;钢筋焊接见证取样107组;〔二〕天气:晴天25天雨天4天。〔三〕主要施工投入情况人工工种钢筋工桩基工注浆工泥工电工其他合计人数577/1035100主要进场材料序名称厂家规格型数量1圆钢材-Φ8吨41.1212螺纹钢-Φ12吨103螺纹钢-Φ14吨31.154螺纹钢-Φ16吨54.4465镙纹钢-Φ20吨41.586螺纹钢-Φ25吨31.194进场材料/机械名称名称数量水泥搅拌桩机台1二、工程进度〔一〕土建1、本月进度情况本月主要进展桩根底施工。到3月25日止完成工程桩367根围护桩182根累计成桩549根。本月完成工程桩359根围护桩172根累计成桩531根。根据目前状态按方案要求全部完毕施工。桩型桩径总桩数本月成桩数累计成桩数修改后总桩数围护桩工程桩试验桩围护桩工程桩试验桩围护桩工程桩试验桩围护桩600333145155无333//围护桩7002无2//围护桩800992727无99//工程60032717221772无桩/327/工程桩70047218231853无/472/抗拔桩10无/10/立柱桩6无/6/合计1249根5315491249根备注2、进度方案完成情况分析根据建立在会议上的要求按总进度方案要求及每周方案工程量相比拟至3月25日止根据目前施工进度情况。施工进度方案根本满足原定工方案要求。3、工程进度控制的措施〔1〕在监理例会中要求施工做好各工种之间协调工作加强工序流程理组织好工程进度的施行。〔2〕监理在平时沟通及会议上从组织、技术等方面采取措施促使桩基加快工作进度。〔3〕监理人员加强巡检、预检严格施行隐蔽验收对在检查过程现的问题及时桩机班组人员以利于及时给予完善、整改尽量防止出现返工现象而延误工。〔4〕催促做好材料进场验收见证取样复试方面的工作以免因材料原因影响工拖延。〔5〕组织协调原材料〔钢筋、商品砼等〕及时供给做到预先方案提早进场。〔6〕要求施工根据总方案要求编制实在可行阶段进度方案、月进度方案及周进度方案按工程实际进展及时调整现场作业机械、人员的投入。〔7〕加强与监理及建立的协调和沟通催促现场人员对工程的理控制。三、工程质量〔一〕本月土建工程质量控制情况我监理在3月份的监理工作中严格按照桩基施工和工程设计加强监理力度明确职责分工工作人员坚守岗位实行全过程24小时值班监理在工作中亲配合、协调为了有序理建立控制流程强调程序性、工作量完成统计表并建立全面的技术资料台帐等通过这些促使桩基施工工作有条不紊进展施工情况一目了然便于对照分析及时纠正偏向对水下砼浇灌进展了全过程配合监理旁站并对进场材料〔如钢筋、水泥、混凝土等〕在使用前严格检查...

1、当您付费下载文档后,您只拥有了使用权限,并不意味着购买了版权,文档只能用于自身使用,不得用于其他商业用途(如 [转卖]进行直接盈利或[编辑后售卖]进行间接盈利)。
2、本站所有内容均由合作方或网友上传,本站不对文档的完整性、权威性及其观点立场正确性做任何保证或承诺!文档内容仅供研究参考,付费前请自行鉴别。
3、如文档内容存在违规,或者侵犯商业秘密、侵犯著作权等,请点击“违规举报”。

碎片内容

杭政储出地块商业金融用房工程监理月报

您可能关注的文档

确认删除?
VIP
微信客服
  • 扫码咨询
会员Q群
  • 会员专属群点击这里加入QQ群
客服邮箱
回到顶部