电脑桌面
添加小米粒文库到电脑桌面
安装后可以在桌面快捷访问

高速公路桥梁工程施工表格VIP免费

高速公路桥梁工程施工表格_第1页
1/62
高速公路桥梁工程施工表格_第2页
2/62
高速公路桥梁工程施工表格_第3页
3/62
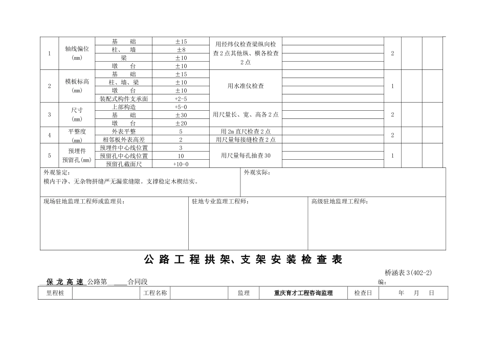
桥涵表公路工程桥梁总体检查表桥涵表1(401-1)_保龙高速公路第合同段编:里程桩工程名称监理重庆育才工程咨询监理检查日年月日项次检查工程规定值或允许偏向检查和频率检查结果权值合格率实得分1桥面中线偏位(mm)20用全站仪或经纬仪:检查3~8处22桥宽(mm)车行道±10尺量:每孔3~5处2人行道±103桥长(mm)+300-100全站仪或经纬仪、钢尺:检查中心线14引道中心线与桥梁中心线的衔接(mm)20尺量:分别将引道中心线和桥梁中心线延长至桥长端部比拟其平面位置25桥头高程衔接(mm)±3水准仪:在桥头搭板范围内顺延桥面纵坡每米1点测量标高2外观鉴定:(1)桥梁的内外轮廓线条应顺滑明晰无突变、明显折变或反复现象不符合要求时减1~3分;(2)栏杆、防护栏、灯柱和缘石的线形顺滑流畅无折弯现象不符合要求时减1~3分;(3)踏步顺直与边坡一致不符合要求时减1~2分。现场驻地监理工程师或监理员:驻地专业监理工程师:高级驻地监理工程师:公路工程模板安装检查表桥涵表2(402-1)保龙高速公路第____合同段编:里程桩工程名称监理重庆育才工程咨询监理检查日年月日项次检查项目规定值或允许偏向检查和频率检查结果权值合格率实得分1轴线偏位(mm)基础±15用经纬仪检查梁纵向检查2点其他纵、横各检查2点2柱、墙±8梁±10墩台±102模板标高(mm)基础±15用水准仪检查1柱、墙、梁±10墩台±10装配式构件支承面+2-53尺寸(mm)上部构造+5-0用尺量长、宽、高各2点2基础±30墩台±204平整度(mm)外表平整5用2m直尺检查2点2相邻板外表高差2用尺量每接缝检查2点5预埋件预留孔(mm)预埋件中心线位置3用尺量每孔抽查301预留孔中心线位置10预留孔截面尺+10-0外观鉴定:模内干净、无杂物拼缝严无漏浆缝隙。支撑稳定木楔结实。外观实际:现场驻地监理工程师或监理员:驻地专业监理工程师:高级驻地监理工程师:公路工程拱架、支架安装检查表桥涵表3(402-2)__保龙高速公路第__合同段编:里程桩工程名称监理重庆育才工程咨询监理检查日年月日项次检查项目规定值或允许偏向检查和频率检查结果权值合格率实得分1高程(mm)+20-10用水准仪:每跨至少测5点22跨径(mm)0-20用测距仪:每跨抽查3片13纵轴的平面位置(mm)跨径的1/1000或30用经纬仪检查1外观鉴定:支撑稳定、木楔结实。外观实际:现场驻地监理工程师或监理员:驻地专业监理工程师:高级驻地监理工程师:公路工程钢筋加工及安装检查表桥涵表4(403-8)_保龙高速公路第__合同段编:里程桩工程名称监理重庆育才工程咨询监理检查日年月日项次检查项目规定值或允许偏向检查和频率检查结果权值合格率实得分1△受力钢筋间距(mm)两排以上排距±5每构件检查2个断面用尺量3同排梁板、拱肋±10根底、锚碇±20灌注柱±202箍筋、横向程度钢筋、螺旋筋间距箍筋、程度筋±10每构件检查5~10个间距用尺量2螺旋筋±103钢筋骨架尺寸长±10按骨架总数30抽查用尺量1宽、高或直径±54弯起钢筋位置(mm)±20尺量:按骨架抽查3025△保护层厚度(mm)柱、梁、拱肋±5每构件沿模板周边检查8处用尺量3根底、锚碇、墩台±10板±3外观鉴定:﹝1﹞钢筋外表应无浮皮、铁锈及焊缝不符合要求时减1~3分;﹝2﹞多层钢筋网要有足够的钢筋支撑以保证骨架的施工钢度不符合要求时减1~3分。外观实际:现场驻地监理工程师或监理员:驻地专业监理工程师:高级驻地监理工程师:公路工程钢筋网检查、预制桩钢筋检查表桥涵表5(403-12)__保龙高速公路第__合同段编:里程桩工程名称监理重庆育才工程咨询监理检查日年月日钢筋网检查表项次检查项目规定值或允许偏向检查和频率检查结果权值合格率实得分1网的长、宽(mm)±10用尺量:全部检查12网眼尺寸(mm)±10用尺量、抽查3个网眼13对角线差(mm)15用尺量、抽查3个网眼对角线1预制桩钢筋检查表项次检查项目规定值或允许偏向检查和频率检查结果权值合格率实得分1纵钢筋间距(mm)±5用尺量3个断面32箍筋、螺旋筋间距(mm)箍筋±10用尺量5个间距2螺旋筋±103纵向钢筋保护层厚度〔mm〕±5用尺量3个断面每断面4处34桩顶钢筋网片位置(mm)〔mm〕〔mm〕〔mm〕±5用尺量:每桩15桩尖纵向钢筋位置〔mm〕±5用尺量:每桩1外观鉴定:(1)钢筋外表应无浮皮、铁锈及焊渣不符合要求时减1~3分。...

1、当您付费下载文档后,您只拥有了使用权限,并不意味着购买了版权,文档只能用于自身使用,不得用于其他商业用途(如 [转卖]进行直接盈利或[编辑后售卖]进行间接盈利)。
2、本站所有内容均由合作方或网友上传,本站不对文档的完整性、权威性及其观点立场正确性做任何保证或承诺!文档内容仅供研究参考,付费前请自行鉴别。
3、如文档内容存在违规,或者侵犯商业秘密、侵犯著作权等,请点击“违规举报”。

碎片内容

高速公路桥梁工程施工表格

您可能关注的文档

确认删除?
VIP
微信客服
  • 扫码咨询
会员Q群
  • 会员专属群点击这里加入QQ群
客服邮箱
回到顶部