电脑桌面
添加小米粒文库到电脑桌面
安装后可以在桌面快捷访问

制冷管道安装施工交底记录VIP免费

制冷管道安装施工交底记录_第1页
1/11
制冷管道安装施工交底记录_第2页
2/11
制冷管道安装施工交底记录_第3页
3/11
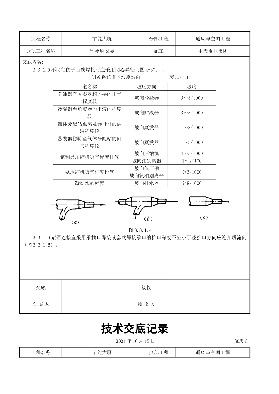
技术交底记录2021年10月15日施表5工程名称节能大厦分部工程通风与空调工程分项工程名称制冷道安装施工中天宝业集团交底内容:1、根据:?建筑工程施工质量验收统一?GB50300-2001?通风与空调工程施工质量验收?GB50243-20022、施工准备2.1材料及主要机具2.1.1所采用的子和焊接材料应符合设计规定并具有出厂合格证明或质量鉴定。2.1.2制冷系统的各类阀件必须采用专用并有出厂合格证。2.1.3无缝钢内外外表应无显著腐蚀、无裂纹、重皮及凹凸不平等缺陷。2.1.4铜内外壁均应光洁、无疵孔、裂缝、结疤、层裂或气泡等缺陷。2.1.5施工机具:卷扬机、空气压缩机、真空泵、砂轮切割机、手砂轮、压力工作台、倒链、台钻、电锤、坡口机、铜板边器、手锯、套丝板、钳子、套筒扳手、梅花扳手、活扳子、程度尺、铁锤、电气焊设备等。2.1.6测量工具:钢直尺、钢卷尺、角尺、半导体测温计、形压力计等。2.2作业条件2.2.1设计图纸、技术齐全制冷工艺及施工程序清楚。2.2.2建筑构造工程施工完毕室内装修根本完成与道连接的设备已安装找正完毕道穿过构造部位的孔洞已配合预留尺寸正确。预埋件设置恰当符合制冷道施工要求。2.2.3施工准备工作完成材料送至现场。3、操作工艺3.1工艺流程:预检→施工准备→道等安装→系统吹污→系统气性试验→系统抽真空→道防腐→系统充制冷制→检验交底接收交底人接收人技术交底记录2021年10月15日施表5工程名称节能大厦分部工程通风与空调工程分项工程名称制冷道安装施工中天宝业集团交底内容:3.2施工准备3.2.1认真熟悉图纸、技术资料搞清工艺流程、施工程序及技术质量要求。3.2.3按施工图所示道位置、标高、测量放线、查找出支吊架预埋铁件。3.2.3制冷系统的阀门安装前应按设计要求对型、规格进展核对检查并按照要求做好清洗和严性试验。3.2.4制冷剂和光滑油系统的子、件应将内外壁铁锈及污物去除干净除完锈的子应将口封闭并保持内外壁枯燥。3.2.5按照设计规定预制加工支吊架、须保温的道、支架与子接触处应用经防腐处理的木垫隔垫。木垫厚度应与保温层厚度一样。支吊架型式间距见表3.2.5。制冷道支吊架间距表表3.2.5径〔mm〕<φ38×2.5φ45×2.5φ57×3.5φ76×3.5φ×3.5φ108×4φ133×4φ159×4.5φ129×6>φ77×7道支、吊架间距〔m〕1.01.52.02.53456.53.3制冷系统道、阀门、仪表安装。3.3.1道安装:3.3.1.1制冷系统道的坡度及坡向如设计无明确规定应满足表3.3.1.1要求。3.3.1.2制冷系统的液体安装不应有部分向上凸起的弯曲现象以免形成气囊。气体不应有部分向下凹的弯曲现象。以免形成液囊。3.3.1.3从液体干引出支应从干底部或侧面接出从气体干引出支应从干上部或侧面接出。3.3.1.4道成三通连接时应将支按制冷剂流向弯成弧形再行焊接〔图3.3.1.4a〕当支与干直径一样且道内径小于50mm时那么需在干的连接部位换上大一径的段再按以上规定进展焊接〔图3.3.1.4b〕。交底接收交底人接收人技术交底记录2021年10月15日施表5工程名称节能大厦分部工程通风与空调工程分项工程名称制冷道安装施工中天宝业集团交底内容:3.3.1.5不同径的子直线焊接时应采用同心异径〔图4-37c〕。制冷系统道的坡度坡向表3.3.1.1道名称坡度方向坡度分油器至冷凝器相连接的排气程度段坡向冷凝器3~5/1000冷凝器至贮液器的出液的程度段坡向贮液器3~5/1000液体分配站至蒸发器[排]的供液程度段坡向蒸发器1~3/1000蒸发器[排]至气体分配站的回气程度段坡向蒸发器1~3/1000氟利昂压缩机吸气程度排气坡向压缩机坡向油别离器4~5/10001~2/100氨压缩机吸气程度排气坡向低压桶坡向氨油别离器≥3/1000凝结水的程度坡向排水器≥8/1000图3.3.1.43.3.1.6紫铜连接宜采用承插口焊接或套式焊接承口的扩口深度不应小于径扩口方向应迎介质流向〔图3.3.1.6〕。交底接收交底人接收人技术交底记录2021年10月15日施表5工程名称节能大厦分部工程通风与空调工程分项工程名称制冷道安装施工中天宝业集团交底内容:图3.3.1.63.3.1.7紫铜切口外表应平齐不得有毛刺、凹凸等缺陷。切口平面允许倾斜偏向为子直径的1。3.3.1.8紫铜煨弯可用热弯或冷弯随圆率不应大于8。3.3.2阀门安装:3.3.2.1阀门安装位置、方向、高度应符合设计要...

1、当您付费下载文档后,您只拥有了使用权限,并不意味着购买了版权,文档只能用于自身使用,不得用于其他商业用途(如 [转卖]进行直接盈利或[编辑后售卖]进行间接盈利)。
2、本站所有内容均由合作方或网友上传,本站不对文档的完整性、权威性及其观点立场正确性做任何保证或承诺!文档内容仅供研究参考,付费前请自行鉴别。
3、如文档内容存在违规,或者侵犯商业秘密、侵犯著作权等,请点击“违规举报”。

碎片内容

制冷管道安装施工交底记录

您可能关注的文档

确认删除?
VIP
微信客服
  • 扫码咨询
会员Q群
  • 会员专属群点击这里加入QQ群
客服邮箱
回到顶部