电脑桌面
添加小米粒文库到电脑桌面
安装后可以在桌面快捷访问

路基工程基础及下部构造技术交底VIP免费

路基工程基础及下部构造技术交底_第1页
1/27
路基工程基础及下部构造技术交底_第2页
2/27
路基工程基础及下部构造技术交底_第3页
3/27
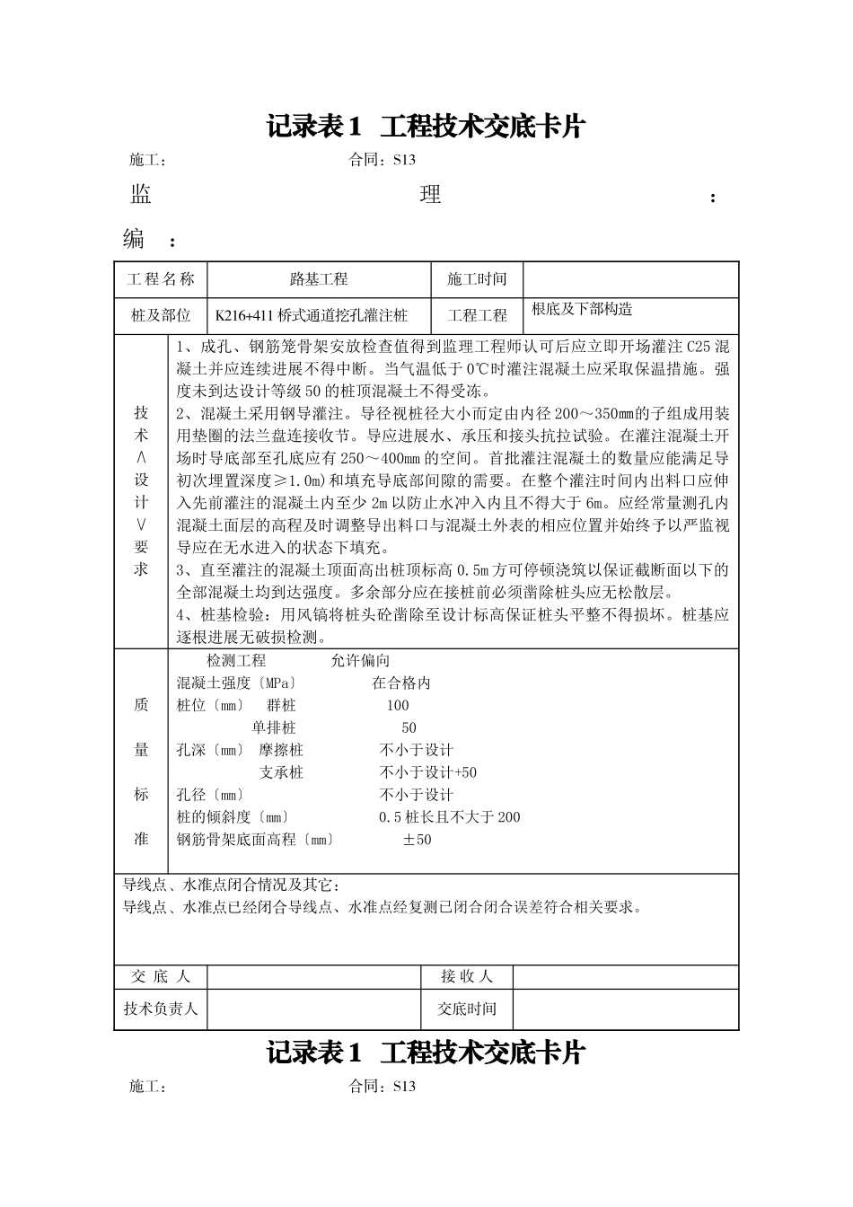
记录表1工程技术交底卡片施工:中交一公桥隧工程邢汾高速L12标工程经理部合同:S12监理:山东信诚监理咨询中心编:安字001工程名称路基工程施工时间桩及部位K216+411桥式通道挖孔工程工程根底及下部构造技术∧设计∨要求1、挖孔灌注桩适用无地下水或少量地下水且较实的土层或分化岩层中。假设孔内产生的空气污染物超过现行规定的三级浓度限值时必须采取通风措施。2、挖孔直径:应按照设计规定。挖孔过程中应经常检查桩孔尺寸、平面位置和数轴线倾斜情况如有偏向应及时纠正。3、桩基应逐根进展无破损检测。4、挖孔施工地质无土石孔壁从上到下必须全部采用砼进展防护护壁砼强度等级不得低于桩基砼强度护壁厚度不得小于10cm砼用搅拌机进展拌合计量要准确孔底末端护壁应有可靠防滑壁措施。5、孔内遇到岩层须爆破时应专人设计宜采用浅眼松动爆破法严格控制用量并在炮眼附近加强支护。孔深大于5m时必须采用电引爆;孔深超过10m时应采取机械通风。孔内爆破后应先通风排烟15min并经检查无有害气体后施工人员方可下井继续作业。6、挖孔到达设计深度后应进展孔底处理。必须做到孔底无松渣、泥、沉淀土。假设孔底地质复杂先用钢钎探明孔底以下地质情况是否满足设计要求否那么应报监理工程师、设计代表研究处理。质量标准检测工程允许偏向孔的中心位置群桩100单排桩50孔径〔mm〕不小于设计桩径孔的倾斜度〔〕小于0.5孔深〔mm〕摩擦桩不小于设计规定支承桩不小于设计规定+50导线点、水准点闭合情况及其它:导线点、水准点已经闭合导线点、水准点经复测已闭合闭合误差符合相关要求。交底人接收人技术负责人交底时间记录表1工程技术交底卡片施工:合同:S13监理:编:工程名称路基工程施工时间桩及部位K216+411桥式通道挖孔灌注桩工程工程根底及下部构造技术∧设计∨要求1、成孔、钢筋笼骨架安放检查值得到监理工程师认可后应立即开场灌注C25混凝土并应连续进展不得中断。当气温低于0℃时灌注混凝土应采取保温措施。强度未到达设计等级50的桩顶混凝土不得受冻。2、混凝土采用钢导灌注。导径视桩径大小而定由内径200~350㎜的子组成用装用垫圈的法兰盘连接收节。导应进展水、承压和接头抗拉试验。在灌注混凝土开场时导底部至孔底应有250~400mm的空间。首批灌注混凝土的数量应能满足导初次埋置深度≥1.0m)和填充导底部间隙的需要。在整个灌注时间内出料口应伸入先前灌注的混凝土内至少2m以防止水冲入内且不得大于6m。应经常量测孔内混凝土面层的高程及时调整导出料口与混凝土外表的相应位置并始终予以严监视导应在无水进入的状态下填充。3、直至灌注的混凝土顶面高出桩顶标高0.5m方可停顿浇筑以保证截断面以下的全部混凝土均到达强度。多余部分应在接桩前必须凿除桩头应无松散层。4、桩基检验:用风镐将桩头砼凿除至设计标高保证桩头平整不得损坏。桩基应逐根进展无破损检测。质量标准检测工程允许偏向混凝土强度〔MPa〕在合格内桩位〔mm〕群桩100单排桩50孔深〔mm〕摩擦桩不小于设计支承桩不小于设计+50孔径〔mm〕不小于设计桩的倾斜度〔mm〕0.5桩长且不大于200钢筋骨架底面高程〔mm〕±50导线点、水准点闭合情况及其它:导线点、水准点已经闭合导线点、水准点经复测已闭合闭合误差符合相关要求。交底人接收人技术负责人交底时间记录表1工程技术交底卡片施工:合同:S13监理:编:工程名称路基工程施工时间桩及部位K216+411桥式通道系梁工程工程根底及下部构造技术∧设计∨要求1、熟读图纸理解标高尺寸钢筋布置等2、破桩头时要进展标高控制。要求最终所破桩头要比设计承台底标高高2-3cm并且形状要显蘑菇状:中间高周边底。2、系梁施工前进展桩基逐根进展无破损检测。合格前方可进展系梁施工。3、按照设计图纸加工并绑扎承台钢筋绑扎时要与桩基钢筋及预埋肋板钢筋连接结实。钢筋型有Φ25、Φ22mm、Φ16mm、Φ12mmⅡ级钢筋、φ10mm盘条钢筋。4、模板安装前要对钢筋进展验收监理检验合格前方可进展模板安装。模板安装完毕后对其平面位置顶部高程节点联络及纵横向稳定性进展检查检验合格后方可进展混凝土浇筑施工。5、为满足混凝土的凝结速度和浇筑速度的需要采用2辆以上混凝土搅拌运输车运送混凝土运...

1、当您付费下载文档后,您只拥有了使用权限,并不意味着购买了版权,文档只能用于自身使用,不得用于其他商业用途(如 [转卖]进行直接盈利或[编辑后售卖]进行间接盈利)。
2、本站所有内容均由合作方或网友上传,本站不对文档的完整性、权威性及其观点立场正确性做任何保证或承诺!文档内容仅供研究参考,付费前请自行鉴别。
3、如文档内容存在违规,或者侵犯商业秘密、侵犯著作权等,请点击“违规举报”。

碎片内容

路基工程基础及下部构造技术交底

您可能关注的文档

教育教学文库+ 关注
实名认证
内容提供者

本店有大量的教育教学资料,课件

确认删除?
VIP
微信客服
  • 扫码咨询
会员Q群
  • 会员专属群点击这里加入QQ群
客服邮箱
回到顶部