电脑桌面
添加小米粒文库到电脑桌面
安装后可以在桌面快捷访问

地下防水工程监理实施细则VIP免费

地下防水工程监理实施细则_第1页
1/8
地下防水工程监理实施细则_第2页
2/8
地下防水工程监理实施细则_第3页
3/8
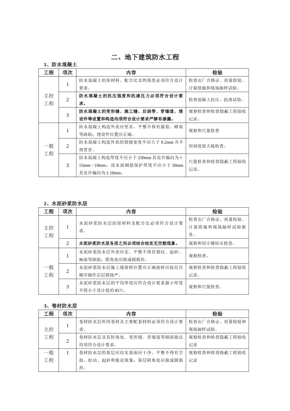
世纪花园B2组团地下防水工程监理施行细那么审批:地下防水工程监理施行细那么一、根本规定1、地下工程的防水等级分为4级各级应符合下表的规定。本工程配电室为1级地下车库为2级。地下工程防水等级〔GB50208-2002表〕防水等级标准1级不允许渗水构造外表无湿渍2级不允许漏水构造外表可有少量湿渍工业与民用建筑:湿渍总面积不大于总防水面积的1‰单个湿渍面积不大于0.1m2任意100m2防水面积不超过1处其他地下工程:湿渍总面积不大于总防水面积的61‰单个湿渍面积不大于0.2m2任意100m2防水面积下超过4处3级有少量漏水点不得有线流和漏泥砂单个湿渍面积不大于0.3m2单个漏水点的漏水量不大于2.5L/d任意100防水面积不超过7处4级有漏水点不得有线流和漏泥砂整个工程平均漏水量不大于2L/m2•d任意100m2防水面积的平均漏水量不大于4L/m2•d2、地下防水工程施工前施工应进展图纸会审掌握工程主体及细部构造的防水技术要求并编制防水工程的施工方案。3、地下防水工程必须由相应资质的专业防水队伍进展施工;主要施工人员应持有建立行政主部门或其指定颁发的执业书。4、地下防水工程所使用的防水材料应有的合格证书各性能检测材料的品种、规格、性能等应符合现行和设计要求。对进场的防水材料应按GB50208-2002附录A和附录B的规定抽样复验并提出试验;不合格的材料不得在工程中使用。5、地下防水工程施工间必须保持地下水位稳定在基底0.5m以下必要时应采取降水措施。6、地下防水工程的防水层严禁在雨天、雪天和五级风及其以上时施工其施工环境气温条件宜符合下表的规定。防水层施工环境气温条件〔GB50208-2002表〕防水层材料施工环境气温高聚物改性沥青防水卷材冷粘法不低于5℃热熔法不低于-10℃合成高分子防水卷材冷粘法不低于5℃热风焊接法不低于-10℃有机防水涂料溶剂型-5~35℃水溶性5~35℃无机防水涂料5~35℃防水混凝土、水泥砂浆5~35℃二、地下建筑防水工程1、防水混凝土工程项次内容检验主控工程1防水混凝土的原材料、配合比及坍落度必须符合设计要求。检查出厂合格证、质量检验、计量措施和现场抽样试验。2防水混凝土的抗压强度和抗渗压力必须符合设计要求。检查混凝土抗压、抗渗试验。3防水混凝土的变形缝、施工缝、后浇带、穿墙道、埋设件等设置和构造均须符合设计要求严禁有渗漏。观察检查和检查隐蔽工程验收记录。一般工程1防水混凝土构造外表应坚实、平整不得有露筋、蜂窝等缺陷;埋设件位置应正确。观察和尺量检查2防水混凝土构造外表的裂缝宽度不应大于0.2mm并不得贯穿。用刻度放大镜检查。3防水混凝土构造厚度不应小于250mm其允许偏向为+15mm—10mm;迎水面钢筋保护厚度不应小于50mm其允许偏向为±10mm。尺量检查和检查隐蔽工程验收记录。2、水泥砂浆防水层工程项次内容检验主控工程1水泥砂浆防水层的原材料及配合比必须符合设计要求。检查出厂合格证、质量检验、计量措施和现场抽样试验报各。2水泥砂浆防水层各层之间必须结合结实无空鼓现象。观察和用小锤轻击检查。一般工程1水泥砂浆防水层外表应实、平整不得有裂纹、起砂、麻面等缺陷;阴角处应做成圆弧形。观察检查。2水泥砂浆防水层施工缝留槎位置应正确接槎应按层次顺序操作层层搭接严。观察检查和检查隐蔽工程验收记录。3水泥砂浆防水层的平均厚度应符合设计要求最小厚度不得小于设计值的85%。观察和尺量检查。3、卷材防水层工程项次内容检验主控工程1卷材防水层所用卷材及主要配套材料必须符合设计要求。检查出厂合格证、质量检验和现场抽样试验。2卷材防水层及其转角处、变形缝、穿墙道等细部做法均须符合设计要求。观察检查和检查隐蔽工程验收记录一般工程1卷材防水层的基层应结实基面应干净、平整不得有空鼓、松动、起砂和脱皮现象;基层阴角处应做成圆弧形。观察检查和检查隐蔽工程验收记录2卷材防水层的搭拉缝应粘〔焊〕结结实封严不得有皱折、翘边和鼓泡等缺陷。观察检查3侧墙卷材防水层的保护层与防水层应粘结结实结合严、厚度均匀一致。观察检查4卷材搭接宽度的允许偏向为-10mm。观察和尺量检查。4、细部构造工程项次内容检验主控工程1细部构造所用止水带、遇水膨胀橡胶腻子止水条和接缝封材料必须符...

1、当您付费下载文档后,您只拥有了使用权限,并不意味着购买了版权,文档只能用于自身使用,不得用于其他商业用途(如 [转卖]进行直接盈利或[编辑后售卖]进行间接盈利)。
2、本站所有内容均由合作方或网友上传,本站不对文档的完整性、权威性及其观点立场正确性做任何保证或承诺!文档内容仅供研究参考,付费前请自行鉴别。
3、如文档内容存在违规,或者侵犯商业秘密、侵犯著作权等,请点击“违规举报”。

碎片内容

地下防水工程监理实施细则

您可能关注的文档

确认删除?
VIP
微信客服
  • 扫码咨询
会员Q群
  • 会员专属群点击这里加入QQ群
客服邮箱
回到顶部