电脑桌面
添加小米粒文库到电脑桌面
安装后可以在桌面快捷访问

钢结构工程钢结构手工电弧焊焊接工艺标准VIP免费

钢结构工程钢结构手工电弧焊焊接工艺标准_第1页
1/3
钢结构工程钢结构手工电弧焊焊接工艺标准_第2页
2/3
钢结构工程钢结构手工电弧焊焊接工艺标准_第3页
3/3
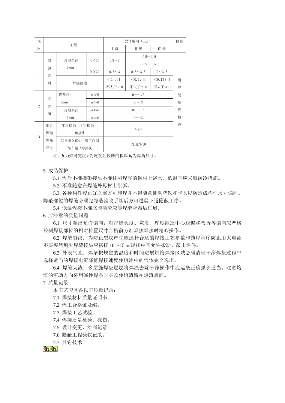
钢构造工程钢构造手工电弧焊焊接工艺1范围本工艺适用于一般工业与民用建筑工程中钢构造制作与安装手工电弧焊焊接工程。22施工准备2.1材料及主要机具电焊条:其型按设计要求选用必须有质量证明书。按要求施焊前经过烘焙。严禁使用药皮脱落、焊芯生锈的焊条。设计无规定时焊接Q235钢时宜选用E43系列碳钢构造焊条;焊接16Mn钢时宜选用E50系列低合金构造钢焊条;焊接重要构造时宜采用低氢型焊条〔碱性焊条〕。按说明书的要求烘焙后放入保温桶内随用随取。酸性焊条与碱性焊条不准混杂使用。引弧板:用坡口连接时需用弧板弧板材质和坡口型式应与焊件一样。主要机具:电焊机〔交、直流〕、焊把线、焊钳、面罩、小锤、焊条烘箱、焊条保温桶、钢丝刷、石棉条、测温计等。2.2作业条件熟悉图纸做焊接工艺技术交底。施焊前应检查焊工合格证有效限应证明焊工所能承当的焊接工作。现场供电应符合焊接用电要求。环境温度低于0℃对预热后热温度应根据工艺试验确定。3操作工艺3.1工艺流程:作业准备→电弧焊接〔平焊、立焊、横焊、仰焊〕→焊缝检查3.2钢构造电弧焊接:平焊选择合格的焊接工艺焊条直径焊接电流焊接速度焊接电弧长度等通过焊接工艺试验验证。清理焊口:焊前检查坡口、组装间隙是否符合要求定位焊是否结实焊缝周围不得有油污、锈物。烘焙焊条应符合规定的温度与时间从烘箱中取出的焊条放在焊条保温桶内随用随取。焊接电流:根据焊件厚度、焊接层次、焊条型、直径、焊工纯熟程度等因素选择适宜的焊接电流。引弧:角焊缝起落弧点应在焊缝端部宜大于10mm不应随意打弧打火引弧后应立即将焊条从焊缝区拉开使焊条与构件间保持2~4mm间隙产生电弧。对接焊缝及时接和角接组合焊缝在焊缝两端设引弧板和引出板必须在引弧板上引弧后再焊到焊缝区中途接头那么应在焊缝接头前方15~20mm处打火引弧将焊件预热后再将焊条退回到焊缝起始处把熔池填满到要求的厚度后方可向前施焊。焊接速度:要求等速焊接保证焊缝厚度、宽度均匀一致从面罩内看熔池中铁水与熔渣保持等间隔〔2~3mm〕为宜。焊接电弧长度:根据焊条型不同而确定一般要求电弧长度稳定不变酸性焊条一般为3~4mm碱性焊条一般为2~3mm为宜。焊接角度:根据两焊件的厚度确定焊接角度有两个方面一是焊条与焊接前进方向的夹角为60~75°;二是焊条与焊接左右夹角有两种情况当焊件厚度相等时焊条与焊件夹角均为45°;当焊件厚度不等时焊条与较厚焊件一侧夹角应大于焊条与较薄焊件一侧夹角。收弧:每条焊缝焊到末尾应将弧坑填满后往焊接方向相反的方向带弧使弧坑甩在焊道里边以防弧坑咬肉。焊接完毕应采用气割切除弧板并修磨平整不许用锤击落。清渣:整条焊缝焊完后去除熔渣经焊工自检〔包括外观及焊缝尺寸等〕确无问题后方可转移地点继续焊接。立焊:根本操作工艺过程与平焊一样但应注意下述问题:在一样条件下焊接电源比平焊电流小10~15。采用短弧焊接弧长一般为2~3mm。焊条角度根据焊件厚度确定。两焊件厚度相等焊条与焊条左右方向夹角均为45°;两焊件厚度不等时焊条与较厚焊件一侧的夹角应大于较薄一侧的夹角。焊条应与垂直面形成60°~80°角使角弧略向上吹向熔池中心。收弧:当焊到末尾采用排弧法将弧坑填满把电弧移至熔池停弧。严禁使弧坑甩在一边。为了防止咬肉应压低电弧变换焊条角度使焊条与焊件垂直或由弧稍向下吹。横焊:根本与平焊一样焊接电流比同条件平焊的电流小10~15电弧长2~4mm。焊条的角度横焊时焊条应向下倾斜其角度为70°~80°防止铁水下坠。根据两焊件的厚度不同可适当调整焊条角度焊条与焊接前进方向为70°~90°。仰焊:根本与立焊、横焊一样其焊条与焊件的夹角和焊件厚度有关焊条与焊接方向成70°~80°角宜用小电流、短弧焊接。3.3冬低温焊接:在环境温度低于0℃条件下进展电弧焊时除遵守常温焊接的有关规定外应调整焊接工艺参数使焊缝和热影响区缓慢冷却。风力超过4级应采取挡风措施;焊后未冷却的接头应防止碰到冰雪。钢构造为防止焊接裂纹应预热、预热以控制层间温度。当工作地点温度在0℃以下时应进展工艺试验以确定适当的预热后热温度。4质量4.1保证工程焊接材料应符合设计要求和有关的规定应检查质量证明书及...

1、当您付费下载文档后,您只拥有了使用权限,并不意味着购买了版权,文档只能用于自身使用,不得用于其他商业用途(如 [转卖]进行直接盈利或[编辑后售卖]进行间接盈利)。
2、本站所有内容均由合作方或网友上传,本站不对文档的完整性、权威性及其观点立场正确性做任何保证或承诺!文档内容仅供研究参考,付费前请自行鉴别。
3、如文档内容存在违规,或者侵犯商业秘密、侵犯著作权等,请点击“违规举报”。

碎片内容

钢结构工程钢结构手工电弧焊焊接工艺标准

您可能关注的文档

确认删除?
VIP
微信客服
  • 扫码咨询
会员Q群
  • 会员专属群点击这里加入QQ群
客服邮箱
回到顶部