电脑桌面
添加小米粒文库到电脑桌面
安装后可以在桌面快捷访问

建设工程施工安全检查评价表VIP免费

建设工程施工安全检查评价表_第1页
1/13
建设工程施工安全检查评价表_第2页
2/13
建设工程施工安全检查评价表_第3页
3/13
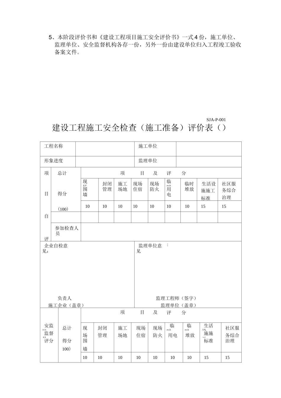
建设工程安全监督阶段评价书安监[]号工程名称建设单位监理单位施工单位监督部门遂宁市建设工程质量(安全)监督站注释一、监督检查评价管理的阶段1、施工准备阶段安全技术措施总交底情况,对场地面布局、围档、临时用电、给排水、办公和生活设施等进行监督检查评价。2、基础施工阶段1)基础开挖不足3米或不开挖基坑的房屋建筑工程在基础施工完成(验收)时进行监督检查评价。2)房屋建筑工程基坑开挖深度超过3米时进行监督检查评分,并在基础施工完成(验收)时进行监督检查评价。3、主体阶段施工1)房屋建筑工程在施工完成2层时进行监督检查评价。2)房屋建筑工程在施工完成4层时进行监督检查评价。3)房屋建筑工程10层以上,每完成10层时进行监督检查评价。4)房屋建筑工程在封顶时进行监督检查评价。5)市政基础设施工程在结构施工阶段,每3个月评价一次。4、装饰装修施工阶段在外脚手架拆除前进行装饰装修施工安全评价。5、工程竣工验收,进行一次工程竣工评价。二、要求和备注1、每阶段施工单位应提前申请通知监督站对其项目进行安全评价且先自检,自检按《59-99》要求由监理单位监督施工单位组织,并填写检查表和自评意见。2、安全监督机构综合各阶段监督检查评价意见、安全事故记录,作出工程项目的总体评价结论意见,并核定等级和签发《建设工程项目施工安全评价书》。3、工程总体评价结论按历次评价评分的平均值评定等级。如施工阶段发生一起四级重大安全事故或历次评价中有两次不合格的,总体评价降低一个等级;如果施工阶段发2起四级重大安全事故及其以上重大事故或一起三级以上重大大气事故或者历次评价中有三次及其以上不合格的,总体评价等级为不合格。4、建设工程项目施工安全评价结果是施工企业安全管理水平总体评价的依据之一,也是施工企业资质年检的重要指标。5、本阶段评价书和《建设工程项目施工安全评价书》一式4份,施工单位、监理单位、安全监督机构各存一份,另外一份由建设单位归入工程竣工验收备案文件。SJA-P-001建设工程施工安全检查(施工准备)评价表()工程名称施工单位形象进度监理单位项总计项目及评分现场封闭施工现场现场临时临时生活设社区服目得分围墙管理场地住宿防火用电堆放施施工标准务综合治理(100)101010101010101515自参加检查人评员企业自检意见:监理单位意见:负责人监理工程师(签字)施工企业(盖章)监理单位(盖章)项目及评分安监站总计现封闭施工现场现场临时临时生活设社区服监督员场管理场地住宿防火用电堆放施施工务综合评分得分围标准治理100)墙101010101010101515监督站考评意见监督员(签字)年月日注:此表一式四份,施工单位、监理单位、监督站各一份;建设单位一份归入竣工验收备案文件。SJA-P-002建设工程施工安全检查(施工准备)评价表(3m以下)工程名称施工单位形象进度监理单位项总计项目及评分施工临边坑壁排水坑边上下土方变形监作业环目得分万案防护支护措施荷载开挖开挖测境201010101010101010(100)自参加检查人评员企业自检意见:监理单位意见:负责人监理工程师(签字)施工企业(盖章)监理单位(盖章)项目及评分安监站总计施工临边坑壁排水坑边上下土方变形监作业环监督员万案防护支护措施荷载开挖开挖测境评分得分100)201010101010101010建设单位一份归入竣工验收备案文件。SJA-P-003建设工程施工安全检查(施工准备)评价表(3m以上)工程名称施工单位形象进度监理单位项总计项目及评分施工临边坑壁排水坑边上下土方变形监作业环目得分万案防护支护措施荷载开挖开挖测境201010101010101010(100)自参加检查人评员企业自检意见:监理单位意见:负责人监理工程师(签字)施工企业(盖章)监理单位(盖章)项目及评分安监站总计施工临边坑壁排水坑边上下土方变形监作业环监督员万案防护支护措施荷载开挖开挖测境评分得分100)201010101010101010建设单位一份归入竣工验收备案文件。SJA-P-004建设工程施工安全检查(基础施工)评价表(附表)工程名称施工单位形象进度监理单位项目自评总计得分(100)项目及评分安全管理文明施工脚手架工程基坑模板三宝四口施工用电物料提升机塔吊机具吊装102010101010101...

1、当您付费下载文档后,您只拥有了使用权限,并不意味着购买了版权,文档只能用于自身使用,不得用于其他商业用途(如 [转卖]进行直接盈利或[编辑后售卖]进行间接盈利)。
2、本站所有内容均由合作方或网友上传,本站不对文档的完整性、权威性及其观点立场正确性做任何保证或承诺!文档内容仅供研究参考,付费前请自行鉴别。
3、如文档内容存在违规,或者侵犯商业秘密、侵犯著作权等,请点击“违规举报”。

碎片内容

建设工程施工安全检查评价表

确认删除?
VIP
微信客服
  • 扫码咨询
会员Q群
  • 会员专属群点击这里加入QQ群
客服邮箱
回到顶部