电脑桌面
添加小米粒文库到电脑桌面
安装后可以在桌面快捷访问

设备报价清单VIP免费

设备报价清单_第1页
1/13
设备报价清单_第2页
2/13
设备报价清单_第3页
3/13
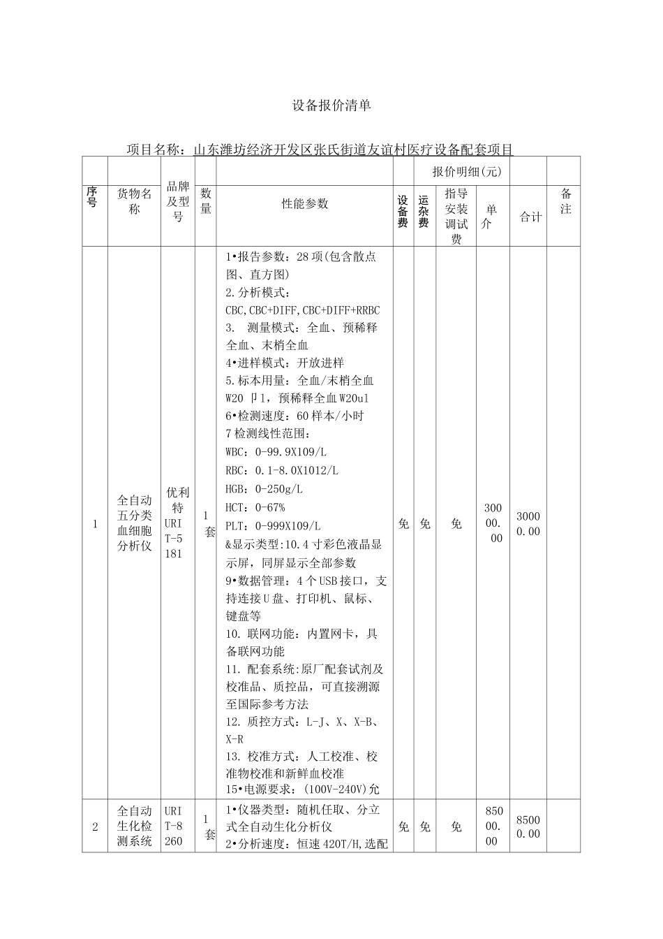
设备报价清单项目名称:山东潍坊经济开发区张氏街道友谊村医疗设备配套项目品牌及型号报价明细(元)序号货物名称数量性能参数设备费运杂费指导安装调试费单介合计备注1全自动五分类血细胞分析仪优利特URIT-51811套1•报告参数:28项(包含散点图、直方图)2.分析模式:CBC,CBC+DIFF,CBC+DIFF+RRBC3.测量模式:全血、预稀释全血、末梢全血4•进样模式:开放进样5.标本用量:全血/末梢全血W20卩l,预稀释全血W20ul6•检测速度:60样本/小时7检测线性范围:WBC:0-99.9X109/LRBC:0.1-8.0X1012/LHGB:0-250g/LHCT:0-67%PLT:0-999X109/L&显示类型:10.4寸彩色液晶显示屏,同屏显示全部参数9•数据管理:4个USB接口,支持连接U盘、打印机、鼠标、键盘等10.联网功能:内置网卡,具备联网功能11.配套系统:原厂配套试剂及校准品、质控品,可直接溯源至国际参考方法12.质控方式:L-J、X、X-B、X-R13.校准方式:人工校准、校准物校准和新鲜血校准15•电源要求:(100V-240V)允差±10%,(50Hz/60Hz)±1Hz免免免30000.0030000.002全自动生化检测系统URIT-82601套1•仪器类型:随机任取、分立式全自动生化分析仪2•分析速度:恒速420T/H,选配免免免85000.0085000.00.0ISE速度可达660T/H3.最大可同事分析项目:82个(生化79,ISE3个4•测量原理:比色法、比浊法、离子选择电极法(选配)5•分析方法:终点法、固定时间法、动力学法;6.样本位:100个(含扩展位)7•样本量:2uL〜35uL,0.05卩l步进。&试剂位:最大可达82个;9•试剂盘制冷温度:2〜8°C10.试剂量:10uL〜200uL,0.5M步进11.搅拌杆:2个12.反应杯位:120个,光径5mm;13.反应体积:100M〜360uL;14.温控方式:包容式恒温电加热系统,免维护免保养;15.比色杯清洗:自动温水清洗16.光学系统:全息凹面光栅后分光系统17.波长:340〜800nm,12个波长18.吸光度线性范围:0〜3.5Abs19.样品携带污染率:不大于5%20.支持HbA1c全血测试功能21.具有酶线性拓展功能22.支持在线试剂装载23.支持一个项目放置多套试3尿液分析仪优利特URIT-5601台1•检测项目:葡萄糖(GLU)、胆红素(BIL)、尿比重(SG)、PH、酮体(KET)、潜血(BLD)、蛋白质(PRO)、尿胆原(URO)、亚硝酸盐(NIT)、白细胞(LEU)、抗坏血酸(VC)、尿肌酐、尿钙、尿微量白蛋白2.测试原理:R、G、B三原色检测原理(反射分光光度法)3•测试速度:600测试/小时(快速连续)免免免6800.006800.004•语言界面:中、英文5•记录方式:微型热敏打印、LCD显示、可外接打印机6.显示器:LCD显示器,尺寸三7英寸7•输出结果:微型热敏打印,纸行宽57mm,纸卷直径〈50mm,可外接打印机&通信接口:RS-232CDB9female9.工作环境:温度:10°C-30°C;湿度:W80%10.工作电源:AC100—240V,50/60Hz4全身应用彩色多普勒超声诊断仪迈瑞cd—381套机及技术参数,通用功能1.1彩色显示器215寸,可上下、左右旋转。1.2主机一体化触摸屏210.4寸,触摸屏角度可调。1.3主机标配探头接口:24个1.4操作面板可升降、左右旋转1.5支持B/C双实时显示1.6多倍波束合成1.7二维灰阶模式1.8谐波成像模式1.9M型模式1.10彩色M型模式1.11解剖M型模式(22条取样线)1.12彩色多普勒成像(包括彩色、能量、方向能量多普勒模式)1.13频谱多普勒成像(包括脉冲多普勒、高脉冲重复频率、连续波多普勒)1.16自由臂三维成像1.17具备宽景成像功能1.18空间复合成像,要求曲别针试验可显示27条线1.19斑点噪声抑制技术,可调级别241.20频率复合成像1.21扩展成像要求支持凸阵、线阵、容积探头1.22组织特异性成像免免免155000.00155000.001.24局部放大(支持前端、后端放大)1.25一键优化,要求一键快速优化二维图像、彩色图像、频谱图像。1.26支持移动终端系统:超声设备与智能设备无线连接,通过无线连接将超声机器的临床图像传输到手机或平板电脑。1.28焦点位置自动调节。随深度变化焦点位置自动优化,简化操作流程。1.29全中文操作系统界面、操作菜单并可选多种语言。1.30原始数据处理,可处理参数三30项2.探头规格2.1、宽频变频技术,系统频率范围2.0-10.0MHz2.2、超宽频变频探头,基波、谐波、彩色、多普勒模式下可选频率式均三2种2.3、腹部标配探头:频率范围2....

1、当您付费下载文档后,您只拥有了使用权限,并不意味着购买了版权,文档只能用于自身使用,不得用于其他商业用途(如 [转卖]进行直接盈利或[编辑后售卖]进行间接盈利)。
2、本站所有内容均由合作方或网友上传,本站不对文档的完整性、权威性及其观点立场正确性做任何保证或承诺!文档内容仅供研究参考,付费前请自行鉴别。
3、如文档内容存在违规,或者侵犯商业秘密、侵犯著作权等,请点击“违规举报”。

碎片内容

设备报价清单

确认删除?
VIP
微信客服
  • 扫码咨询
会员Q群
  • 会员专属群点击这里加入QQ群
客服邮箱
回到顶部