电脑桌面
添加小米粒文库到电脑桌面
安装后可以在桌面快捷访问

环境因素识别与评价方法VIP免费

环境因素识别与评价方法_第1页
1/7
环境因素识别与评价方法_第2页
2/7
环境因素识别与评价方法_第3页
3/7
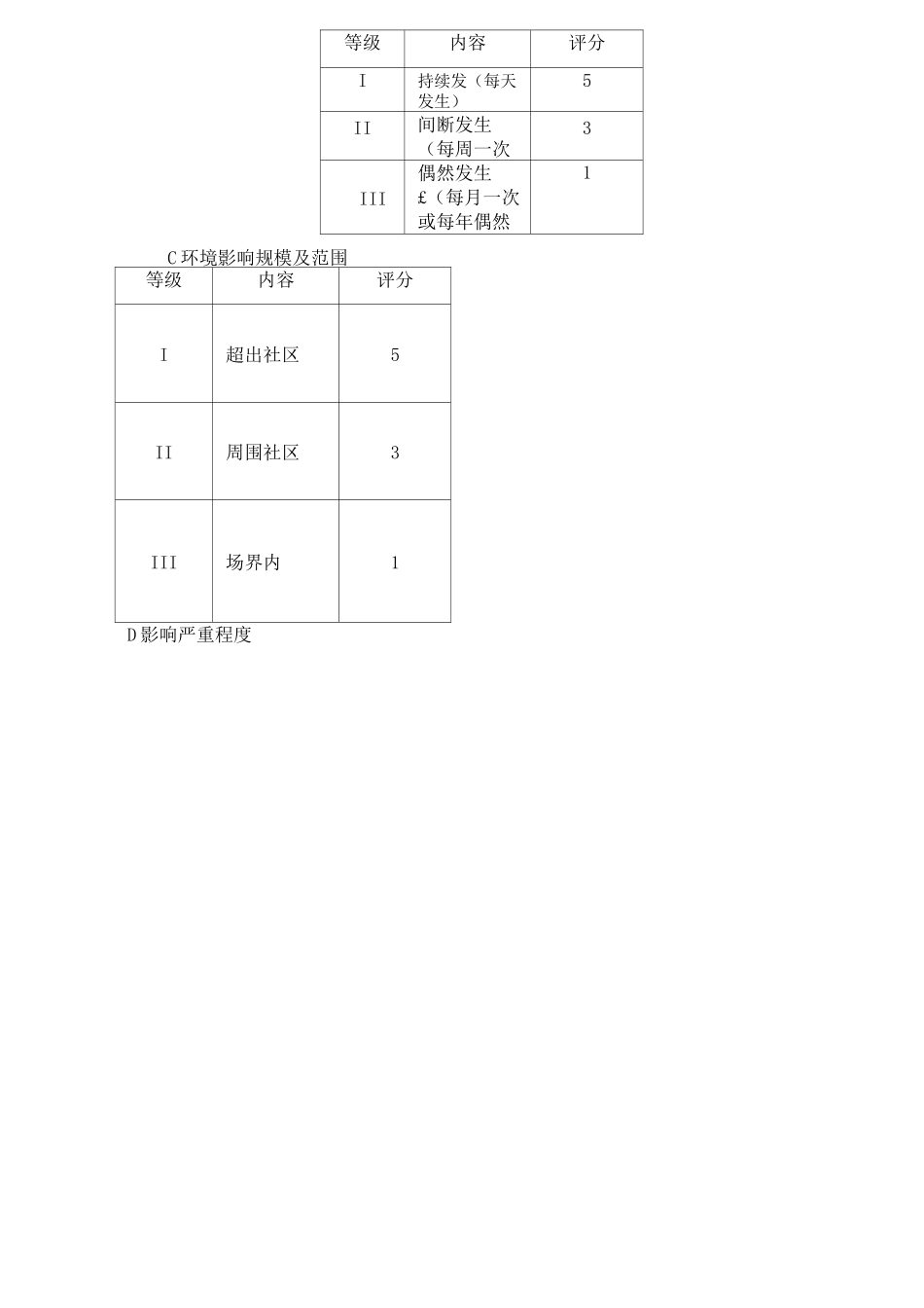
环境因素识别与评价方法1基本步骤确定活动/产品/服务一识别环境因素一确定环境影响一评价环境因素一确定重要环境因素。2环境因素的识别方法2.1环安部每年定期确定组织环境因素识别、更新。2.2各相关部门识别评价本部门的所有环境因素,对业务活动、产品和服务过程中已经或可能对环境造成影响的因素进行充分的识别、确认;在进行环境因素识别时应考虑正常、异常和紧急三种状态以及过去、现在和未来三种时态。2.3环境因素识别以生命周期分析和污染预防的思想为指导,采用工艺流程、统计分析及问答调查等方法对公司涉及到全部环境因素进行分析,找出有关大气、水体、废物、放射性辐射、土地、原材料和自然资源的环境因素及分析其对环境造成的影响。填写《环境因素及影响评价表》。2.4环安部将各部门环境因素登记表汇总后,填写公司《环境因素及影响评价表》(总表),从中评价重要环境因素,填写《重要环境因素清单》。2.5重要环境因素判定依据:(满足其中任何一条则视为重要环境因素)1)凡不符合法律法规要求的环境行为;2)潜在的化学品泄露,燃料隐患等;3)有毒有害废弃物未做合理处置的;4)虽然符合法律法规的要求但排放频率或排放量大的。2.6具体评价方法根据标准的要求,并结合公司的实际情况,采用下列方法评价重要环境因素:采用是非判断法与综合打分法相结合进行评价。对资源、能源的消耗,只采用是非判断法判断;对其他环境因素采用是非判断法、多因子打分法相结合进行评价。1)下列情况直接判断为重要环境因素:a)违法或超标;b)紧急状态下环境因素;c)已列入《国家危险废物名录》的固体废弃物的排放;d)节能降耗的重点环境因素。2)综合打分法a)评价准则:对《环境因素及其影响评价表》中的环境因素,根据实际情况,从下列一个或多个评价因子上分别进行打分,根据评价的项数n,取各项评价因子评分值之和即各项评价因子评分值之和即工三15或单项评分±7分则评价为重大环境因素,11WYW15一殳环境因素,工W10轻微环境因素。b)评价因子及分值:见以下表格A法律、法规符合的程度等级内容评分I严重超标7II超标5III接近标准3未超标准1B环境影响发生频率等级内容评分I持续发(每天发生)5II间断发生(每周一次3III偶然发生£(每月一次或每年偶然几次)1C环境影响规模及范围等级内容评分I超出社区5II周围社区3III场界内1D影响严重程度E社会关注等级内容评分I很严重(发生大面积或流域污染,如沱江污染事故)7II严重(发生区域污染事故,如当地河流污染、5III一般(对周围影响较小,如发生恶臭,堆积物乱堆,不可降解,影响3轻微1F周期长短:主要指环境影响是否造成长远的危害,可否在短时间抵消其环境影响。等级内容评分I很严重(影响大,如污水对种种植、饮用水所在地民众健康7II严重(如废气只对附近周围人员影5III中等,如固废只对厂界周围人员影响3轻微只对厂内人员影响1等级内容评分I周期很长5II中等3III周期短1环境因素识别、评价表序号区域/过程/产品(服务)环境因素状态时态环境影响污染物主要成分处理方式环境因素评分(总分为±15为重要环境因素)总分正常曰异常紧急过现在将来水体大气噪声废料泄露资源其他ABCDEF编号:JL/HA542/1-01-2010序号:重要环境因素清单类别序号重要环境因素存在部门环境影响管理计划目标指标控制措施/应急方案危险固废废噪声紧急状态资源消耗编号:JL/HA542/1-02-2010序号:编制人/时间:审批人/时间:批准人/时间:

1、当您付费下载文档后,您只拥有了使用权限,并不意味着购买了版权,文档只能用于自身使用,不得用于其他商业用途(如 [转卖]进行直接盈利或[编辑后售卖]进行间接盈利)。
2、本站所有内容均由合作方或网友上传,本站不对文档的完整性、权威性及其观点立场正确性做任何保证或承诺!文档内容仅供研究参考,付费前请自行鉴别。
3、如文档内容存在违规,或者侵犯商业秘密、侵犯著作权等,请点击“违规举报”。

碎片内容

环境因素识别与评价方法

wxg+ 关注
实名认证
内容提供者

该用户很懒,什么也没介绍

确认删除?
VIP
微信客服
  • 扫码咨询
会员Q群
  • 会员专属群点击这里加入QQ群
客服邮箱
回到顶部