电脑桌面
添加小米粒文库到电脑桌面
安装后可以在桌面快捷访问

声光控楼道灯任务书VIP免费

声光控楼道灯任务书_第1页
1/4
声光控楼道灯任务书_第2页
2/4
声光控楼道灯任务书_第3页
3/4
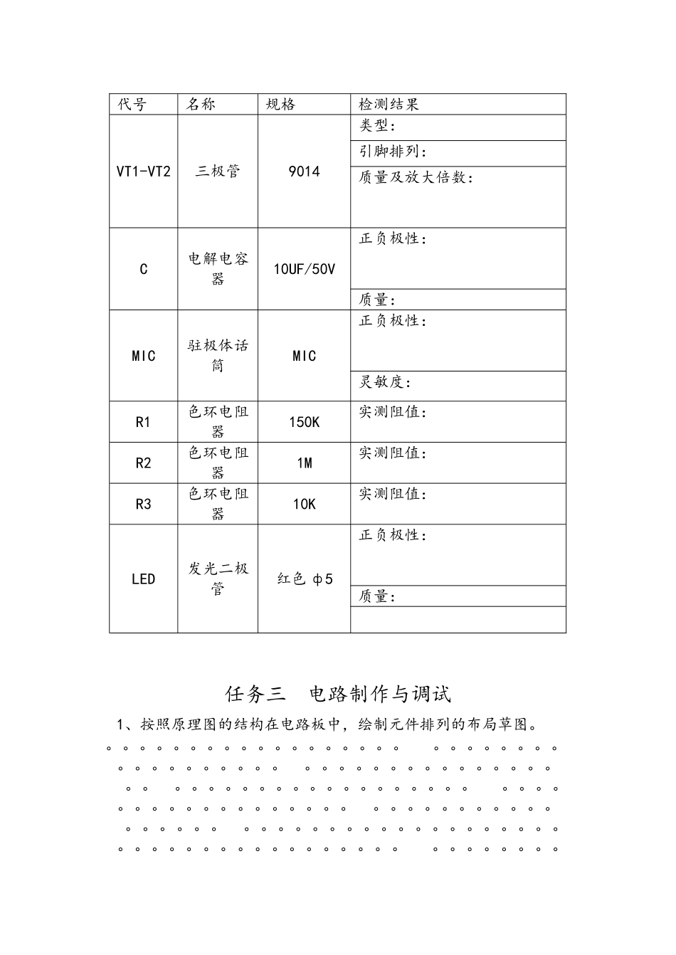
任务书班级:姓名:任务一认识电路1、画出电路图2、工作原理任务二元器件的识别与检测代号名称规格检测结果VT1-VT2三极管9014类型:引脚排列:质量及放大倍数:C电解电容器10UF/50V正负极性:质量:MIC驻极体话筒MIC正负极性:灵敏度:R1色环电阻器150K实测阻值:R2色环电阻器1M实测阻值:R3色环电阻器10K实测阻值:LED发光二极管红色ф5正负极性:质量:任务三电路制作与调试1、按照原理图的结构在电路板中,绘制元件排列的布局草图。。。。。。。。。。。。。。。。。。。。。。。。。。。。。。。。。。。。。。。。。。。。。。。。。。。。。。。。。。。。。。。。。。。。。。。。。。。。。。。。。。。。。。。。。。。。。。。。。。。。。。。。。。。。。。。。。。。。。。。。。。。。。。。。。。。。。。。。。。。。。。。。。。。。。。。。。。。。。。。。。。。。。。。。。。。。。。。。。。。。。。。。。。。。。。。。。。。。。。。。。。。。。。。。。。。。。。。。。。。。。。。。。。。。。。。。。。。。。。。。。。。。。。。。。。。。。。。。。。。。。。。。。。2、安装与焊接(1)按工艺要求对元器件引脚进行成形加工(2)按布局图在实验电路板上进行元器件的排列与插装。以合理、美观为标准,其中普通二极管、色环电阻器采用水平安装,电解电容器、发光二极管、按钮采用立式安装,按钮安装时尽量贴紧电路板。(3)按工艺要求对元器件进行焊接(4)焊接电源输入线和输出线。注意:普通二极管、发光二极管、电解电容器的正负极性。3、调试接通电源,若电路正常,对着话筒说话或拍手,发光二极管将会闪烁不停。任务四电路测试与分析测试1、用万用表测量驻极体话筒中无信号输出时三极管VT1、VT2的电位。测试2、对着话筒吹气或拍手时,再用万用表测量三极管VT1、VT2的电位。测试项目VT1的集电VT2的基极VT2的集电极极电极电位电位位驻极体话筒中无信号输出时对着话筒吹气或拍手时

1、当您付费下载文档后,您只拥有了使用权限,并不意味着购买了版权,文档只能用于自身使用,不得用于其他商业用途(如 [转卖]进行直接盈利或[编辑后售卖]进行间接盈利)。
2、本站所有内容均由合作方或网友上传,本站不对文档的完整性、权威性及其观点立场正确性做任何保证或承诺!文档内容仅供研究参考,付费前请自行鉴别。
3、如文档内容存在违规,或者侵犯商业秘密、侵犯著作权等,请点击“违规举报”。

碎片内容

声光控楼道灯任务书

您可能关注的文档

确认删除?
VIP
微信客服
  • 扫码咨询
会员Q群
  • 会员专属群点击这里加入QQ群
客服邮箱
回到顶部