电脑桌面
添加小米粒文库到电脑桌面
安装后可以在桌面快捷访问

基于PLC控制变频器恒压供水系统电路图和PLC程序VIP免费

基于PLC控制变频器恒压供水系统电路图和PLC程序_第1页
1/13
基于PLC控制变频器恒压供水系统电路图和PLC程序_第2页
2/13
基于PLC控制变频器恒压供水系统电路图和PLC程序_第3页
3/13
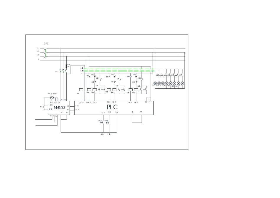
5.7PLC程序及变频器参数PLC程序S7-200S7-200S7-300软硬件配置硬件采用整体性模块,模块种类少,应用STEP-MICRO/WIN32软件,编程语言有三种,支持较少的通信协议。硬件采用单独模块,模块种类多,应用STEP7软件,有五种编程语言,支持较多的通信协议。类型小型PLC中型PLC功能运算速度慢,输入输出接口少,功能单一运算速度快,输入输出接口多,功能强大价格价格便宜价格昂贵CPU221CPU222CPU224输入输出口6输入/4输出共10个数字量I/O点8输入/6输出共14个数字量I/O点14输入/10输出共24个数字量I/O点,2输入/1输出共3个模拟量I/O点扩展模块无2个7个高速计数器4个独立的30kHz高速计数器4个独立的30kHz6个独立的100KHz高速计数器程序和数据存储空间6K6K20K高速脉冲输出2路独立的20kHz2路独立的20kHz2个100KHz通讯协议PPIMPIPPIMPIPPIMPIRS485通讯/编程口1个1个2个变频恒压供水系统:一般用电位器设定压力(也可采用面板内部设定压力),采用一个压力传感器(反馈为4~20mA或0-10V)检测管网中压力,压力传感器将信号送入变频器PID回路,PID回路处理之后,送出一个水量增加或减少信号,控制马达转速。如在一定延时时间内,压力还是不足或过大,则通过PLC作工频/变频切换,使实际管网压力与设定压力相一致。

1、当您付费下载文档后,您只拥有了使用权限,并不意味着购买了版权,文档只能用于自身使用,不得用于其他商业用途(如 [转卖]进行直接盈利或[编辑后售卖]进行间接盈利)。
2、本站所有内容均由合作方或网友上传,本站不对文档的完整性、权威性及其观点立场正确性做任何保证或承诺!文档内容仅供研究参考,付费前请自行鉴别。
3、如文档内容存在违规,或者侵犯商业秘密、侵犯著作权等,请点击“违规举报”。

碎片内容

基于PLC控制变频器恒压供水系统电路图和PLC程序

文章天下+ 关注
实名认证
内容提供者

各种文档应有尽有

确认删除?
VIP
微信客服
  • 扫码咨询
会员Q群
  • 会员专属群点击这里加入QQ群
客服邮箱
回到顶部