电脑桌面
添加小米粒文库到电脑桌面
安装后可以在桌面快捷访问

垃圾电厂发电机检修作业指导书VIP免费

垃圾电厂发电机检修作业指导书_第1页
1/28
垃圾电厂发电机检修作业指导书_第2页
2/28
垃圾电厂发电机检修作业指导书_第3页
3/28
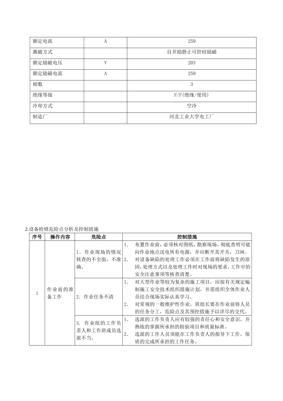
发电机检修作业指导书检修设备名称:检修开始时间:检修结束时间:工作负责人:1.设备规范1.1发电机技术数据项目单位铭牌参数型号QF—15—2额定容量KVA18750额定功率MW15额定静子电压KV10.5额定静子电流A1031额定功率因数0.8(迟相)励磁方式静态励磁额定励磁电压V201额定励磁电流A255.6空载励磁电压V50空载励磁电流A90强励倍数1.8强励允许时间秒20相数相3额定周率(频率)赫兹50结线Y极数2额定转速转/分3000冷却方式空气冷却绝缘等级F制造厂济南汽轮发电机厂1.2励磁装置的技术规范项目单位铭牌参数型号DWLZ-2C额定容量KVA160额定电压V203额定电流A259激磁方式自并励静止可控硅励磁额定励磁电压V203额定励磁电流A259相数3绝缘等级F/F(绝缘/使用)冷却方式空冷制造厂河北工业大学电工厂2.设备检修危险点分析及控制措施序号操作内容危险点控制措施1作业前的准备工作1.作业现场的情况核查的不全面,不准确。1.布置作业前,必须核对图纸,勘察现场,彻底查明可能向作业地点送电所有电源,并应断开其开关,刀闸。2.对设备缺陷的处理工作必须在工作前将缺陷发生的原因,处理方式以及处理工作时对现场的要求,工作中的安全注意事项等核查清楚。2.作业任务不清1.对大型作业等较为复杂的施工项目,应按有关规定编制施工安全技术组织措施计划,并需组织全体作业人员结合现场实际认真学习。2.对常规的一般维护性作业,班组长要在作业前将人员的任务分工,危险点及其预控措施予以详尽的交代。3.作业组的工作负责人和工作班成员选派不当。1.选派的工作负责人应有较强的责任心和安全意识,并熟练的掌握所承担的检验项目和质量标准。2.选派的工作人员须能在工作负责人的指导下工作,保质的完成所承担的工作任务。序号操作内容危险点控制措施2保证安全的组织措施技术措施的实施。1.不按规定填写、签发、送交办理工作票。1.在电气设备上工作,必须按规定执行工作票或口头、电话命令。2.按有关规程,制度的规定,正确填写和签发工作票。3.按有关规程,制度的规定,及时送交办理工作票。2.未办理工作许可手续,工作人员即进入现场。工作负责人必须在办理许可手续后,方可带领工作人员进入作业现场。保证安全的组织措施技术措施的实施。3.工作负责人在开工前和次日复工后不认真检查作业现场的安全措施。1.工作负责人在会同工作许可人检查现场所做的安全措施正确完备后,方可在工作票上签名,然后带领工作班成员进入现场。2.次日复工时,工作负责人须事前认真检查安全措施符合工作票的要求,方可工作。4.工作负责人不向工作班成员交代工作现场。1.工作负责人应检查工作班成员着装是否整齐,符合要求,安全用具和劳保用品是否佩带齐全。2.工作班成员面向工作地点列队,由工作负责人宣读工作票,交代现场安全措施、带电部位和其他注意事项,3实施作业1.非工作需要的情况下,单人留在作业现场。除工作需要外,所有人员不得单独留在作业现场。2.工作负责人(监护人)参与作业违反工作监护制度。1.工作负责人(监护人)在全部停电或部分停电时,只有安全措施可靠,人员集中这一个工作地点,确无触电危险的情况下方可参加工作。2.专责监护人不得做其他工作3.违反现场作业纪律(说笑、打闹、喝酒等)1.工作负责人需及时提醒和制止影响作业人员精力的言行。2.工作负责人需注意观察工作班成员的精神状态和身体状况,必要时可对作业人员进行适当的调整。3.严禁带酒意上岗和在工作中吸烟。4.擅自变更现场安全措施。1.不得随意变更现场安全措施2.特殊情况下,需要变更安全措施时必须征得工作许可人的同意,完成后及时恢复原安全措施。5.穿越临时遮拦1.临时遮拦的装设需在保证作业人员不能误登带电设备的前提下,方便作业人员进出现场和实施作业。2.严禁穿越和擅自移动临时遮拦。实施作业6.工作不协调1.几人同时进行工作时,需互相呼应,协同动作。2.几人同时进行工作时,又呼应困难时,应设专人指挥,并明确指挥方式。使用通信工具时需事先检查工具是否完好。4停机前后的试验1.误触试验设备造成触电。清除与试验无关的人员。被试设备周围装设临时遮拦或设专人看守。序号操作内容危险...

1、当您付费下载文档后,您只拥有了使用权限,并不意味着购买了版权,文档只能用于自身使用,不得用于其他商业用途(如 [转卖]进行直接盈利或[编辑后售卖]进行间接盈利)。
2、本站所有内容均由合作方或网友上传,本站不对文档的完整性、权威性及其观点立场正确性做任何保证或承诺!文档内容仅供研究参考,付费前请自行鉴别。
3、如文档内容存在违规,或者侵犯商业秘密、侵犯著作权等,请点击“违规举报”。

碎片内容

垃圾电厂发电机检修作业指导书

您可能关注的文档

文章天下+ 关注
实名认证
内容提供者

各种文档应有尽有

确认删除?
VIP
微信客服
  • 扫码咨询
会员Q群
  • 会员专属群点击这里加入QQ群
客服邮箱
回到顶部