电脑桌面
添加小米粒文库到电脑桌面
安装后可以在桌面快捷访问

垃圾中转站设备安装设计方案VIP免费

垃圾中转站设备安装设计方案_第1页
1/7
垃圾中转站设备安装设计方案_第2页
2/7
垃圾中转站设备安装设计方案_第3页
3/7
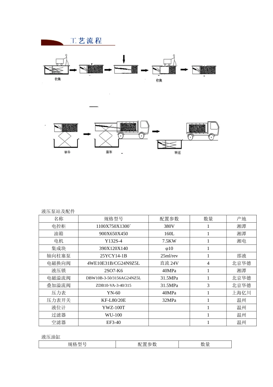
地埋式压缩垃圾中转站设备安装设计方案一、设备选型目前,地埋式垃圾中转站设备5吨(大于6立方)有两种基本类型,一种是侧面举升的(地坑长×宽×深分别是:5.70×2.9×1.6地坑深度在1.6-1.7米深).一种是底部举升的(地坑长×宽×深分别是:5.7×2.24×2.14地坑深度有2.14米)。如图A(YLZ-50B型)图B(YLZ-50A型)两种设备各有优势,前者侧面举升的优势是:地坑不深,只在1米6左右,后者底部举升的地坑深有2米1左右,但只要2米24宽,都是第三代产品,举升平稳,动力更省。因此,我们提供两套设备采购方案供贵公司选择。液压泵站及配件名称规格型号配置参数数量产地电控柜1100X750X1300`380V1湘潭油箱900X650X450160L1湘潭电机Y132S-47.5KW1湘电集成块390X120X140φ101轴向柱塞泵25YCY14-1B25ml/rev1邵液电磁换向阀4WE10E31B/CG24N9Z5L直流24V4北京华德液压锁2SO7-K640MPa1湘潭电磁溢流阀DBW10B-3-50/3156AG24NZ5L31.5MPa1北京华德叠加溢流阀ZDB10-VA-3-40/31531.5MPa3北京华德压力表YN-6040MPa1上海亿川压力表开关KF-L80/20E32MPa1温州液位计YWZ-100T1温州过滤器WU-1001温州空滤器EF3-401温州液压油缸规格型号配置参数数量伸缩缸(三级缸150/63-3200)21MPa1升降缸160/90-92521MPa2挂钩缸50/28-8010MPa2开门缸50/28-32016MPa2机械制作(含机械加工)项目重量(吨)数量举升机构2.51压缩机构1.21箱体部分3.61盖板装置0.51产品设计方案产品名称:B型水平压缩式垃圾站产品型号:YLZ-50B产品型号:YLZ-50A序号项目及要求技术参数1装机功率380v7.5kw2压缩力50t3额定容积≥6m34举升结构及方式剪叉式、双侧双层剪叉举升5举升高度≥3.5m6垃圾倒入口尺寸1200mmX800mm7箱体尺寸4700*1760*12608地坑尺寸(长×宽×高)5.7×2.9×1.6(侧升)5.7×2.24×2.14(底升)9各主体板厚度箱体板厚度6mm表面盖板:花纹板5mm推板厚度:12mm全封闭水平压缩垃圾破碎、脱水、压缩一次完成,垃圾压实密度≥0.85t/m3,大幅节约转运成本。平稳可靠两侧举升,剪叉跨度大,升降平稳,无偏斜底部举升,双油缸支撑,更稳更省动力。占地省、浅地坑侧升设备,地坑深度不超过1.7米,选址极为灵活。底升设备,地坑宽度不超过2.24米,占地面积更省。质量与安全说明1)水平式垃圾压缩设备是具有成熟技术的全新产品,符合国家标准、行业标准,按《产品质量法》实行三包,满足采购人的正常使用及未来发展需要;2)所有货物未经拆封的原厂包装,具有全套中文资料(含合格证,用户手册,保修卡,生产厂家、地址、联系方式等内容)。3)水平式垃圾压缩设备设有安全警示标志,操作时,必须配备专人操作,该人员必须经培训合格后,方能上岗操作。4)严格按照产品说明书和操作规程执行,注意安全,预防为主,定期对设备进行检查和保养,实行一人一机动态管理,排除安全隐患。售后服务承诺序号项目承诺1售后服务机构名称、地址、电话长沙海平环保设备有限公司湖南长沙市韶山北路城市动力13楼电话:0731-89916081152110590992客服电话0731-89916081白天工作时间值守3售后服务责任人4保修期及保修措施★保修期二年。保修期内如出现非人为因素的质量问题,免费更换或修复,如出现人为因素的质量问题,只收取材料成本费,不收人工费。5接到用户报修通知后到达用户现场时间2小时(长沙市区范围)6一般故障排除时间2小时(长沙市区范围)7重大故障排除时间4小时-24小时(长沙市区范围)8终身服务保修期满起终身服务。在非人为因素情况下,只收取换件材料成本费,免收人工维修费,同时提供有偿/无偿日常周期保养服务。如果是有偿提供服务,则提供相应的服务项目及收费标准。9除外责任保证采购人免于第三方提出侵犯其知识产权的起诉、行动、行政程序索赔、请求等,如发生此种情况则承担采购人为此而遭受的全部损失,包括律师费用等设备绝对符合环保部门和环卫部门车辆运输的要求。阅后有意请与我联系/15211059099唐长沙海平环保设备有限公司

1、当您付费下载文档后,您只拥有了使用权限,并不意味着购买了版权,文档只能用于自身使用,不得用于其他商业用途(如 [转卖]进行直接盈利或[编辑后售卖]进行间接盈利)。
2、本站所有内容均由合作方或网友上传,本站不对文档的完整性、权威性及其观点立场正确性做任何保证或承诺!文档内容仅供研究参考,付费前请自行鉴别。
3、如文档内容存在违规,或者侵犯商业秘密、侵犯著作权等,请点击“违规举报”。

碎片内容

垃圾中转站设备安装设计方案

您可能关注的文档

确认删除?
VIP
微信客服
  • 扫码咨询
会员Q群
  • 会员专属群点击这里加入QQ群
客服邮箱
回到顶部