电脑桌面
添加小米粒文库到电脑桌面
安装后可以在桌面快捷访问

经典钣金结构设计规范VIP免费

经典钣金结构设计规范_第1页
1/10
经典钣金结构设计规范_第2页
2/10
经典钣金结构设计规范_第3页
3/10
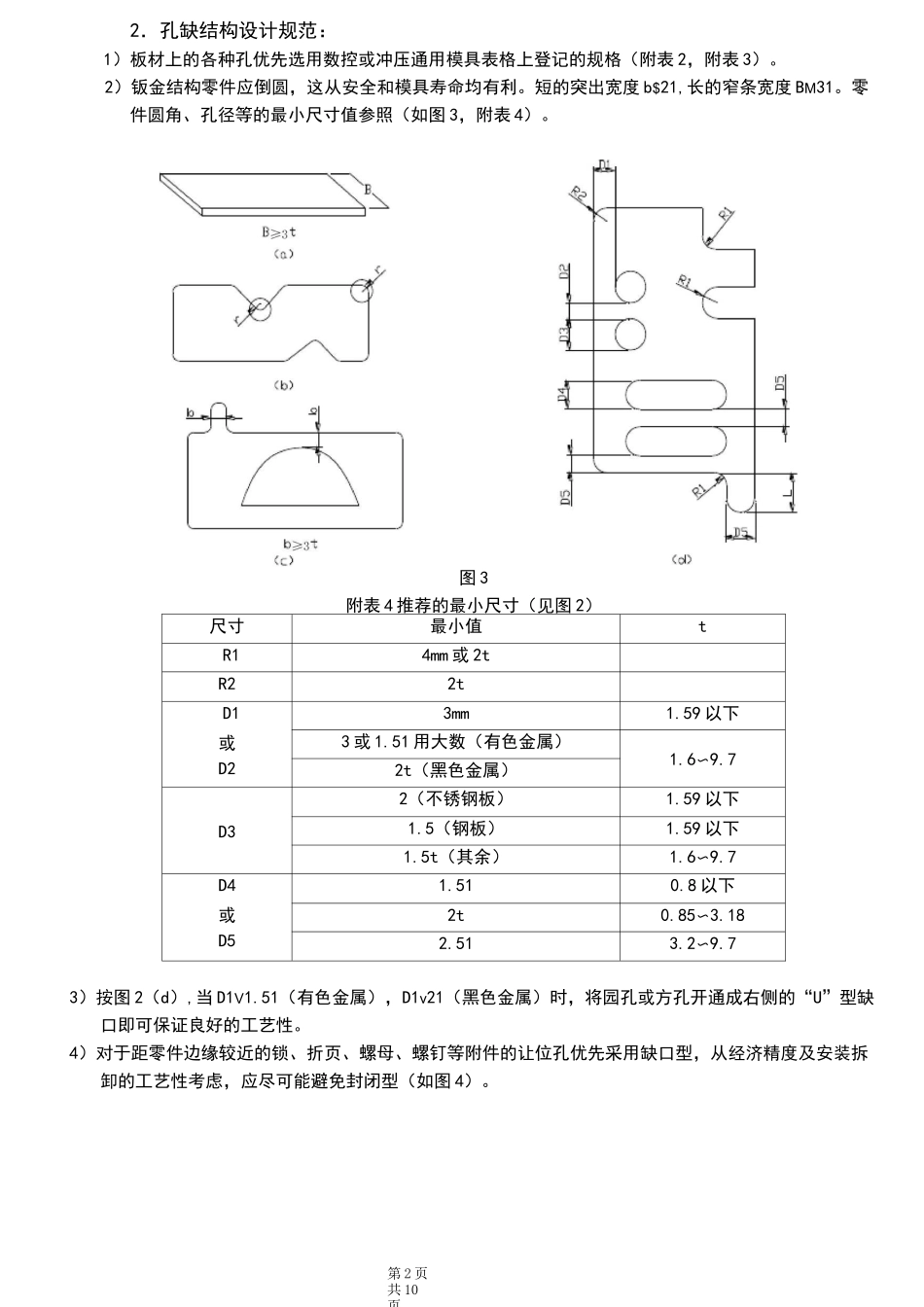
第1页共10页经典钣金结构设计工艺规范—、目的:公司为了统一各产品部设计人员对钣金工艺知识的认知和运用,推进设计的标准化,保证所设计产品合理的加工工艺性,特制定本规范,本规范含十项内容。•板材选用规范•孔缺结构设计规范•弯曲结构设计规范•焊接结构设计规范•结构缝隙设计规范•表面涂层种类选用规范•表面镀层种类选用规范•图纸工艺性分析和审查规范•图纸尺寸标准规范•非喷涂不锈钢结构设计规范二、范围:本原则适用各产品部的板厚W6mm的钣金结构设计工作。三、内容:1■板材选用规范:1)为了保证材料利用率和冲折最少的换模次数,同一结构上W4mm的板材厚度规格最多不超过三种,对于强度要求较高的结构可以采用在薄板上压筋或焊接加强筋的方式来实现(如图1,如图2);图1图22)板材应优先选用《结构公司常用材料明细表》上登录的材料规格,如必须选用该表以外的材质或板厚,则必须经由工艺室确认后方可选用;(附表1)3)应避免零件的展开尺寸与原材料的外廓尺寸相等,以此避免原材料误差平行转移;4)对于有装饰面要求非喷涂板材,同类产品花纹方向应一致,有条状纹路(如拉丝不锈钢)的板材,以人立于的产品正前方为视角标准,纹路方向优先选择竖向(上下)和纵向(前后),对于次要零部件或产品的次要部位,为了保持材料利用率可适当采用横向纹路;5)对于折弯性能差的厚热板件(如电梯门机件)、硬铝、有功能性回弹的零件(如电插座簧片)等,应有纤维方向的技术要求,对于有避免折弯裂纹要求的零件,料单上应有剪切毛刺方向及折弯方向的要求。第2页共10页2.孔缺结构设计规范:1)板材上的各种孔优先选用数控或冲压通用模具表格上登记的规格(附表2,附表3)。2)钣金结构零件应倒圆,这从安全和模具寿命均有利。短的突出宽度b$21,长的窄条宽度BM31。零件圆角、孔径等的最小尺寸值参照(如图3,附表4)。图3附表4推荐的最小尺寸(见图2)尺寸最小值tR14mm或2tR22tD1或D23mm1.59以下3或1.51用大数(有色金属)1.6〜9.72t(黑色金属)D32(不锈钢板)1.59以下1.5(钢板)1.59以下1.5t(其余)1.6〜9.7D4或D51.510.8以下2t0.85〜3.182.513.2〜9.73)按图2(d),当D1V1.51(有色金属),D1v21(黑色金属)时,将园孔或方孔开通成右侧的“U”型缺口即可保证良好的工艺性。4)对于距零件边缘较近的锁、折页、螺母、螺钉等附件的让位孔优先采用缺口型,从经济精度及安装拆卸的工艺性考虑,应尽可能避免封闭型(如图4)。图6第3页共10页图45)板厚W2mm的钢板适于翻边攻丝,相应的厚板不适于翻孔攻丝,详细规范参照附表4。附表4板厚与丝孔结构对照表丝孔型号板厚(mm)WM2.5M3M4M5$M6W0.7不适于在板材上设置罗纹孔。0.8铆接螺母翻边攻丝翻边攻丝点焊螺母点焊螺母1.0铆接螺母翻边攻丝翻边攻丝点焊螺母点焊螺母1.2基材攻丝翻边攻丝翻边攻丝翻边攻丝铆、焊螺母1.5基材攻丝翻边攻丝翻边攻丝翻边攻丝铆、焊螺母2.0基材攻丝基材攻丝基材攻丝翻边攻丝铆、焊螺母$2.5基材攻丝铆、焊螺母注:关于板厚与铆接紧固件的详细搭配关系请参照JGGS/GY-02-04-00《铆接紧固件选用规范》如果翻边孔与翻边孔之间及板材之间的距离太小,会造成板材的扭曲、变形,影响加工效果。设计应按右面图5推荐的最小值设计。3.弯曲结构设计规范:1)各种板材常规折弯结构依据《数控车间弯曲加工能力简介》。2)板材在弯曲机上各角度正常加工后的内R约等同于料厚,所以在图纸中不应注明内R值,与弯曲件内R配合件的倒角应大于等于内R值以免配合干涉。当料厚W2.5mm时,对内R有特殊要t求的可按R0。3)关于孔到弯曲线的最小间距,见图6。4)料厚W2.0mm时,可任意角度折弯,料厚为2.5mm时,最小折弯角度为30°,不能压死边,料厚为3.0mm时,最小折弯角度x>2.5t+t$2.5钢门第4页共10焊缝焊接工艺及设备平板点使用范t1+12冷板及不锈钢(tW2.5,t厂-图标注要备植塞对接断对接断续、-H-满角间断氩弧储能植焊二保焊氩弧二保电弧氩弧二保电弧氩弧焊电弧氩弧焊二保焊电弧焊氩弧t1+12不锈钢(tW3.0,t厂t2W2.0)最大为M10或010X25的螺柱或销与厚度不t>2.5的任意可焊材料,需在次要件上绘制tW2.5冷板及不锈钢板1.XtW2.5钢板t...

1、当您付费下载文档后,您只拥有了使用权限,并不意味着购买了版权,文档只能用于自身使用,不得用于其他商业用途(如 [转卖]进行直接盈利或[编辑后售卖]进行间接盈利)。
2、本站所有内容均由合作方或网友上传,本站不对文档的完整性、权威性及其观点立场正确性做任何保证或承诺!文档内容仅供研究参考,付费前请自行鉴别。
3、如文档内容存在违规,或者侵犯商业秘密、侵犯著作权等,请点击“违规举报”。

碎片内容

经典钣金结构设计规范

您可能关注的文档

确认删除?
VIP
微信客服
  • 扫码咨询
会员Q群
  • 会员专属群点击这里加入QQ群
客服邮箱
回到顶部