电脑桌面
添加小米粒文库到电脑桌面
安装后可以在桌面快捷访问

管道闭水实验记录表VIP免费

管道闭水实验记录表_第1页
1/13
管道闭水实验记录表_第2页
2/13
管道闭水实验记录表_第3页
3/13
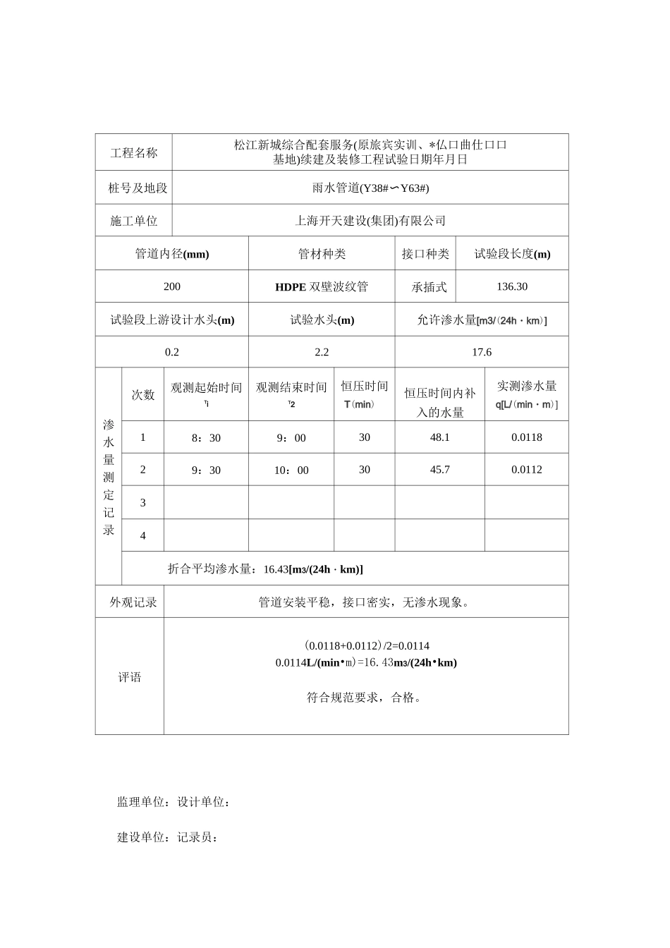
监理单位:设计单位:建设单位:记录员:工程名称松江新城综合配套服务(原旅宾实训、*仏口曲仕口口基地)续建及装修工程试验日期年月日桩号及地段雨水管道(Y38#〜Y63#)施工单位上海开天建设(集团)有限公司管道内径(mm)管材种类接口种类试验段长度(m)200HDPE双壁波纹管承插式136.30试验段上游设计水头(m)试验水头(m)允许渗水量[m3/(24h・km)]0.22.217.6渗水量测定记录次数观测起始时间Ti观测结束时间T2恒压时间T(min)恒压时间内补入的水量实测渗水量q[L/(min・m)]18:309:003048.10.011829:3010:003045.70.011234折合平均渗水量:16.43[m3/(24h・km)]外观记录管道安装平稳,接口密实,无渗水现象。评语(0.0118+0.0112)/2=0.01140.0114L/(min•m)=16.43m3/(24h•km)符合规范要求,合格。监理单位:设计单位:建设单位:记录员:施工单位:试验负责人监理单位:设计单位:建设单位:记录员:工程名称松江新城综合配套服务(原旅宾实训、*仏口曲仕口口基地)续建及装修工程试验日期年月日桩号及地段雨水管道(Y1#~Y4#Y20#~Y38#)施工单位上海开天建设(集团)有限公司管道内径(mm)管材种类接口种类试验段长度(m)200HDPE双壁波纹管承插式136.30试验段上游设计水头(m)试验水头(m)允许渗水量[m3/(24h・km)]0.22.217.6渗水量测定记录次数观测起始时间Ti观测结束时间T2恒压时间T(min)恒压时间内补入的水量实测渗水量q[L/(min・m)]18:309:003048.10.011829:3010:003045.70.011234折合平均渗水量:16.43[m3/(24h・km)]外观记录管道安装平稳,接口密实,无渗水现象。评语(0.0118+0.0112)/2=0.01140.0114L/(min•m)=16.43m3/(24h•km)符合规范要求,合格。施工单位:试验负责人监理单位:设计单位:建设单位:记录员:工程名称松江新城综合配套服务(原旅宾实训、*仏口曲仕口口基地)续建及装修工程试验日期年月日桩号及地段雨水管道(Y4#〜Y18#)施工单位上海开天建设(集团)有限公司管道内径(mm)管材种类接口种类试验段长度(m)200HDPE双壁波纹管承插式136.30试验段上游设计水头(m)试验水头(m)允许渗水量[m3/(24h・km)]0.22.217.6渗水量测定记录次数观测起始时间Ti观测结束时间T2恒压时间T(min)恒压时间内补入的水量实测渗水量q[L/(min・m)]18:309:003048.10.011829:3010:003045.70.011234折合平均渗水量:16.43[m3/(24h・km)]外观记录管道安装平稳,接口密实,无渗水现象。评语(0.0118+0.0112)/2=0.01140.0114L/(min•m)=16.43m3/(24h•km)符合规范要求,合格。监理单位:设计单位:建设单位:记录员:施工单位:试验负责人监理单位:设计单位:建设单位:记录员:工程名称松江新城综合配套服务(原旅宾实训、*仏口曲仕口口基地)续建及装修工程试验日期年月日桩号及地段污水管道(W31#〜W36#)施工单位上海开天建设(集团)有限公司管道内径(mm)管材种类接口种类试验段长度(m)200HDPE双壁波纹管承插式136.30试验段上游设计水头(m)试验水头(m)允许渗水量[m3/(24h・km)]0.22.217.6渗水量测定记录次数观测起始时间Ti观测结束时间T2恒压时间T(min)恒压时间内补入的水量实测渗水量q[L/(min・m)]18:309:003048.10.011829:3010:003045.70.011234折合平均渗水量:16.43[m3/(24h・km)]外观记录管道安装平稳,接口密实,无渗水现象。评语(0.0118+0.0112)/2=0.01140.0114L/(min•m)=16.43m3/(24h•km)符合规范要求,合格。监理单位:设计单位:建设单位:记录员:施工单位:试验负责人监理单位:设计单位:建设单位:记录员:工程名称松江新城综合配套服务(原旅宾实训、*仏口曲仕口口基地)续建及装修工程试验日期年月日桩号及地段污水管道(W20#〜W11#〜W2#〜W1#〜W23#〜W31#)施工单位上海开天建设(集团)有限公司管道内径(mm)管材种类接口种类试验段长度(m)200HDPE双壁波纹管承插式136.30试验段上游设计水头(m)试验水头(m)允许渗水量[m3/(24h・km)]0.22.217.6渗水量测定记录次数观测起始时间Ti观测结束时间T2恒压时间T(min)恒压时间内补入的水量实测渗水量q[L/(min・m)]18:309:003048.10.011829:3010:003045.70.011234折合平均渗水量:16.43[m3/(24h・km)]外观记录管道安装平稳,接口密实,无渗水现象。...

1、当您付费下载文档后,您只拥有了使用权限,并不意味着购买了版权,文档只能用于自身使用,不得用于其他商业用途(如 [转卖]进行直接盈利或[编辑后售卖]进行间接盈利)。
2、本站所有内容均由合作方或网友上传,本站不对文档的完整性、权威性及其观点立场正确性做任何保证或承诺!文档内容仅供研究参考,付费前请自行鉴别。
3、如文档内容存在违规,或者侵犯商业秘密、侵犯著作权等,请点击“违规举报”。

碎片内容

管道闭水实验记录表

wxg+ 关注
实名认证
内容提供者

该用户很懒,什么也没介绍

确认删除?
VIP
微信客服
  • 扫码咨询
会员Q群
  • 会员专属群点击这里加入QQ群
客服邮箱
回到顶部