电脑桌面
添加小米粒文库到电脑桌面
安装后可以在桌面快捷访问

化工企业危险源识别评价汇总表及重大危险源清单VIP免费

化工企业危险源识别评价汇总表及重大危险源清单_第1页
1/21
化工企业危险源识别评价汇总表及重大危险源清单_第2页
2/21
化工企业危险源识别评价汇总表及重大危险源清单_第3页
3/21
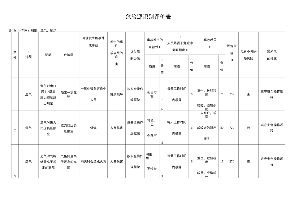
化工企业危险源识别评价汇总表及重大危险源清单危险源识别评价表部门:PA,PC成品库区序号过程活动危险源¥可能发生的事件或事故发生的事件或事故的危害现行控制办法事故发生的可能性L人员暴露于危险中频繁程度E事故后果C)评价分值D是否不可接受风险需采取的措施描述分值描述分值】描述分值1PA,PC成品库用消防栓消防栓位置¥职工个人物品阻塞通道救火不及时人身伤亡现场监督检查相当可能6每天工作时间内暴露6重伤,致残程度较重,或造成一15540否现场监督检查,清理闲杂物品,畅通2PA,PC成品库码放成品/登高作业高空坠落坠落人身伤害按安全操作规程做相当可能6%每天工作时间内暴露6重伤,致残程度较轻,或较少的7252否遵守安全操作规程3【清洗PA,PC成品外包装洗枪电机没有防护罩洗枪电机没有防护罩卷缠人手脚人身伤害按安全操作规程做相当可能6每天工作时间内暴露6重伤,致残程度较轻,或较少的7252否电机加上防护罩4?装卸PA,PC成品装卸成品用的手推车机械问题和爆胎发生机械问题和爆胎碰伤操作工人身伤害定期维修相当可能|6每天工作时间内暴露6轻伤,或很小的财产损失3108是定期维修|5装卸PA,PC成品装卸成品时的防酸手套手套破损PA,PC沾到健康损害定期更换相当可能6每天工作时间内暴露6轻伤,或很小的财产损失3108是】定期更换6装卸PA,PC成品成品外包装沾有物料PA,PC损伤人体皮肤健康损害¥按安全操作规程做相当可能6每天工作时间内暴露6轻伤,或很小的财产损失3108是遵守安全操作规程7装卸PA,PC成品叉车操作吊钩脱落成品砸到下面的操作工或者叉车伤到司机(人身伤害定期检查叉车吊钩相当可能6每天工作时间内暴露6重伤,致残程度较轻,或较少的7【252否定期检查叉车吊钩编制:审核:年月日危险源识别评价表部门:一车间:制氧,造气,锅炉序号{过程活动危险源可能发生的事件或事故发生的事件或事故的危害现行控制办法事故发生的可能性L【人员暴露于危险中频繁程度E事故后果C评价分值D是否不可接受风险需采取的措施描述]分值描述分值描述分值1造气造气时出口压力/塔底压力控制超出规定溢出一氧化碳一氧化碳危害作业人员健康损坏按安全操作规程做相当可能<6每天工作时间内暴露6重伤,致残程度较轻,或较少的7252否遵守安全操作规程>2造气造气时进力口压负压抽空进力口压负压抽空爆炸人身伤害按安全操作规程做可能,但不经常)3每天工作时间内暴露6一人死亡,或造成较大的财产损失40720否遵守安全操作规程3造气造气时气柜储量高于规定的高限气柜储量高于规定的高限雨天时会造成火灾人身伤害按安全操作规程做可能,但不经常3每天工作时间内暴露6重伤,致残程度较重,或造成一15270否遵守安全操作规程?4硫酸储罐区输送管道碳钢管道与硫酸反应/管道接口法兰垫片老化,管道损坏漏酸/接口密封不严漏出硫酸溅到操作工身上,刺激呼吸道健康损坏人身伤害按安全操作规程做相当可能6每天工作时间内暴露6重伤,致残程度较轻,或较少的财产损失7252&否加强现场监督检查,及时更换5锅炉运行循环水池用的除垢剂摆放不规范¥搬到作业人员人身伤害无相当可能6每天工作时间内暴露6轻伤,或很小的财产损失3108是加强现场监督检查,及时纠正6锅炉运行锅炉分液缸压力控制分液缸压力控制超出规定锅炉爆炸伤亡按安全操作规程做可能性小,完全意外1每天工作时间内暴露6数人以上死亡,或造成很大财产损失100600否遵守安全操作规程7锅炉运行*液面排污控制不按规定操作锅炉爆炸伤亡按安全操作规程做可能性小,完全意外1每天工作时间内暴露¥6数人以上死亡,或造成很大财产损失100600否遵守安全操作规程8锅炉运行《锅炉运行产生噪声噪声损伤人耳健康损坏听力受损操作室隔音相当可能&6每天工作时间内暴露6轻伤,或很小的财产损失3108是加强职工防护&锅炉用煤炭储存位置不当,占用消煤炭储存位置救火困难人身伤害]相当可能6每天工作时间6轻伤,或很小的3108%更换储存地点9通道不当,占用消防通道无内暴露财产损失是10新项目管道备件放置不规范管道备件放置不规范易绊倒人》人身伤害无相当可能6每天工作时间内暴露6轻伤,或很小的财产损失3》108是加强现场监督检查,规范摆放编制:审核:年月日危险源识别评价表部门:二...

1、当您付费下载文档后,您只拥有了使用权限,并不意味着购买了版权,文档只能用于自身使用,不得用于其他商业用途(如 [转卖]进行直接盈利或[编辑后售卖]进行间接盈利)。
2、本站所有内容均由合作方或网友上传,本站不对文档的完整性、权威性及其观点立场正确性做任何保证或承诺!文档内容仅供研究参考,付费前请自行鉴别。
3、如文档内容存在违规,或者侵犯商业秘密、侵犯著作权等,请点击“违规举报”。

碎片内容

化工企业危险源识别评价汇总表及重大危险源清单

您可能关注的文档

wxg+ 关注
实名认证
内容提供者

该用户很懒,什么也没介绍

确认删除?
VIP
微信客服
  • 扫码咨询
会员Q群
  • 会员专属群点击这里加入QQ群
客服邮箱
回到顶部