电脑桌面
添加小米粒文库到电脑桌面
安装后可以在桌面快捷访问

无缝钢管安装质量评定表VIP免费

无缝钢管安装质量评定表_第1页
1/9
无缝钢管安装质量评定表_第2页
2/9
无缝钢管安装质量评定表_第3页
3/9
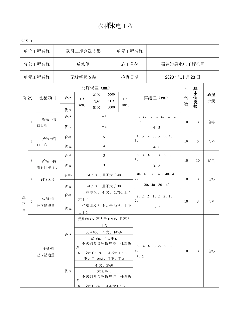
CB18工序/单元工程施工质量报验单(承包[2020]质报011号)合同名称:盐亭县武引二期金洗支渠合同编号:致:(监理机构)四川腾越建设监理有限责任公司:DN90*6钢管安装□工序/□单兀工程已按合同要求完成施工,经自检合格,报请贵方复核。附:口管节安装工序施工质量评定表□焊缝外观质量工序施工质量检查、检测记录□焊缝内部质晕单兀工程施工质量评定表□表面防腐蚀安装单兀工程施工质量检查、检测记录承包人:(现场机构名称及盖章)福建崇禹水电工程公司质检负责人:(签名)日期:2018年4月23日监理机构意见复核结果:□同意进入下一工序□不同意进入下一工序□同意进入下一单元工程□不同意进入下一单元工程监理机构:(名称及盖章)四川省蜀典工程监理有限责任公司盐亭分公司监理工程师:(签名)日期:2018年4月230说明:本表一式_份,由承包人填写。监理机构复核后,监理机构—份、承包人份。水利水电工程压力钢管单元工程安装质量验收评定表单位工程名称武引二期金洗支渠单元工程量分部工程名称机电设备及安装工程安装单位福建崇禹水电工程公司单元工程名称、部位DN80*5钢管评定日期年月日项次项目主控项目(个)一般项目(个)合格数其中优良数合格数其中优良数1管节安装(见表5.1.1)2焊缝外观质量(见表5.1.2)3焊缝内部质晕(见表5.1.3)4表面防腐蚀安装(见表5.1.4)试运行效果质量标准(见附表A.0.2-2)安装单位自评意见各项试验和单元工程试运行符合要求,各项报验资料符合规定。检验项目全部合格。检验项目优良率为,其中主控项目优良率为,单元工程安装质量验收评定等级为。(签字,加盖公章)年月日监理单位意见各项试验和单元工程试运行符合要求,各项报验资料符合规定。检验项目全部合格。检验项目优良率为,其中主控项目优良率为,单元工程安装质量验收评定等级为。(签字,加盖公章)年月日注1:主控项目和一般项目中的合格数指达到合格及其以上质量标准的项目个数。2:检验项目优良率=(主控项目优良数+一般项目优良数)/检验项目总数X100%。表5.1-水利水电工程压力钢管管节安装工序质量检查表日期:单位工程名称武引二期金洗支渠单元工程名称分部工程名称放水闸施工单位福建崇禹水电工程公司单元工程名称无缝钢管安装检查日期2020年11月23日项次检验项目允许误差(mm)实测值(mm)合格数其中优良数质量等级合格DW200020008000优良般项目1与蜗壳、伸缩节、蝴蝶阀、球阀、岔管连接的管节及弯管起点的管口中心合格61012126、5、6、6、6、5、6、6、6、6102合格优良2与其他部位管节的管口中心合格1520253015、15、10、15、15、15、10、15、15、10103合格优良101520253鞍式支座顶面弧度和样板间隙合格不大于22、2、1、2、2、1、2、2、1、2103合格优良4滚动支座或摇摆支座的支墩垫板高程和纵、横中心合格±55、5、4、5、5、4、5、5、4、5103合格优良±45支墩垫板与钢管设计轴线的倾斜度合格不大于2/10002、2、1、2、2、1、2、2、1、2103合格优良6各接触面的局部间隙(滚动支座和摇摆支座)合格不大于0.50.5、0.5、0.4、0.5、0.5、0.5、0.4、0.5、0.4、0.5103合格优良注:D一钢...

1、当您付费下载文档后,您只拥有了使用权限,并不意味着购买了版权,文档只能用于自身使用,不得用于其他商业用途(如 [转卖]进行直接盈利或[编辑后售卖]进行间接盈利)。
2、本站所有内容均由合作方或网友上传,本站不对文档的完整性、权威性及其观点立场正确性做任何保证或承诺!文档内容仅供研究参考,付费前请自行鉴别。
3、如文档内容存在违规,或者侵犯商业秘密、侵犯著作权等,请点击“违规举报”。

碎片内容

无缝钢管安装质量评定表

确认删除?
VIP
微信客服
  • 扫码咨询
会员Q群
  • 会员专属群点击这里加入QQ群
客服邮箱
回到顶部