电脑桌面
添加小米粒文库到电脑桌面
安装后可以在桌面快捷访问

四等水准测量竞赛规则VIP免费

四等水准测量竞赛规则_第1页
1/8
四等水准测量竞赛规则_第2页
2/8
四等水准测量竞赛规则_第3页
3/8
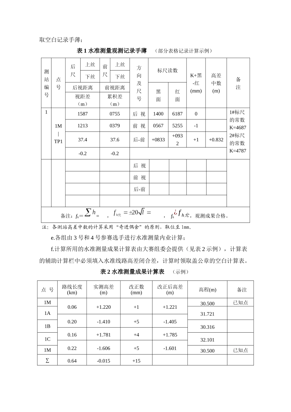
图1闭合水准路线示意图第三部分四等水准测量竞赛规则1)执行规范参照《GB/T12898-2009国家三、四等水准测量规范》。2)水准路线形式三个未知点和一个已知点M组成的闭合水准路线(见图1),水准路线总长约为900米。3)具体内容①参赛小组在规定的时间内用精度不低于3mm的自动安平水准仪独立完成规定路线的四等水准测量;②根据观测高差和起算点高程在规定时间内独立计算出水准路线上另外3个未知水准点的高程。4)比赛要求a.参赛小组的四个同学,编号为1、2、3、4号,按规范要求独立完成指定闭合水准路线的全部观测;b.各组独立观测一条路线,路线的起始点及待定点由竞赛委员会事先确定,抽签确定各组所观测的路线;如第1组起算点为1M,待定点分别为1A、1B、1C;第2组起算点为2M,待定点为2A、2B、2C,依次类推。数字为组号,字母为水准点号。c.参赛小组每位同学独立完成一个测段(即两个指定水准点之间的一段路线)的观测、另一测段的记录和计算,具体方案如下:1号测段(已知点M到A未知点)由本组1号选手独立进行仪器安置、观测,2号选手进行记录,计算,3、4号选手负责水准尺放置2号测段(A点到B未知点)由本组2号选手独立进行仪器安置、观测,3号选手进行记录,计算,1、4号选手负责水准尺放置3号测段(B点到C未知点)由本组3号选手独立进行仪器安置、观测,4号选手进行记录,计算,1、2号选手负责水准尺放置4号测段(C点到已知点M)由本组4号选手独立进行仪器安置、观测,1号选手进行记录,计算,2、3号选手负责水准尺放置d.记录必须用大赛组委会发的有盖章的记录手薄(见表1示例),在比赛时领CBAM取空白记录手薄;表1水准测量观测记录手薄(部分表格记录计算示例)测站编号点号后尺上丝前尺上丝方向及尺号标尺读数K+黑-红(mm)高差中数(m)备注下丝下丝后视距离前视距离黑面红面视距差(m)累积差(m)11M|TP115870755后视1400618701#标尺的常数K=46872#标尺的常数K=478712130379前视05675255-137.437.6后-前+0833+0932+1+0.832-0.2-0.2后视前视后-前备注:fh==,,fh¿fh允,观测成果合格。注:各测站高差中数的计算采用“奇进偶舍”的原则,取位至1mm。e.各组由3号和4号参赛选手进行水准测量内业计算;f.计算所用的水准测量成果计算表由大赛组委会提供(见表2示例),计算表的辅助计算栏中必须填入水准线路高差闭合差,计算时领取盖公章的空白计算表。表2水准测量成果计算表(示例)点号路线长度(km)实测高差(m)改正数(mm)改正后高差(m)高程(m)备注1M0.06+1.220+1+1.22130.500已知点1A31.7210.20-1.410+5-1.4051B30.3160.16+1.781+4+1.7851C32.1010.22-1.606+5-1.6011M30.500已知点∑0.64-0.015+15注:距离取位至0.01km,测段高差、改正数及点之高程取位至1mm。g.外业观测时间为90分钟,内业计算时间为30分钟,超出规定时间将终止比赛,整个水准测量比赛成绩无效;h.仪器操作应符合要求,仪器在迁站过程中不必装箱、但要带箱,迁站时仪器和脚架应在一竖直状态;手簿记录须规范、完整,并标明参赛组号,全部测站观测结束后将记录手簿上缴给裁判;i.外业观测采用所有测站连续计时的方法,即外业观测时间为裁判宣布比赛开始(选手拿到仪器时),到选手将仪器装箱、上缴观测成果、把所有物品放回原处后结束;j.外业观测结束后,由工作人员带领到指定地点进行内业计算,从领取成果计算表和本组外业观测记录手簿后开始计时,到上缴成果计算表和本组外业观测记录手簿后结束。闭合差分配采用与路线长度成比例的近似平差,计算所用计算器自备;k.搬站时,不允许出现不顾安全的狂跑现象,以观测人员行走速度为标准。l.各小组独立作业,不得故意妨碍或阻挡其他小组的观测,经裁判劝告无效者取消比赛资格。m.按规范操作测量仪器,若违规使用导致仪器损坏的,取消比赛资格。5)技术要求a.根据规范,水准观测和计算限差见表3:表3水准测量基本技术要求项目等级视线长度(m)前后视较差(m)任一测站前后视累积差(m)黑红面读数之差(mm)黑红面所测高差较差(mm)闭合路线闭合差(mm)四等≤100≤5.0≤10.0≤3.0≤5.0≤20√L注:L为水准路线长度,以km计。b.记录时,所记数字应稍大于半个格子,以便于...

1、当您付费下载文档后,您只拥有了使用权限,并不意味着购买了版权,文档只能用于自身使用,不得用于其他商业用途(如 [转卖]进行直接盈利或[编辑后售卖]进行间接盈利)。
2、本站所有内容均由合作方或网友上传,本站不对文档的完整性、权威性及其观点立场正确性做任何保证或承诺!文档内容仅供研究参考,付费前请自行鉴别。
3、如文档内容存在违规,或者侵犯商业秘密、侵犯著作权等,请点击“违规举报”。

碎片内容

四等水准测量竞赛规则

确认删除?
VIP
微信客服
  • 扫码咨询
会员Q群
  • 会员专属群点击这里加入QQ群
客服邮箱
回到顶部