电脑桌面
添加小米粒文库到电脑桌面
安装后可以在桌面快捷访问

四队中学教案纸碳酸钠的性质与应用-20121122111622453VIP免费

四队中学教案纸碳酸钠的性质与应用-20121122111622453_第1页
1/5
四队中学教案纸碳酸钠的性质与应用-20121122111622453_第2页
2/5
四队中学教案纸碳酸钠的性质与应用-20121122111622453_第3页
3/5
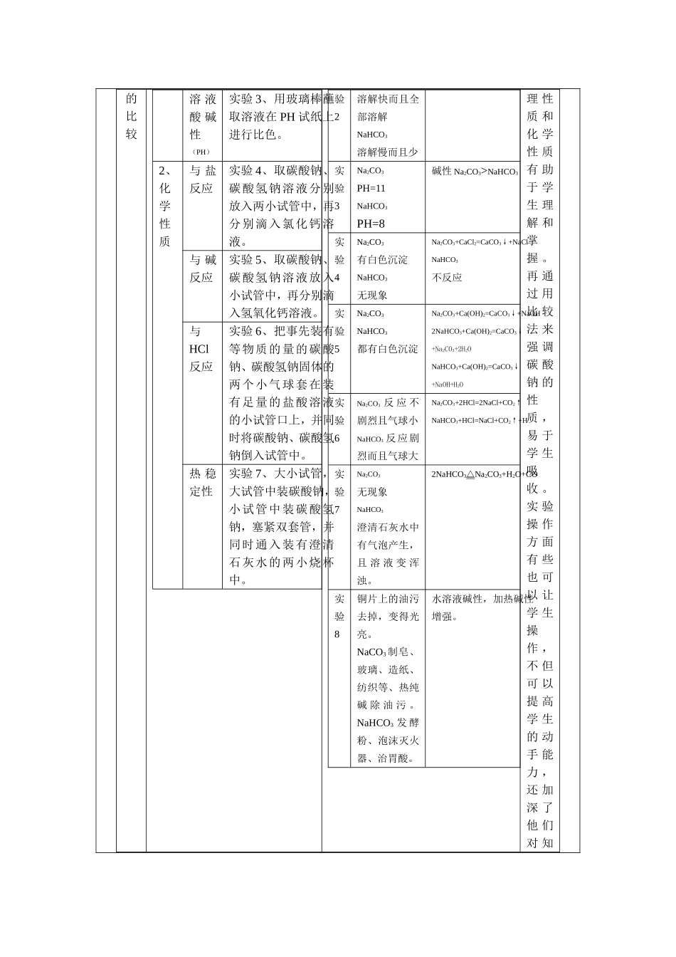
四队中学教案纸(备课人:王星星学科:化学)备课时间2012.11.10教学课题碳酸钠的性质与应用教时计划1教学课时1-1教学目标1.用对比实验的方法探究碳酸钠、碳酸氢钠的性质差异。2.通过对侯氏制碱法生产流程的分析,了解侯氏制碱法的化学原理。3.认识碳酸钠、碳酸氢钠与人类生产生活的密切关系。重点难点重点:碳酸钠、碳酸氢钠的性质差异。难点:侯氏制碱法的化学原理。教学过程学习课题教师活动学生活动教学设想引入课题在中国的近代的历史上,“宋氏三姐妹”名气很响(宋庆龄、宋美龄、宋爱龄)。在化学王国里也有三姐妹那是“苏氏三姐妹”——苏打、小苏打、大苏打,今天我们学习能过比较老二和老小的性格来重点认识老二的性格也就是碳酸钠的性质及应用。细听、思考。发展学生学习化学的兴趣,激发他们探求新知识的欲望。一、碳酸钠与碳酸氢钠Na2CO3NaHCO1、物理性质俗名色态1、展示实物观察溶解性(水)实验2、取等质量碳酸钠、碳酸氢钠分别放入两小试管中,加入等量水实验部分由老师演示部分由学生亲身实践,学生仔细观察,并通过实验现象总结出结论或解释。现象结论俗名Na2CO3纯碱、苏打NaHCO3小苏打实验1Na2CO3白色粉末NaHCO3白色晶体实Na2CO3溶解度Na2CO3>NaHCO通过大量的实验来验证Na2CO3NaHCO3的物的比较溶液酸碱性(PH)实验3、用玻璃棒蘸取溶液在PH试纸上进行比色。2、化学性质与盐反应实验4、取碳酸钠、碳酸氢钠溶液分别放入两小试管中,再分别滴入氯化钙溶液。与碱反应实验5、取碳酸钠、碳酸氢钠溶液放入小试管中,再分别滴入氢氧化钙溶液。与HCl反应实验6、把事先装有等物质的量的碳酸钠、碳酸氢钠固体的两个小气球套在装有足量的盐酸溶液的小试管口上,并同时将碳酸钠、碳酸氢钠倒入试管中。热稳定性实验7、大小试管,大试管中装碳酸钠,小试管中装碳酸氢钠,塞紧双套管,并同时通入装有澄清石灰水的两小烧杯中。验2溶解快而且全部溶解NaHCO3溶解慢而且少实验3Na2CO3PH=11NaHCO3PH=8碱性Na2CO3>NaHCO3实验4Na2CO3有白色沉淀NaHCO3无现象Na2CO3+CaCl2=CaCO3↓+NaClNaHCO3不反应实验5Na2CO3NaHCO3都有白色沉淀Na2CO3+Ca(OH)2=CaCO3↓+NaOH2NaHCO3+Ca(OH)2=CaCO3↓+Na2CO3+2H2ONaHCO3+Ca(OH)2=CaCO3↓+NaOH+H2O实验6Na2CO3反应不剧烈且气球小NaHCO3反应剧烈而且气球大Na2CO3+2HCl=2NaCl+CO2↑NaHCO3+HCl=NaCl+CO2↑+H实验7Na2CO3无现象NaHCO3澄清石灰水中有气泡产生,且溶液变浑浊。2NaHCO3△Na2CO3+H2O+CO实验8铜片上的油污去掉,变得光亮。NaCO3制皂、玻璃、造纸、纺织等、热纯碱除油污。NaHCO3发酵粉、泡沫灭火器、治胃酸。水溶液碱性,加热碱性增强。理性质和化学性质有助于学生理解和掌握。再通过用比较法来强调碳酸钠的性质,易于学生吸收。实验操作方面有些也可以让学生操作,不但可以提高学生的动手能力,还加深了他们对知3、用途实验8、在一只烧杯中加入50mL0.5mol·L-1的碳酸钠溶液,用酒精灯将碳酸钠溶液加热至接近沸腾。将一块有油污的铜片浸入碳酸钠溶液中,静置约2min。用镊子将铜片从溶液中取用后,用水冲洗干净。比较浸入碳酸钠溶液前后铜片表面的情况。识点的理解和掌握。二、侯氏制过渡:通过作业中遇到的问题引入。完成Na的用途作业时遇到了一个问题:用Na来工业上制取Na2CO3和NaOH可不可以?不可以,钠比Na2CO3贵,经济角度讲不合理。通过对现实问题的讨碱法论,增强学生对学习化学的重要性的认识。通过自学法学习“侯氏制碱法”增强学生的自学能力,培养学生独立思考的思维模式。老师:那么如何来制取Na2CO3呢?板书:二、侯氏制碱法教材第52页的“侯氏制碱法流程图”,请带着如下问题去详读:1.反应原理是什么?2.NH3和CO2两种气体,哪一种先通入饱和的NaCl溶液中?为什么?3.NaHCO3和NH4Cl两种物质,为何是NaHCO3先从溶液中结晶析出?4.“联合制碱法”的“联合”意义何在?5.“联合制碱法”的还能得到什么副产品?讨论时,教师带领学生解释流程图。板书:反应原理NaCl+NH3+CO2+H2O==NaHCO3+NH4Cl2NaHCO3△Na2CO3+H2O+CO2↑看书回答:以NaCl为原料的侯氏制碱法P52带问题详读。1.反应原理NaCl+NH3+CO2+H2O==NaHCO3+NH4Cl2NaHCO3△Na2CO3+H2...

1、当您付费下载文档后,您只拥有了使用权限,并不意味着购买了版权,文档只能用于自身使用,不得用于其他商业用途(如 [转卖]进行直接盈利或[编辑后售卖]进行间接盈利)。
2、本站所有内容均由合作方或网友上传,本站不对文档的完整性、权威性及其观点立场正确性做任何保证或承诺!文档内容仅供研究参考,付费前请自行鉴别。
3、如文档内容存在违规,或者侵犯商业秘密、侵犯著作权等,请点击“违规举报”。

碎片内容

四队中学教案纸碳酸钠的性质与应用-20121122111622453

您可能关注的文档

文章天下+ 关注
实名认证
内容提供者

各种文档应有尽有

相关文档

确认删除?
VIP
微信客服
  • 扫码咨询
会员Q群
  • 会员专属群点击这里加入QQ群
客服邮箱
回到顶部