电脑桌面
添加小米粒文库到电脑桌面
安装后可以在桌面快捷访问

塔吊防人爬装置施工方案VIP免费

塔吊防人爬装置施工方案_第1页
1/8
塔吊防人爬装置施工方案_第2页
2/8
塔吊防人爬装置施工方案_第3页
3/8
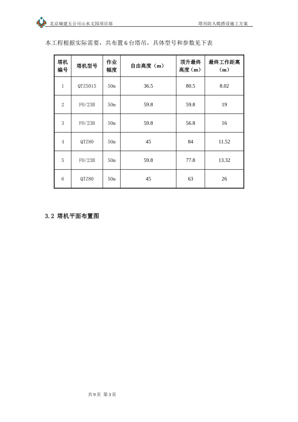
北京城建五公司山水文园项目部塔吊防人爬搭设施工方案目录1.编制依据......................................................................................................................................22.工程概况......................................................................................................................................22.1总体概况............................................................................................................................22.2建筑概况............................................................................................................................32.3结构概况............................................................................................................................43.塔吊平面布置图..........................................................................................................................43.1塔机型号及参数..............................................................................................................43.2塔机平面布置图..............................................................................................................54.塔吊防爬装置搭设......................................................................................................................54.1平台放置位置....................................................................................................................54.2平台制作材料..................................................................................................................54.3平台加工示意图................................................................................................................65.安全注意事项..............................................................................................................................91.编制依据1.1相关规范规程名称编号建筑施工高处作业安全技术规范JGJ80—91建筑施工安全检查标准JGJ59-2011建设工程施工现场安全防护、场容卫生、环境保护及保卫消防标准北京市建筑工程施工安全操作规程1.2京商商贸城D地块二期工程联排商业楼及地下室一层车库图纸(结构)1.3京商商贸城D地块工程岩土地质勘察报告1.4QTZ63、QTZ80塔吊安装使用说明书1.5京商商贸城D地块二期工程施工组织设计2.工程概况2.1总体概况共9页第1页北京城建五公司山水文园项目部塔吊防人爬搭设施工方案序号项目内容1工程名称京商商贸城D地块二期工程2工程地点合肥市大禹路与淮海大道与泗水路与卧龙路之间3建设单位合肥市京商融合置地有限公司4设计单位广东新长安建筑设计院有限公司5监理单位安徽南巽建设项目管理投资有限公司6质量监督单位合肥市新站区质量监督站7施工总承包单位安徽省隆峰建设工程有限公司2.2建筑概况序号项目内容1占地面积约168150㎡2建筑功能商业、办公、餐饮、车库等3总建筑面积573776㎡4标高±0.000=36.00m,室内外高差100mm5抗震设防裂度7度、抗震等级三级6建筑结构安全等级二级7耐火等级二级2.3结构概况序号项目内容1结构形式现浇四层框架及一层地下室框架结构2抗震要求抗震等级为三级;设防烈度7度3建筑设计耐久年限工程设计使用年限为50年4场地土类别建筑场地为II级5基础形式独立基础3.塔吊平面布置图3.1塔机型号及参数共9页第2页北京城建五公司山水文园项目部塔吊防人爬搭设施工方案本工程根据实际需要,共布置6台塔吊,具体型号和参数见下表塔机编号塔机型号作业幅度自由高度(m)顶升最终高度(m)最终工作距离(m)1QTZ501550m36.580.58.022FO/23B50m59.859.8193FO/23B50m59.856.8164QTZ8050m458411.525FO/23B50m59.877.813.326QTZ8050m4563263.2塔机平面布置图共9页第3页北京城建五公司山水文园项目部塔吊防人爬搭设施工...

1、当您付费下载文档后,您只拥有了使用权限,并不意味着购买了版权,文档只能用于自身使用,不得用于其他商业用途(如 [转卖]进行直接盈利或[编辑后售卖]进行间接盈利)。
2、本站所有内容均由合作方或网友上传,本站不对文档的完整性、权威性及其观点立场正确性做任何保证或承诺!文档内容仅供研究参考,付费前请自行鉴别。
3、如文档内容存在违规,或者侵犯商业秘密、侵犯著作权等,请点击“违规举报”。

碎片内容

塔吊防人爬装置施工方案

您可能关注的文档

确认删除?
VIP
微信客服
  • 扫码咨询
会员Q群
  • 会员专属群点击这里加入QQ群
客服邮箱
回到顶部