电脑桌面
添加小米粒文库到电脑桌面
安装后可以在桌面快捷访问

塔吊基础专项施工方案(同名16792)VIP免费

塔吊基础专项施工方案(同名16792)_第1页
1/15
塔吊基础专项施工方案(同名16792)_第2页
2/15
塔吊基础专项施工方案(同名16792)_第3页
3/15
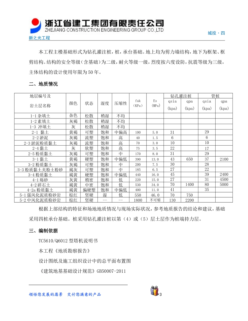
城投·四新之光工程目录目录..............................................................................................................................................1一、工程概况................................................................................................................................2二、地质情况................................................................................................................................3三、编制依据................................................................................................................................3四、塔吊选型布置及其性能........................................................................................................4五、塔吊基础施工........................................................................................................................4六、塔吊四桩承台基础的验算书................................................................................................7附:塔吊承台基础图塔吊平面定位图一、工程概况领悟您发展的愿景交付您满意的产品1城投·四新之光工程1、工程名称:城投·四新之光工程2、建设单位:武汉新天澜置业投资开发有限公司3、设计单位:中信建筑设计研究总院有限公司4、监理单位:武汉飞虹建设监理有限公司5、施工单位:浙江省建工集团有限责任公司6、工期要求:施工暂定总工期为820日历天7、质量要求:验收合格。工程地点及周边环境:本工程位于武汉市汉阳区“四新片区”,南侧紧邻四新南路,北侧隔二、三期空场地为办公区及生活区,西侧紧邻连通港西路,东侧紧邻子期路;建筑用地面积约为42389平方米,建筑总面积为157134.84平方米,其中地下室建筑总面积为33803.27平方米地面建设有6栋高层住宅楼(C1,C3,C4,C5,C6,C7)和1栋(C2)46层超高层住宅,C1,C4,C6楼栋设有一层商业裙房,同时地块设有2栋配电房建筑(C8,C9)。工程设有一层地下室,为项目地下停车库及设备用房区域。拟建物具体特征一览表如下:建筑物单体名称建筑面积(m2)地下/地上层数地上/地下建筑高度(m)结构类型层高(m)32层住宅(C1#)1430/1593332/198.4剪力墙结构346层住宅(C2#)1450/22133.8146/1138.9剪力墙结构333层住宅(C3#)1260/16820.4333/199.8剪力墙结构329层住宅(C4#)1120/1402029/189.4剪力墙结构333层住宅(C5#)1260/16820.4333/199.8剪力墙结构332层住宅(C6#)1180/1450532/198.4剪力墙结构335层住宅(C7#)1340/1911835/198.65剪力墙结构2.81层大地下室33803.271-框架结构3.9领悟您发展的愿景交付您满意的产品2城投·四新之光工程本工程主楼基础形式为钻孔灌注桩,桩,承台基础。地上均为剪力墙结构,地下为框架、框剪结构。结构的安全等级(含基础)为二级,耐火等级一级,烈度按六度设防,抗震等级为三级,主体结构的设计使用年限为50年。二、地质情况地层编号及岩土层名称颜色状态湿度压缩性fak(KPa)Es(MPa)钻孔灌注桩管桩qsia(kpa)qpa(kpa)qsia(kpa)qpa(kpa)1-1杂填土杂色松散稍湿不均1-2素填土灰褐松散稍湿不均1-3冲填土灰松散稍湿不均2-1黏土黄褐可塑饱和中偏高1005.031292-2淤泥灰褐流塑饱和高401.5662-3淤泥粉质黏土灰褐流塑饱和高703.010102-4黏土灰软塑饱和高753.522172-5粉质黏土灰褐可塑饱和中1708.031293-1黏土黄褐硬塑饱和中偏低39013.0436503721003-2粉质黏土灰褐可塑饱和中2007.530283-3粉质黏土夹粉土粉砂褐灰可塑饱和中1856.527223-4粉质黏土褐黄硬塑饱和中偏低44016.0453924004-1砾砂灰黄稍密饱和低22015.0273145004-2碎石土褐黄中密饱和低53034.07014008050004-2a粉质黏土褐黄偏硬塑饱和中偏低40011.041355-1强风化泥质粉砂岩棕红坚硬湿低55046.0707505-2中风化泥质粉砂岩棕红坚硬----1800不可缩1302200根据上部结构的特征和场地地质情况与现场实际状况,参考地质报告的结论和建议,基础采用四桩承台基础。桩采用钻孔灌注桩以第(4)或...

1、当您付费下载文档后,您只拥有了使用权限,并不意味着购买了版权,文档只能用于自身使用,不得用于其他商业用途(如 [转卖]进行直接盈利或[编辑后售卖]进行间接盈利)。
2、本站所有内容均由合作方或网友上传,本站不对文档的完整性、权威性及其观点立场正确性做任何保证或承诺!文档内容仅供研究参考,付费前请自行鉴别。
3、如文档内容存在违规,或者侵犯商业秘密、侵犯著作权等,请点击“违规举报”。

碎片内容

塔吊基础专项施工方案(同名16792)

确认删除?
VIP
微信客服
  • 扫码咨询
会员Q群
  • 会员专属群点击这里加入QQ群
客服邮箱
回到顶部