电脑桌面
添加小米粒文库到电脑桌面
安装后可以在桌面快捷访问

塔吊维修保养记录表VIP免费

塔吊维修保养记录表_第1页
1/6
塔吊维修保养记录表_第2页
2/6
塔吊维修保养记录表_第3页
3/6
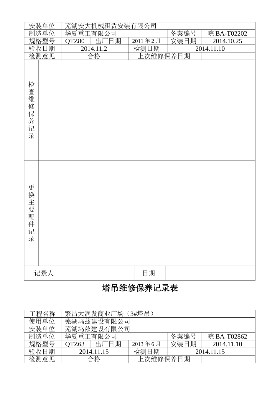
塔吊维修保养记录表工程名称繁昌大润发商业广场(1#塔吊)使用单位芜湖鸠兹建设有限公司安装单位芜湖安大机械租赁安装有限公司制造单位长沙中联重工科技发展股份有限公司备案编号皖BA-T01751规格型号QTZ80出厂日期2011年2月安装日期2014.10.25验收日期2014.11.2检测日期2014.11.10检测意见合格上次维修保养日期检查维修保养记录更换主要配件记录记录人日期塔吊维修保养记录表工程名称繁昌大润发商业广场(2#塔吊)使用单位芜湖鸠兹建设有限公司安装单位芜湖安大机械租赁安装有限公司制造单位华夏重工有限公司备案编号皖BA-T02202规格型号QTZ80出厂日期2011年2月安装日期2014.10.25验收日期2014.11.2检测日期2014.11.10检测意见合格上次维修保养日期检查维修保养记录更换主要配件记录记录人日期塔吊维修保养记录表工程名称繁昌大润发商业广场(3#塔吊)使用单位芜湖鸠兹建设有限公司安装单位芜湖鸠兹建设有限公司制造单位华夏重工有限公司备案编号皖BA-T02862规格型号QTZ63出厂日期2013年6月安装日期2014.11.10验收日期2014.11.15检测日期2014.11.15检测意见合格上次维修保养日期检查维修保养记录更换主要配件记录记录人日期塔吊维修保养记录表工程名称繁昌大润发商业广场(4#塔吊)使用单位芜湖鸠兹建设有限公司安装单位芜湖恒信起重租赁有限公司制造单位华夏重工有限公司备案编号皖BA-T02791规格型号QTZ63出厂日期2013年5月安装日期2014.11.5验收日期2014.11.10检测日期2014.11.12检测意见合格上次维修保养日期检查维修保养记录更换主要配件记录记录人日期塔吊维修保养记录表工程名称繁昌大润发商业广场(5#塔吊)使用单位芜湖鸠兹建设有限公司安装单位芜湖恒信起重租赁有限公司制造单位华夏重工有限公司备案编号皖BA-T02790规格型号QTZ63出厂日期2013年5月安装日期2014.11.5验收日期2014.11.10检测日期2014.11.12检测意见合格上次维修保养日期检查维修保养记录更换主要配件记录记录人日期塔吊日常维修保养检查记录工程名称:荻港新材料产业集中区公租房17#、18#楼使用单位:安徽繁鑫建设序号作业项目结论1检查接地、接零装置及电气系统是否良好良好2检查各个安全装置是否灵敏可靠灵敏可靠3结构外观及传动机构是否正常正常4各个润滑部位是否正常正常5吊钩及卡环有无变形及损坏无损坏6检查制动器及标准节螺栓是否松动无松动7试运行确认转一切正常,方可操作正常8检查钢丝绳磨损情况,绳卡有无损坏无损坏9附着装置应牢固可靠,是否松动无松动10班后清洁,拉下电闸,锁好开关箱符合要求保养负责人:年月日

1、当您付费下载文档后,您只拥有了使用权限,并不意味着购买了版权,文档只能用于自身使用,不得用于其他商业用途(如 [转卖]进行直接盈利或[编辑后售卖]进行间接盈利)。
2、本站所有内容均由合作方或网友上传,本站不对文档的完整性、权威性及其观点立场正确性做任何保证或承诺!文档内容仅供研究参考,付费前请自行鉴别。
3、如文档内容存在违规,或者侵犯商业秘密、侵犯著作权等,请点击“违规举报”。

碎片内容

塔吊维修保养记录表

确认删除?
VIP
微信客服
  • 扫码咨询
会员Q群
  • 会员专属群点击这里加入QQ群
客服邮箱
回到顶部