电脑桌面
添加小米粒文库到电脑桌面
安装后可以在桌面快捷访问

天津大学2001结构力学真题VIP免费

天津大学2001结构力学真题_第1页
1/27
天津大学2001结构力学真题_第2页
2/27
天津大学2001结构力学真题_第3页
3/27
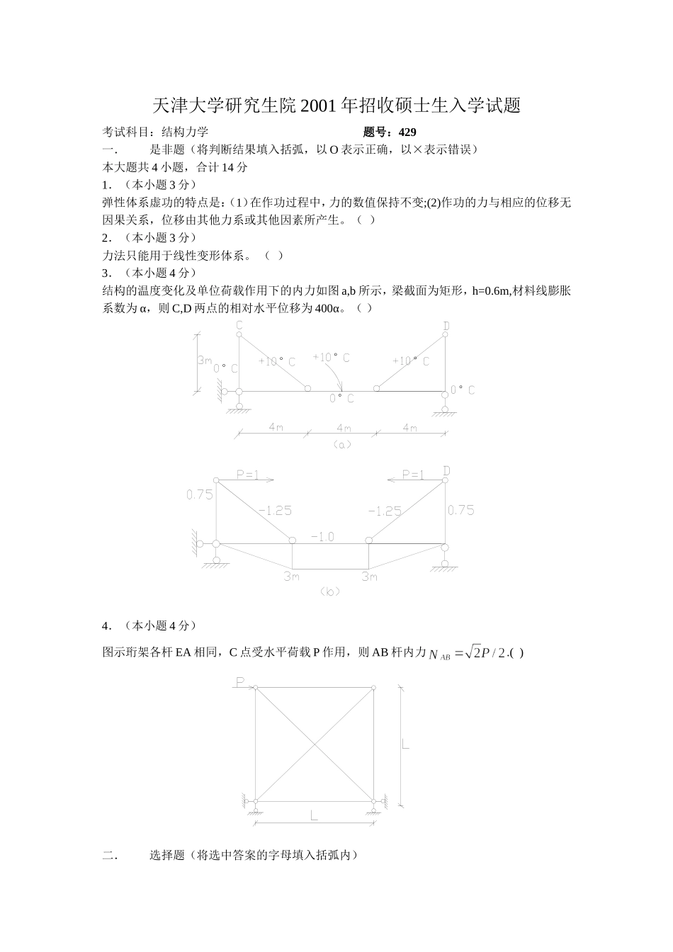
天津大学研究生院2001年招收硕士生入学试题考试科目:结构力学题号:429一.是非题(将判断结果填入括弧,以O表示正确,以×表示错误)本大题共4小题,合计14分1.(本小题3分)弹性体系虚功的特点是:(1)在作功过程中,力的数值保持不变;(2)作功的力与相应的位移无因果关系,位移由其他力系或其他因素所产生。()2.(本小题3分)力法只能用于线性变形体系。()3.(本小题4分)结构的温度变化及单位荷载作用下的内力如图a,b所示,梁截面为矩形,h=0.6m,材料线膨胀系数为α,则C,D两点的相对水平位移为400α。()°°°°°°4.(本小题4分)图示珩架各杆EA相同,C点受水平荷载P作用,则AB杆内力.()二.选择题(将选中答案的字母填入括弧内)本大题共4个小题,合计16分。1.(本小题4分)图示结构的原因:A.AB上无荷载B.竖向外力自行平衡,无力传给AB杆;C.B结点无线位移,同时AB杆上又无荷载D.B铰只传力,不传力偶。2.(本小题4分)图示简支梁在所示移动荷载作用下截面K的最大弯矩值是:A.B.C.D.()×203.(本小题4分)图示结构A的弯矩(以下边受拉为正)为:A.B.C.D.四.(本小题4分)图示结构E=常数,正确的杆端弯矩(顺时针为正)是:A.B.C.D.()三(本大题15分)求图示结构D点水平位移.EI为常数。(标注:图中)四.(本大题15分)图a所示结构,取图b为力法基本体系,试求力法方程中的系数和自由项。EI=常数。五.((本大题25分)试用位移法作图示结构M图。刚性杆六.(本大题15分)已知:m=9t,k=2500KN/m,干扰力转速为300转/分,不计梁的质量,各杆EI=∞。试求质点的最大竖向位移。θ天津大学研究生院2002年招收硕士生入学试题考试科目:结构力学题号:429一.选择题(选择正确答案填入“()”)1.(本小题4分)图a结构如化为图b所示的等效结构,则图b弹簧的等效刚度ke为:()A..B.C.D.2.(本小题4分)图示结构,EI=常数,为:()A.pl/2(左侧受拉)B.pl/4(左侧受拉)C.pl/2(右侧受拉)D.pl/4(右侧受拉)3.(本小题4分)图示刚架的EI均为常数,并分别为EI=1和EI=0,这两刚架的内力关系为:()A.M图相同B.M图不同C.图a刚架各截面弯矩大于图b刚架各相应截面弯矩。D..图a刚架各截面弯矩小于图b刚架各相应截面弯矩4.(本小题4分)图a所示结构,EI=常数,取图b为力法基本体系,则下述结构中错误的是:()A.B.C.D.5.(本小题4分)图示结构EI=常数,在给定荷载作用下,为:()A.P/2B.P/4C.-P/4D.06.(本小题4分)图示结构支座A右侧截面剪力影响线形状为:()二.判断题(正确的打“√”,错误的打“╳”)本大题分4小题,共16分1.(本小题4分)可用下述方法求图a所示单自由度体系的频率。()由图b可知,((δ112.(本小题4分)图中链杆1和2的交点O可视为虚铰。()3.(本小题4分)图示结构中,.()4.(本小题4分)图示结构杆长L,矩形截面,高为h=1/10,线膨胀系数为α。内侧温度升高t°C,外测温度升高2t°C。则C截面水平位移。()三.(本小题20分)求图示体系的自振频率及主振型。EI=常数。四.(本大题20分)今有一珩架A,B,C组成一正三角行,边长为L,D为此三角形的重心。已知各杆的EA均相等。试求当AD,BD,CD三杆温度升高t°C时,各杆的内力。(线膨胀系数均为α)°°°°°°五.(本大题20分)用位移法计算并作出连续梁的M图。图中,中间支座为弹性支座,其刚度系数,EI=常数。右图为相关已知条件。,,,天津大学研究生院2003招收硕士生入学试题考试科目:结构力学题号:429一.是非题(将判断结果填入括弧,以O表示正确,以×表示错误)(本大题共3小题,总计18分,每小题各6分)1.(本小题6分)图示结构EI=常数,求K点的竖向位移时,由图乘法得:。()2.(本小题6分)图示拱在荷载作用下,为30KN.()3.(本小题6分)图示珩架中,上弦杆的轴力为N=-P.()二.选择题,请将选择中答案的字母填入括弧内。(本大题共7小题,总计42分,每小题各6分)1.(本小题6分)已知一单自由度体系的阻尼比为ξ=1.2,则该体系自由振动时的位移时程曲线的形状可能是:()2.(本小题6分)图示结构,横梁EI1=∞,两柱抗弯刚度为EI,则A,B两支座水平反力的比值HA:HB为...

1、当您付费下载文档后,您只拥有了使用权限,并不意味着购买了版权,文档只能用于自身使用,不得用于其他商业用途(如 [转卖]进行直接盈利或[编辑后售卖]进行间接盈利)。
2、本站所有内容均由合作方或网友上传,本站不对文档的完整性、权威性及其观点立场正确性做任何保证或承诺!文档内容仅供研究参考,付费前请自行鉴别。
3、如文档内容存在违规,或者侵犯商业秘密、侵犯著作权等,请点击“违规举报”。

碎片内容

天津大学2001结构力学真题

您可能关注的文档

文章天下+ 关注
实名认证
内容提供者

各种文档应有尽有

确认删除?
VIP
微信客服
  • 扫码咨询
会员Q群
  • 会员专属群点击这里加入QQ群
客服邮箱
回到顶部