电脑桌面
添加小米粒文库到电脑桌面
安装后可以在桌面快捷访问

塑料包装生产企业质量管理手册VIP免费

塑料包装生产企业质量管理手册_第1页
1/79
塑料包装生产企业质量管理手册_第2页
2/79
塑料包装生产企业质量管理手册_第3页
3/79
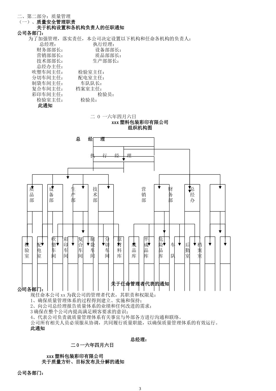
塑料包装生产企业质量管理手册编制审核批准xxx塑料包装彩印有限公司二0一六年四月三十日目录一、第一部分:企业基本情况及相关资料关于实施食品用塑料包装生产企业质量管理资料汇编的决定……………1基本情况表……………………………………………………………………2二、第二部分:质量管理(一)、质量安全管理职责关于机构设置和各机构负责人的任职通知…………………………………3组织机构图……………………………………………………………………4质量管理组织机构图…………………………………………………………5关于任命管理者代表的通知…………………………………………………6关于质量方针、目标发布及分解通知………………………………………7关于对可能影响产品质量安全的潜在紧急情况及事故的应急措施………………8本公司各级质量安全责任制……………………………………………9-12质量安全管理制度………………………………………………………13-17标识和可追溯性的办法…………………………………………………18-19附1:与质量安全管理职责相关的质量记录(11种)………………20-33(二)、企业环境与场所要求厂区平面布局图……………………………………………………………34清洁安全卫生生产制度……………………………………………………35生产车间管理制度…………………………………………………………36附2:与企业环境与场所要求相关的质量记录(5种)……………37-42(三)、生产资源提供必备生产设备、工装明细表………………………………………………43设备管理制度………………………………………………………………44职工教育培训管理制度………………………………………………45-46本公司具有生产复合膜袋产品的产品标准及相关标准…………………47复合膜袋产品生产流程图……………………………………48作业指导书………………………………………………………………49-42设备操作规程……………………………………………………………43-46技术文件管理制度…………………………………………………………47附3:与生产资源提供相关的质量记录(19种)……………………48-48(四)、采购质量控制采购质量控制制度……………………………………………………49-50采购原辅材料检验或验证管理制度………………………………………51原辅材料进厂检验准则………………………………………………52-55附4:与釆购质量控制相关的质量记录(14种)…………………56-60(五)、生产过程控制工艺管理制度及考核办法……………………………………………61-62过程(工序)检验制度…………………………………………………63操作工自己检验制度………………………………………………………64搬运、贮存、包装、防护和交付制度……………………………………65产品标识制度………………………………………………………………66产品使用说明………………………………………………………………67附5:与生产过程控制相关的质量记录(12种)…………………68-70(六)、产品质量检验关于我公司检验室独立行使职权的公正声明……………………………71检验、计量设备管理制度…………………………………………………72检验、计量设备仪器控制程序………………………………………73-74质量检验管理制度……………………………………………………75-78检验设备操作规程……………………………………………………7149-80最终检验控制程序…………………………………………………………81质量检验资料的管理规定…………………………………………………82检验或验证不合格品的处理规定…………………………………………831不合格(含产品召回、退货品)管理制度…………………………84-86产品返工制度………………………………………………………………87附6:与产品质量检验相关的质量记录(6种)……………………88-94(七)、生产安全防护安全、文明生产管理制度…………………………………………………95安全生产技术规则…………………………………………………………96安全生产检...

1、当您付费下载文档后,您只拥有了使用权限,并不意味着购买了版权,文档只能用于自身使用,不得用于其他商业用途(如 [转卖]进行直接盈利或[编辑后售卖]进行间接盈利)。
2、本站所有内容均由合作方或网友上传,本站不对文档的完整性、权威性及其观点立场正确性做任何保证或承诺!文档内容仅供研究参考,付费前请自行鉴别。
3、如文档内容存在违规,或者侵犯商业秘密、侵犯著作权等,请点击“违规举报”。

碎片内容

塑料包装生产企业质量管理手册

您可能关注的文档

文章天下+ 关注
实名认证
内容提供者

各种文档应有尽有

确认删除?
VIP
微信客服
  • 扫码咨询
会员Q群
  • 会员专属群点击这里加入QQ群
客服邮箱
回到顶部