电脑桌面
添加小米粒文库到电脑桌面
安装后可以在桌面快捷访问

塑料检查井的安装VIP免费

塑料检查井的安装_第1页
1/7
塑料检查井的安装_第2页
2/7
塑料检查井的安装_第3页
3/7
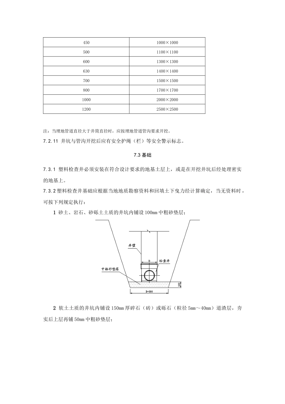
7塑料检查井的安装7.1一般规定7.1.1塑料检查井安装前应做好相应的交底工作。7.1.2塑料检查井安装前应进行检查,检查项目见本规程8.1条。7.1.3塑料检查井安装应编制详细的施工组织方案,方案应包括施工方法、主要机械设备配置、施工质量和安全措施等内容。7.2井坑7.2.1井坑开挖应与管沟同时开挖,开挖时井座主管道应与管沟中的管道在同一轴线上;7.2.2井坑开挖应根据选用的规格,考虑井座主管线偏置因素,偏置端的坑壁应与管沟齐平;7.2.3有沉泥室的雨水检查井井坑应根据选用的规格局部开挖沉泥室坑;7.2.4井坑边坡应与管沟边坡一致,施工时应根据地质条件放坡开挖或采取支护措施,确保施工安全。7.2.5井坑开挖时,不得扰动基土超挖,如基土受到扰动,则应按现行国家标准《给水排水管道工程施工及验收规范》GB50268的有关规定,根据基土土质采取弥补措施;7.2.6井坑人工开挖时,临时堆土或施加其它荷载不得影响井坑的稳定性,堆土高度及其距井坑边缘的距离按相关施工规范执行。7.2.7井坑底部如有砖、石等坚硬物体时应将其清除。7.2.8地下水位较高的地区或在雨季施工,应有排水降低水位的措施;施工时应把地下水降至井坑最低点300mm以下。检查井安装连接完毕后,必须回填至满足检查井抗浮稳定的高度后才能停止降水。7.2.9井坑不得受水浸泡。施工时如发生井坑被水浸泡,应先将水排除,然后清除被浸泡的土层,按设计要求换填处理,密实度应达到设计要求。7.2.10井坑底开挖净尺寸不应小于表7.2.10中的规定;表7.2.10井坑净尺寸井座连接井筒的接口直径(mm)井坑净尺寸(mm)200800×800315900×9004001000×10004501000×10005001100×11006001300×13006301400×14007001500×15008001700×170010002000×200012002500×2500注:当埋地管道直径大于井筒直径时,应按埋地管道管沟要求开挖。7.2.11井坑与管沟开挖后应有安全护绳(栏)等安全警示标志。7.3基础7.3.1塑料检查井必须安装在符合设计要求的地基土层上,或是在开挖井坑后经处理密实的地基上。7.3.2塑料检查井基础应根据当地地质勘察资料和回填土下曳力经计算确定,当无资料时,可按下列规定执行:1砂土、岩石、砂砾土土质的井坑内铺设100mm中粗砂垫层;2软土土质的井坑内铺设150mm厚碎石(砖)或砾石(粒径5mm~40mm)道渣层,夯实后上层再铺50mm中粗砂垫层;3沉泥检查井基坑开挖,要根据沉泥槽的尺寸进行局部开挖,并填铺100mm中粗砂垫层。5市政用检查井井座应采用不低于C15现浇混凝土基础浇捣密实。7.3.3塑料检查井基础位于淤泥或其它不良土层时,检查井地基应按设计及相应规范进行处理。7.4井座与管道连接增加井室与管道连接内容7.4.1井座与管道连接安装顺序应遵循以下原则:1先从接户管上游段起始安装,逐渐向下游支管、干管延伸;2以井→管→井→管顺序安装;3应先定位井座中心,将井座与下方垫块置于井坑内,调整其管底标高,然后进行接管安装。7.4.2塑料检查井井座上如有流向箭头应与管道水流流向一致。7.4.3井座接头与管道连接施工方法应与同类型接头的管道连接的施工方法一致。7.4.4排出管与接户管连接,应根据施工备料表上选用的连接方式按本规程第5.5.2条、5.5.3条、5.5.4条执行。7.4.5如井座与汇入管、排出管连接需要变径,采用变径接头时,当汇入管径小于井座接口管径时,应管顶平接,污水管应采用渐缩异径接头;井座排出管接口大于下游管道时,管道连接应管内底平接。7.4.6塑料检查井与连接的进水管道严禁管底低于检查井的流槽底部。7.4.7管道采用可变角接头或球形接头调整坡度时,应采用专用工具,不得使用链条扳手。7.4.8马鞍接头的安装,应根据井筒尺寸和连接管道的直径采用专用工具在井壁上开孔,孔洞圆周边缘平整,安装马鞍接头不得倒坡。7.4.9连接承插口时,橡胶圈密封的接口不得遗漏放置胶圈,各种规格的胶圈不得混用。7.4.10伸缩管接仅在下列情况下允许采用:1经试水,井座接头与管道连接有渗漏,需要更换胶圈等维修时;2管段两端均为固定的承口,直线管段无法安装时。7.4.11当整个排水系统实施分项(分段)施工,检验和验收时,对连接下一项管段的接口,应用管堵作临时封堵。7.4.12在地下水位较高或雨季施...

1、当您付费下载文档后,您只拥有了使用权限,并不意味着购买了版权,文档只能用于自身使用,不得用于其他商业用途(如 [转卖]进行直接盈利或[编辑后售卖]进行间接盈利)。
2、本站所有内容均由合作方或网友上传,本站不对文档的完整性、权威性及其观点立场正确性做任何保证或承诺!文档内容仅供研究参考,付费前请自行鉴别。
3、如文档内容存在违规,或者侵犯商业秘密、侵犯著作权等,请点击“违规举报”。

碎片内容

塑料检查井的安装

您可能关注的文档

确认删除?
VIP
微信客服
  • 扫码咨询
会员Q群
  • 会员专属群点击这里加入QQ群
客服邮箱
回到顶部