电脑桌面
添加小米粒文库到电脑桌面
安装后可以在桌面快捷访问

塑料模具模架结构标准及参考图例VIP免费

塑料模具模架结构标准及参考图例_第1页
1/17
塑料模具模架结构标准及参考图例_第2页
2/17
塑料模具模架结构标准及参考图例_第3页
3/17
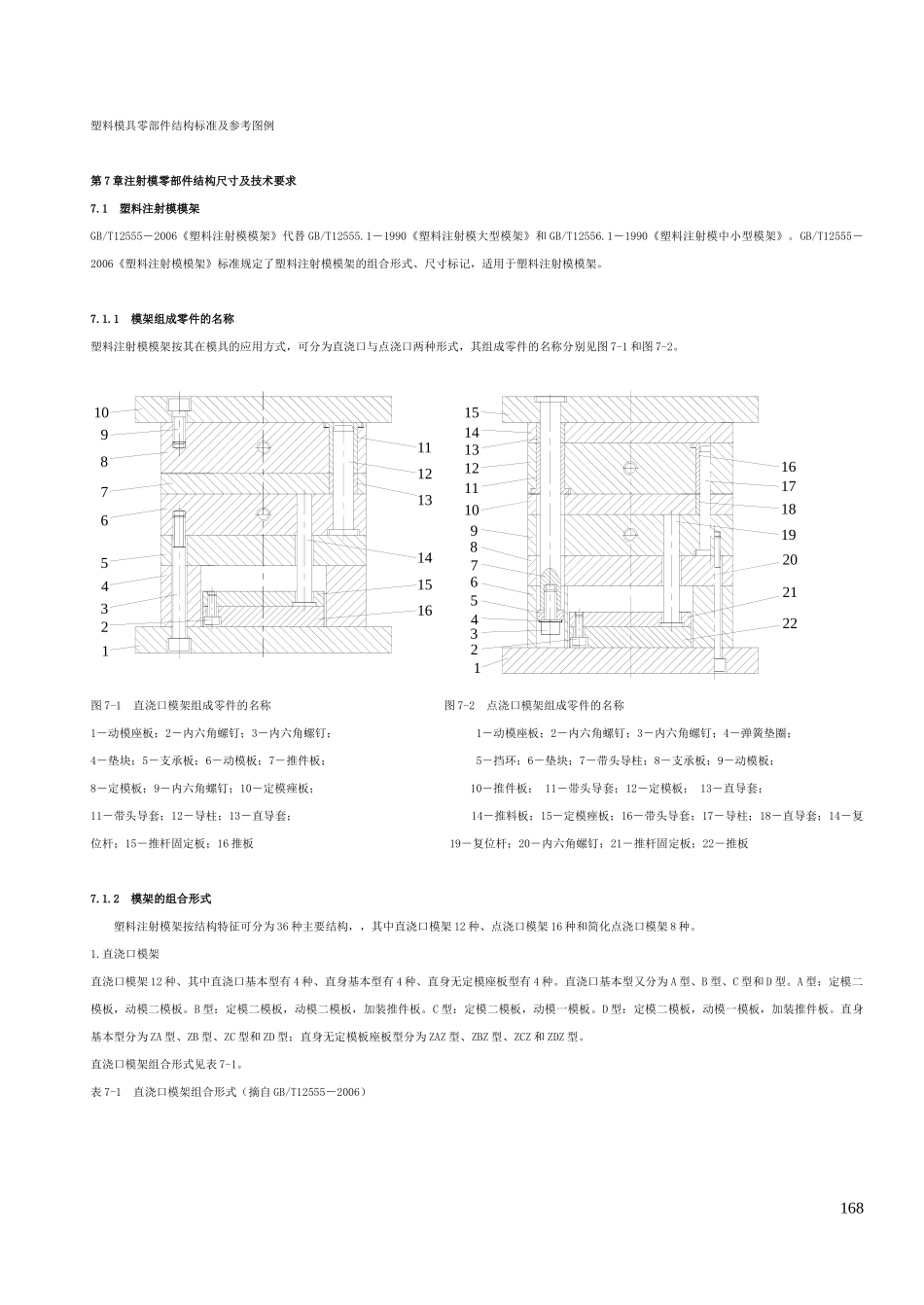
塑料模具零部件结构标准及参考图例第7章注射模零部件结构尺寸及技术要求7.1塑料注射模模架GB/T12555-2006《塑料注射模模架》代替GB/T12555.1-1990《塑料注射模大型模架》和GB/T12556.1-1990《塑料注射模中小型模架》。GB/T12555-2006《塑料注射模模架》标准规定了塑料注射模模架的组合形式、尺寸标记,适用于塑料注射模模架。7.1.1模架组成零件的名称塑料注射模模架按其在模具的应用方式,可分为直浇口与点浇口两种形式,其组成零件的名称分别见图7-1和图7-2。1234567891012345678910111213141516151413121122212019181716图7-1直浇口模架组成零件的名称图7-2点浇口模架组成零件的名称1-动模座板;2-内六角螺钉;3-内六角螺钉;1-动模座板;2-内六角螺钉;3-内六角螺钉;4-弹簧垫圈;4-垫块;5-支承板;6-动模板;7-推件板;5-挡环;6-垫块;7-带头导柱;8-支承板;9-动模板;8-定模板;9-内六角螺钉;10-定模痤板;10-推件板;11-带头导套;12-定模板;13-直导套;11-带头导套;12-导柱;13-直导套;14-推料板;15-定模痤板;16-带头导套;17-导柱;18-直导套;14-复位杆;15-推杆固定板;16推板19-复位杆;20-内六角螺钉;21-推杆固定板;22-推板7.1.2模架的组合形式塑料注射模架按结构特征可分为36种主要结构,,其中直浇口模架12种、点浇口模架16种和简化点浇口模架8种。1.直浇口模架直浇口模架12种、其中直浇口基本型有4种、直身基本型有4种、直身无定模座板型有4种。直浇口基本型又分为A型、B型、C型和D型。A型:定模二模板,动模二模板。B型:定模二模板,动模二模板,加装推件板。C型:定模二模板,动模一模板。D型:定模二模板,动模一模板,加装推件板。直身基本型分为ZA型、ZB型、ZC型和ZD型;直身无定模板座板型分为ZAZ型、ZBZ型、ZCZ和ZDZ型。直浇口模架组合形式见表7-1。表7-1直浇口模架组合形式(摘自GB/T12555-2006)168D型B型C型A型组合形式图组合形式组合形式图组合形式直浇口基本型直浇口直身基本型组合形式组合形式图组合形式组合形式图ZA型ZC型续表169直浇口直身基本型组合形式组合形式图组合形式组合形式图ZB型ZD型ZCZ型ZAZ型ZDZ型ZBZ型直浇口直身无定模座板型2.点浇口模架点浇口模架有16种,其中点浇口基本型为4种、直身点浇口基本型为4种、点浇口无推料板型为4种、直身点浇口无推料板型为4种。点浇口基本型分为DA型、DB型、DC型和DD型;直身点浇口基本型分为ZDA型、ZDB型ZDC型和ZDD型;点浇口无推料板型分为DAT型、DBT型、DCT型和170DDT型;直身点浇口无推料板型分为ZDAT型、ZDBT型、ZDCT型和ZDDT型。点浇口模架组合形式见表7-2表7-2点浇口模架组合形式(摘自GB/T12555-2006)续表组合形式图组合形式组合形式图组合形式点浇口基本型直身点浇口基本型DD型ZDC型ZDA型DB型DC型DA型171DBT型DDT型点浇口无推料板型DAT型DCT型ZDB型直身点浇口基本型组合形式组合形式图组合形式组合形式图ZDD型3.简化点浇口模架简化点浇口模架分为8种,其中简化点浇口基本型有2种、直身简化点浇口型有2种、简化点浇口无推料板型有2种、直身简化点浇口无推料板型有2种。续表172组合形式组合形式图组合形式组合形式图ZDAT型ZDBT型ZDDT型ZDCT型直身点浇口无推料板型简化点浇口基本型分为JA型和JC型;直身简化点浇口型分为ZJA型和ZJC型;简化点浇口无推料板型分为JAT型和JCT型;直身简化点浇口无推料板型分为ZJAT型和ZJCT型。简化点浇口模架组合形式见表7-3表7-3简化点浇口模架组合形式(摘自GB/T12555-2006)JC型JA型简化点浇口基本型组合形式组合形式图组合形式组合形式图173续表组合形式图组合形式组合形式图组合形式直身简化点浇口型直身简化点浇口无推料板型简化点浇口无推料板型JCT型ZJCT型ZJAT型JAT型ZJC型ZJA型4.模架导向件与螺钉安装方式根据使用要求,模架中的导向件与螺钉可以有不同的安装方式,GB/12555-2006《塑料注射模模架》国家标准中的具体规定有以下5个方面。(1)根据使用要求,模架中的导柱导套可以正装或者反装两种形式,如图7-3所示。174(a)(b)图7-3导柱导套正装与反装(a)导柱导套正装;(b)导柱导套反装(2)...

1、当您付费下载文档后,您只拥有了使用权限,并不意味着购买了版权,文档只能用于自身使用,不得用于其他商业用途(如 [转卖]进行直接盈利或[编辑后售卖]进行间接盈利)。
2、本站所有内容均由合作方或网友上传,本站不对文档的完整性、权威性及其观点立场正确性做任何保证或承诺!文档内容仅供研究参考,付费前请自行鉴别。
3、如文档内容存在违规,或者侵犯商业秘密、侵犯著作权等,请点击“违规举报”。

碎片内容

塑料模具模架结构标准及参考图例

您可能关注的文档

确认删除?
VIP
微信客服
  • 扫码咨询
会员Q群
  • 会员专属群点击这里加入QQ群
客服邮箱
回到顶部