电脑桌面
添加小米粒文库到电脑桌面
安装后可以在桌面快捷访问

塔吊QTZ5512安装方VIP免费

塔吊QTZ5512安装方_第1页
1/9
塔吊QTZ5512安装方_第2页
2/9
塔吊QTZ5512安装方_第3页
3/9
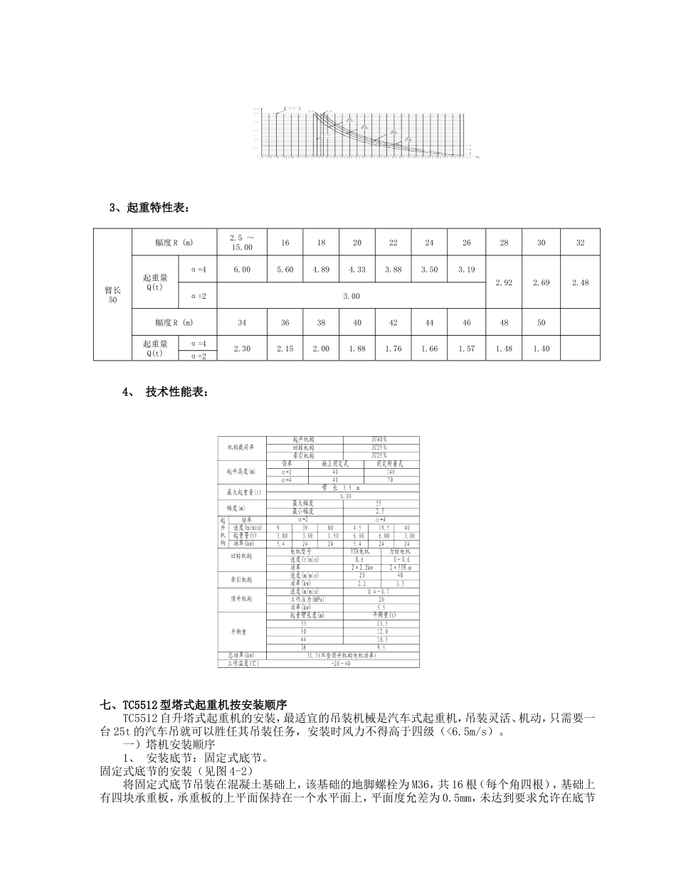
庆禾TC5512型塔式起重机安装方案使用单位名称:陕西钧盛建筑劳务有限公司。工程名称:警官学院2-3#楼机械安装地点:未央区湖滨路中段。机械名称及型号:庆禾TC5512型塔式起重机。一、概述:1、工程概况:警官学院2-3#楼。长约45.6m,宽约16.6m,高约57m。地下1层、高-5.2m;地上18层、高57m(至楼梯间层面)。2、塔机定位:塔机定位于建筑物(2-1/A)轴线以南,东西位于~轴线之间;塔机中心距(2-1/A)轴线5200㎜,距轴线约3200㎜。塔机基础制作于地下室筏扳以下。二、安装前的准备工作1、项目部的准备工作1)、提供场地,保留安装作业面,便于塔吊部件的摆放和汽车吊的入场站位,满足汽车吊站位以及塔吊起重臂的拼装位置。2)、塔吊基础处土层进行钎探,确保地底下没有不实结构(如防空洞、墓穴等)以及地下物质输送管道(煤气、水等管道)。根据钎探报告,测算地基承载力,保证塔机处地基承载力满足塔机说明书的技术要求。3)、必须分别为各塔吊配备专用二级电箱,电箱距塔吊不得大于3米。4)、如施工现场有架空输电线或通讯线,应对其架设防护。5)、安装塔机时,项目部须派专职安全员进行安全监督、安全管理;禁止与施工无关人员进入施工现场。2、安装单位的准备工作1)、现场勘测。2)、根据现场情况准备安装方案。3)、人员安排。4)、机具配备。三、编制依据:1、中华人民共和国相关法律、法规及条例;西安市质检站有关文件;2、《建筑起重机安全监督管理规定》;3、《塔式起重机》(GB/T-5031—2008)4、《塔式起重机安全规程》(GB5144-1994);5、《起重机械监督检验规程》;6、《建筑施工起重机安装、使用,拆卸安全技术规程》(JGJ196-2010)7、行业《特种作业人员安全生产操作规程》和企业《安全生产管理制度》;8、施工现场环境和建筑物概况;9、随机使用说明书和相关资料。四、人员安排安装总负责:王军超安全技术负责:齐荣松参加人员:齐荣峰、王尚甫、齐荣有、阴万陪等。五、机具配备1、QY-25T汽车吊一台;2、常用工具一套,专用工具一套。六、机械概况1、概况1)TC5512自升塔式起重机为水平臂架,小车变幅,上回转,液压顶升,具有固定、附着等多种安装形式,起重臂长有55m、50m、44m、38m四种臂长,通过拉杆和臂架的组合变换,可根据施工现场的具体情况任意组合。55m臂长时,最大起重量为6t,最大起重力矩为840KN.m(84tm),2)本工程塔机安装为臂长50m,最大起重量为6t,起重臂端部吊1.4t,塔机最大起升高度67.2m(24个标准节),设两道附墙(第一道约30m处,第二道约54m处),即可满足施工要求。2、起重特性曲线:3、起重特性表:4、技术性能表:七、TC5512型塔式起重机按安装顺序TC5512自升塔式起重机的安装,最适宜的吊装机械是汽车式起重机,吊装灵活、机动,只需要一台25t的汽车吊就可以胜任其吊装任务,安装时风力不得高于四级(<6.5m/s)。一)塔机安装顺序1、安装底节:固定式底节。固定式底节的安装(见图4-2)将固定式底节吊装在混凝土基础上,该基础的地脚螺栓为M36,共16根(每个角四根),基础上有四块承重板,承重板的上平面保持在一个水平面上,平面度允差为0.5mm,未达到要求允许在底节臂长50幅度R(m)2.5~15.00161820222426283032起重量Q(t)α=46.005.604.894.333.883.503.192.922.692.48α=23.00幅度R(m)343638404244464850起重量Q(t)α=42.302.152.001.881.761.661.571.481.40α=2底板下垫垫板达到要求,安装后检查其垂直度,垂直度为1/1000,然后用M36高强螺母紧固。(预紧力为76KN)图4-2吊装底节4-3吊装加强标准节2、安装加强标准节1)将一个加强标准节吊装在底节上(见图4-3),用8个M30高强度螺栓连接,预紧力矩为180kg.m(注意:顶升板与引进标准节的方向相反)。2)将剩下的加强标准节依次装上(见图4-4),分别用8个M30高强度螺栓紧固连接,预紧力矩为180kg.m(注意:顶升板在同一侧)。3)装配完并紧固螺栓后,用经纬仪或吊线法检查已立好的部份,四根主弦杆翼缘所形成的铅垂直平面、与下标准节四根连接弦杆所组成的支承平面垂直度为1/1000。此时埋入式底节基本安装高度为8825mm,固定式底节基本高度为8430mm。3、吊装爬升架(见图4...

1、当您付费下载文档后,您只拥有了使用权限,并不意味着购买了版权,文档只能用于自身使用,不得用于其他商业用途(如 [转卖]进行直接盈利或[编辑后售卖]进行间接盈利)。
2、本站所有内容均由合作方或网友上传,本站不对文档的完整性、权威性及其观点立场正确性做任何保证或承诺!文档内容仅供研究参考,付费前请自行鉴别。
3、如文档内容存在违规,或者侵犯商业秘密、侵犯著作权等,请点击“违规举报”。

碎片内容

塔吊QTZ5512安装方

您可能关注的文档

确认删除?
VIP
微信客服
  • 扫码咨询
会员Q群
  • 会员专属群点击这里加入QQ群
客服邮箱
回到顶部