电脑桌面
添加小米粒文库到电脑桌面
安装后可以在桌面快捷访问

天津市建设工程施工安全资料管理规程-目录VIP免费

天津市建设工程施工安全资料管理规程-目录_第1页
1/13
天津市建设工程施工安全资料管理规程-目录_第2页
2/13
天津市建设工程施工安全资料管理规程-目录_第3页
3/13
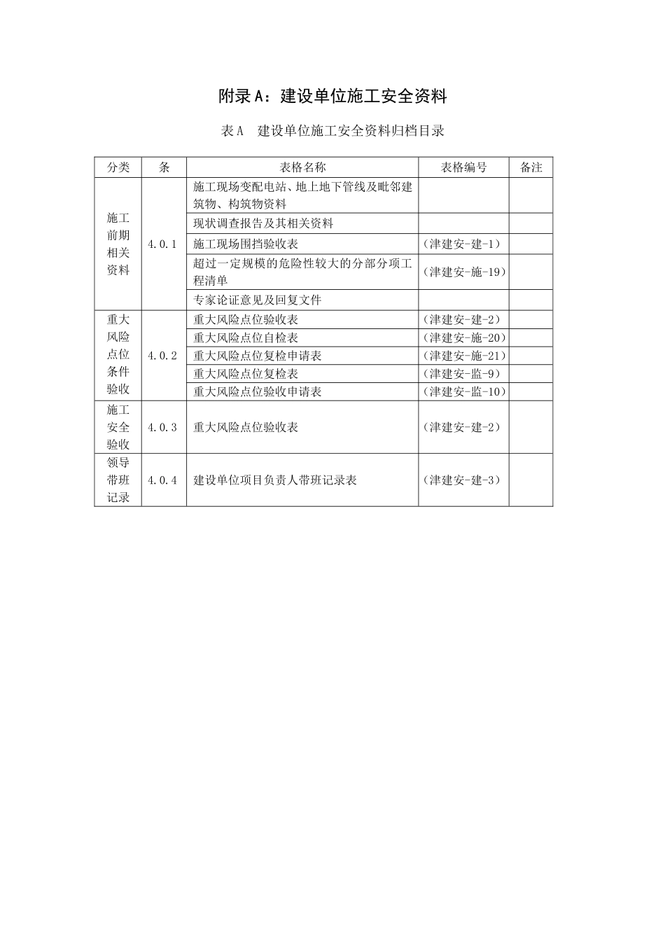
施工单位施工安全资料卷分为综合管理资料册(1-3册)和专业管理资料册(4-16册),共16册。1.安全管理(津建安-施1册)2.文明施工(津建安-施2册)3.危险性较大分部分项工程(津建安-施3册)4.消防管理(津建安-施4册)5.脚手架(津建安-施5册)6.基坑支护(津建安-施6册)7.模板工程(津建安-施7册)8.高处作业(津建安-施8册)9.施工用电(津建安-施9册)10.建筑起重机械设备(津建安-施10册)11.高处作业吊篮(津建安-施11册)12.履带式起重机(津建安-施12册)13.桩工成孔机械(津建安-施13册)14.施工机具及设备(津建安-施14册)15.附着式升降脚手架、整体提升模板(滑模、爬模)(津建安-施15册)16.起重吊装(津建安-施16册)附录A:建设单位施工安全资料表A建设单位施工安全资料归档目录分类条表格名称表格编号备注施工前期相关资料4.0.1施工现场变配电站、地上地下管线及毗邻建筑物、构筑物资料现状调查报告及其相关资料施工现场围挡验收表(津建安-建-1)超过一定规模的危险性较大的分部分项工程清单(津建安-施-19)专家论证意见及回复文件重大风险点位条件验收4.0.2重大风险点位验收表(津建安-建-2)重大风险点位自检表(津建安-施-20)重大风险点位复检申请表(津建安-施-21)重大风险点位复检表(津建安-监-9)重大风险点位验收申请表(津建安-监-10)施工安全验收4.0.3重大风险点位验收表(津建安-建-2)领导带班记录4.0.4建设单位项目负责人带班记录表(津建安-建-3)附录B:工程监理单位施工安全资料表B工程监理单位施工安全资料归档目录分类条表格名称表格编号备注工程监理单位施工安全资料5.0.1监理规划、安全监理事实细则5.0.2报审表(津建安-监-1)5.0.3施工组织设计(方案)报审表(津建安-监-2)5.0.4监理例会记录表(津建安-监-3)5.0.5安全监理日志(津建安-监-4)5.0.6监理通知单(津建安-监-5)5.0.7监理通知回复单(津建安-监-6)5.0.8建筑施工机械安装(拆除)告知书(津建安-施-45)建筑施工机械使用登记表(津建安-施-60)建筑机起重机械生产安全事故应急救援预案建筑施工机械使用延期登记表(津建安-施-61)5.0.9监理单位作业监控任务书(津建安-监-7)5.0.10监理单位监控记录表(津建安-监-8)5.0.11重大风险点位自检表(津建安-施-20)重大风险点位复检申请表(津建安-施-21)重大风险点位复检表(津建安-监-9)5.0.12重大风险点位验收申请表(津建安-监-10)5.0.13重大风险点位验收表(津建安-建-2)5.0.14总监理工程师带班记录表(津建安-监-11)5.0.15旁站记录表(津建安-监-12)5.0.16重大风险点位验收表(津建安-建-2)附录C:施工单位施工安全资料表C施工单位施工安全资料归档目录分类条表格名称表格编号备注6.1安全管理6.1.1项目安全生产领导小组名单项目安全生产责任制项目安全生产目标分解系统图安全技术操作规程施工组织设计及专项方案生产安全事故应急预案安全标志牌布置图专业承包和劳务分包安全生产协议书、安全生产许可证、资质证书、营业执照、进津许可证、分包服务卡和授权委托书;6.1.2_____人员登记表_____证书复印件登记表(津建安-施-1)(津建安-施-2)6.1.3安全技术交底表(津建安-施-3)6.1.4安全生产责任制考核表(津建安-施-4)6.1.5安全员工作日志(津建安-施-5)6.1.6负责人带班记录表(津建安-施-6)6.1.7安全检查记录表(津建安-施-7)6.1.8每日班前隐患排查表(津建安-施-8)6.1.9建筑施工安全检查评分汇总表JGJ59-2011附表建筑施工安全分项检查评分表项目安全生产自评价手册6.1.10隐患整改通知单(津建安-施-9)6.1.11隐患整改反馈表(津建安-施-10)6.1.12培训教育记录表(1)(2)(津建安-施-11)三级安全教育汇总表(津建安-施-12)6.1.13培训教育记录表(1)(2)(津建安-施-11)6.1.14安全例会记录表(津建安-施-13)6.1.15安全生产费用台帐(津建安-施-14)6.1.16应急预案演练记录表(津建安-施-15)6.1.17应急预案演练评价表(津建安-施-16)6.2文明6.2.1施工现场总平面布置图6.2.2施工项目文明施工方案施工6.2.3文明施工检查记录表(津建安-施-17)6.2.4群众来访登记表(津建安-施-18)6.2.5炊事人员证...

1、当您付费下载文档后,您只拥有了使用权限,并不意味着购买了版权,文档只能用于自身使用,不得用于其他商业用途(如 [转卖]进行直接盈利或[编辑后售卖]进行间接盈利)。
2、本站所有内容均由合作方或网友上传,本站不对文档的完整性、权威性及其观点立场正确性做任何保证或承诺!文档内容仅供研究参考,付费前请自行鉴别。
3、如文档内容存在违规,或者侵犯商业秘密、侵犯著作权等,请点击“违规举报”。

碎片内容

天津市建设工程施工安全资料管理规程-目录

确认删除?
VIP
微信客服
  • 扫码咨询
会员Q群
  • 会员专属群点击这里加入QQ群
客服邮箱
回到顶部