电脑桌面
添加小米粒文库到电脑桌面
安装后可以在桌面快捷访问

图书信息管理信息系统需求规格说明说VIP免费

图书信息管理信息系统需求规格说明说_第1页
1/14
图书信息管理信息系统需求规格说明说_第2页
2/14
图书信息管理信息系统需求规格说明说_第3页
3/14
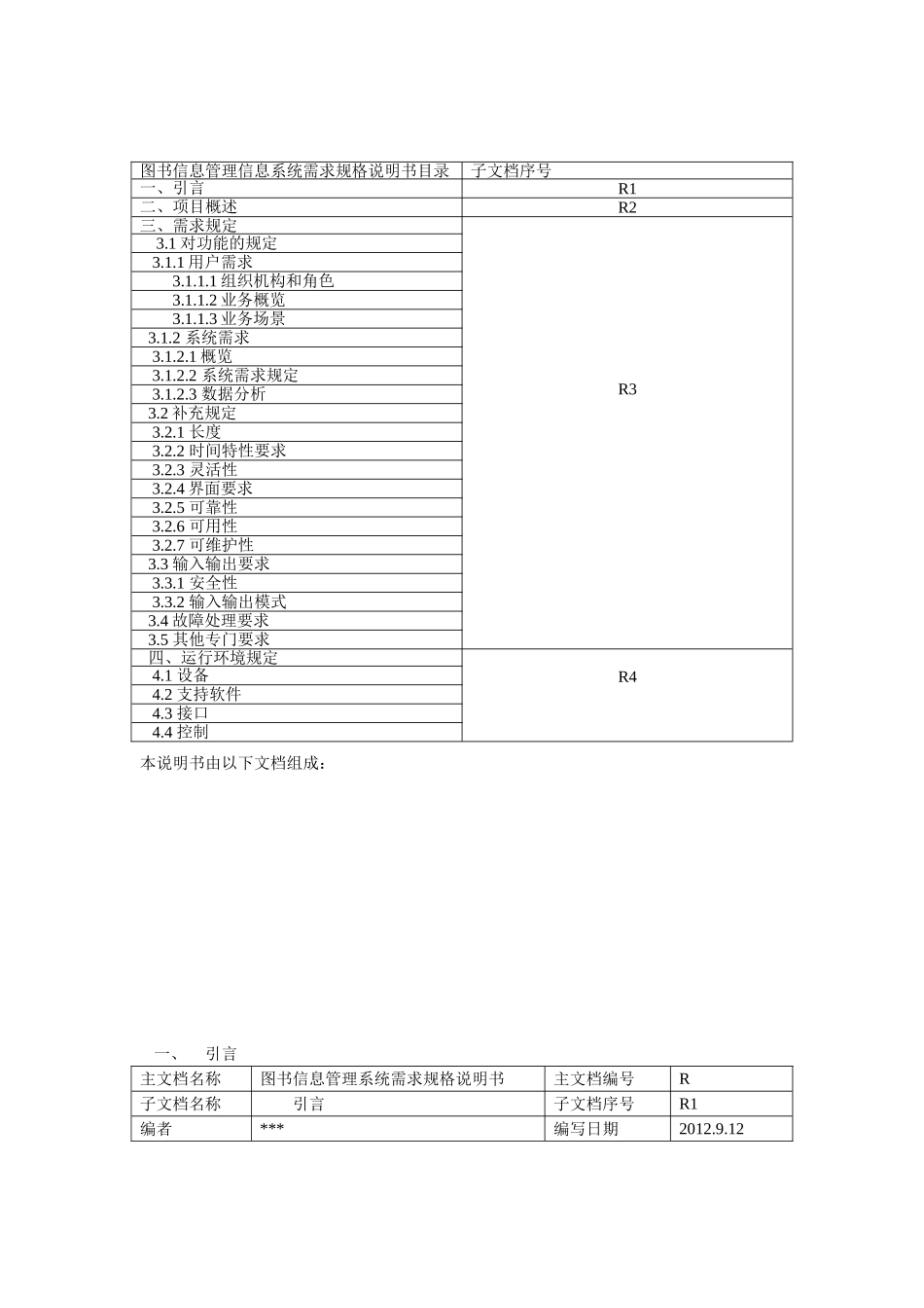
本说明书由以下文档组成:一、引言主文档名称图书信息管理系统需求规格说明书主文档编号R子文档名称引言子文档序号R1编者***编写日期2012.9.12图书信息管理信息系统需求规格说明书目录子文档序号一、引言R1二、项目概述R2三、需求规定R33.1对功能的规定3.1.1用户需求3.1.1.1组织机构和角色3.1.1.2业务概览3.1.1.3业务场景3.1.2系统需求3.1.2.1概览3.1.2.2系统需求规定3.1.2.3数据分析3.2补充规定3.2.1长度3.2.2时间特性要求3.2.3灵活性3.2.4界面要求3.2.5可靠性3.2.6可用性3.2.7可维护性3.3输入输出要求3.3.1安全性3.3.2输入输出模式3.4故障处理要求3.5其他专门要求四、运行环境规定R44.1设备4.2支持软件4.3接口4.4控制图书信息管理系统是A图书馆委托江西现代学院开发的,集图书信息管理、读者借书、读者管理、图书类别管理等功能于一体的应用软件。根据合同规定,通过双方讨论协商,特编写本《图书信息管理系统需求规格说明书》。1.编写目的为了能高效的,有计划设计图书信息管理系统。本报告的主要作用是确定各个项目模块的设计情况和主要的负责人,供各项目模块的负责人阅读,做到及时协调,按步有序进行项。目的开放,减少设计中的不必要损失。主要具体步骤:拟订项目设计计划书,分配项目工作,安排项目进度。2.项目背景开放软件名称:图书信息管理系统。项目任务提出者:A图书馆项目开放者:***用户:A图书馆工作人员及读者实现软件单位:***学院3.符号、缩略语和定义LIMS(LibraryInformationsManagementSystem)图书信息管理系统4.参考资料Java+SQL1.4方案效益Server项目开放实践,中国铁道出版社。SQLServer2005实例教程电子工业出版社Java项目开发实训教程清华大学出版社JSP动态网站开发清华大学出版社《软件工程》清华大学出版社钱秋乐赵文耘朱军钰编著二、项目概述主文档名称图书信息管理系统需求规格说明书主文档编号R子文档名称项目概述子文档序号R2编者***编写日期2012.9.121、待开发的系统一般描述图书馆作为一种信息资源的集散地,图书、期刊及读者等信息量巨大,有很多的信息需要管理。现今,很多的图书馆都是初步开始使用,甚至尚未使用计算机进行信息管理。根据调查得知,目前对信息管理的主要方式是基于文本、表格等纸介质的手工处理,对于图书借阅情况(如借书天数、超过限定借书时间的天数等)的统计和核实等往往采用对借书卡的我工检查进行,对借阅者的借阅权限以及借阅天数等用我工计算,手抄进行。数据处理工作量大,容易帮出错。由于数据繁多,容易丢失,且不容易找。总的来说。缺乏系统,规范的信息管理手段。尽管有的图书馆有计算机,但是尚未用于信息管理,没有发挥它的效力,资源闲置比较突出,这就是管理信息系统的开发的基础坏境。基于这个问题,去认为得必能够及时、准确、有效地查询和修改图书情况。要建立一个图书信息管理系统,使得工作系统化,程序化,提高信息的处理速度和准确性。2、产品功能(1)查询功能图书信息的查询读者信息的查询其他综合信息查询(2)图书管理图书信息的录入图书信息的修改图书信息的删除(3)读者借书还书管理读者把借的书或是还的书交给管理员,管理员把借书证号或把还书书的编号输入计算机,屏幕显示借书或还书的信息(4)读者管理读者信息的录入读者信息的修改读者信息的删除3.用户特点本软件的使用对象是图书馆管理人员、读者、信息中心系统管理人员和维护。懂计算机的基本操作就可以利用该软件进行所需操作。4.一般约束软件约束:运行坏境为Windows2000或WindowsXP硬件约束:Pentium41GB的内存160硬盘5.假设和依据本系统需求据具有一定的可靠性和安全保密性。本应用系统对不同用户定义不同的使用权限。本系统开发时间:2012年9月—2012年11月主文档名称图书借阅管理系统需求规格说明书主文档编号R子文档名称需求规定子文档序号R3编者***编写日期2012.9.12功能需求可以用Rose或Visio工具辅助生成,见以下CASE工具生成的表格(有所删节)。图书借阅管理系统的需求描述如下:读者来图书馆借书,可能先查询书库的图书记录。可以按书名、作者、图书编号或关键字进行查询。查询有两种结果,如果查到则记下书号,...

1、当您付费下载文档后,您只拥有了使用权限,并不意味着购买了版权,文档只能用于自身使用,不得用于其他商业用途(如 [转卖]进行直接盈利或[编辑后售卖]进行间接盈利)。
2、本站所有内容均由合作方或网友上传,本站不对文档的完整性、权威性及其观点立场正确性做任何保证或承诺!文档内容仅供研究参考,付费前请自行鉴别。
3、如文档内容存在违规,或者侵犯商业秘密、侵犯著作权等,请点击“违规举报”。

碎片内容

图书信息管理信息系统需求规格说明说

您可能关注的文档

确认删除?
VIP
微信客服
  • 扫码咨询
会员Q群
  • 会员专属群点击这里加入QQ群
客服邮箱
回到顶部