电脑桌面
添加小米粒文库到电脑桌面
安装后可以在桌面快捷访问

土方、护坡降水施工方案VIP免费

土方、护坡降水施工方案_第1页
1/18
土方、护坡降水施工方案_第2页
2/18
土方、护坡降水施工方案_第3页
3/18
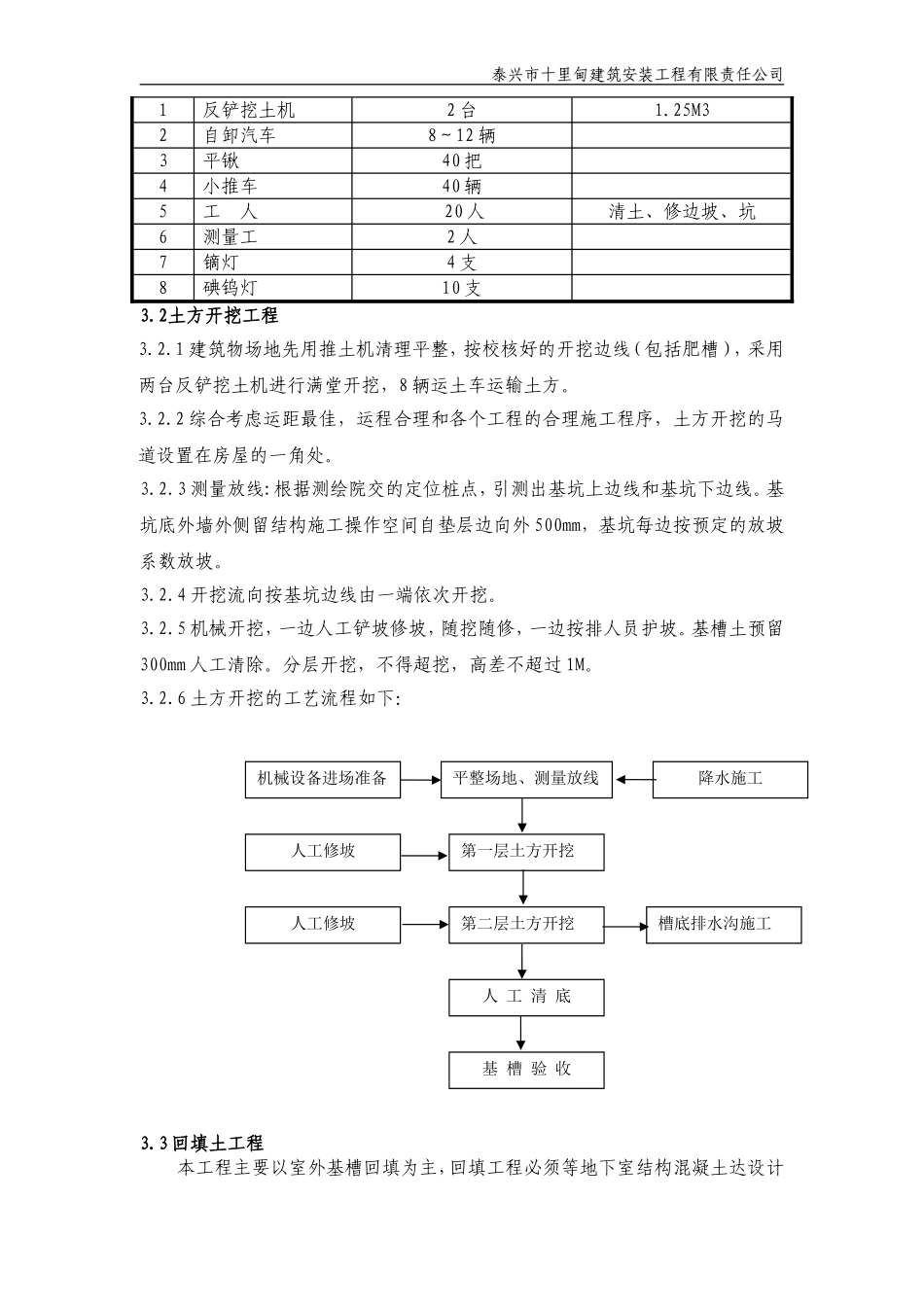
泰兴市十里甸建筑安装工程有限责任公司泰兴市十里甸建筑安装工程有限责任公司基坑土方施工方案一、编制依据1.1施工图及施工组织设计名称类别日期华甸家园小区工程施工图基础结构图2015.3施工组织设计华甸佳园小区工程施工组织设计2015.41.2主要规范序号名称类别编号1建筑地基基础工程施工质量验收规范国家GB50202-20022工程建设标准强制性条文(房建部分)国家3工程测量规程国家GB50026-934建筑机械使用安全技术规程国家JGJ33-20015施工现场临时用电安全技术规范国家JGJ46-886建筑施工安全检查标准国家JGJ59-20117建设工程施工现场管理规定国家建设部令1991年第15号8建筑工程施工安全操作规程9江苏林丰投资开发有限公司商住楼《岩土工程勘察报告》二、工程概况2.1工程概况泰兴市十里甸建筑安装工程有限责任公司泰兴市十里甸建筑安装工程有限责任公司序号项目内容1工程名称华甸佳园工程2工程地址文昌东路3建筑规格及形式建筑面积3265M2地下层数1层地上层数6层4结构形式框架、框剪、剪力墙结构抗震等级剪力墙、连梁、柱四级基础形式筏板基础底板厚度400~500mm2.2地质及障碍情况:2.2.1、根据泰州市海陵建筑设计院工程有限公司提供的勘察报告,边坡土层主要土层如下:素填土、粉土粉砂、本工程基础持力层为-1层,放坡系数为1:0.75。2.2.2、土方开挖深度范围内地下水埋深约1.7米,降水完毕后才进行土方开挖。2.2.3、根据甲方通知及现场实际情况,地下无管网及其它设施,便于施工。2.3、土方工程量:设计标高±0.000=4.6米,室内外高差–0.30米。三、施工部署3.1施工准备3.1.1施工总承包由泰兴市十里甸建筑安装工程有限责任公司施工。土方开挖由专业施工队伍施工。根据《岩土勘察报告》,地下水位绝对标高在开挖深度范围内故需要降水,降水由专业施工队伍施工。详见后面的降水方案部分。3.1.2生产准备:现场保证三通一平,降水达到设计要求。3.1.3土方开挖前,先到现场察看地形,进行场地平整,结合现场平面图布置,做好排水坡度,清除所有的障碍物。3.1.4机具、人员配备:根据现场实际情况,配备相应数量的人员和施工机具。同时做好夜间施工准备(夜间施工应有夜施证)。具体见下表:各项目部机具、人员配备一览表序号机具、人员数量备注泰兴市十里甸建筑安装工程有限责任公司泰兴市十里甸建筑安装工程有限责任公司1反铲挖土机2台1.25M32自卸汽车8~12辆3平锹40把4小推车40辆5工人20人清土、修边坡、坑6测量工2人7镝灯4支8碘钨灯10支3.2土方开挖工程3.2.1建筑物场地先用推土机清理平整,按校核好的开挖边线(包括肥槽),采用两台反铲挖土机进行满堂开挖,8辆运土车运输土方。3.2.2综合考虑运距最佳,运程合理和各个工程的合理施工程序,土方开挖的马道设置在房屋的一角处。3.2.3测量放线:根据测绘院交的定位桩点,引测出基坑上边线和基坑下边线。基坑底外墙外侧留结构施工操作空间自垫层边向外500mm,基坑每边按预定的放坡系数放坡。3.2.4开挖流向按基坑边线由一端依次开挖。3.2.5机械开挖,一边人工铲坡修坡,随挖随修,一边按排人员护坡。基槽土预留300mm人工清除。分层开挖,不得超挖,高差不超过1M。3.2.6土方开挖的工艺流程如下:3.3回填土工程本工程主要以室外基槽回填为主,回填工程必须等地下室结构混凝土达设计机械设备进场准备平整场地、测量放线降水施工第一层土方开挖人工修坡第二层土方开挖人工修坡槽底排水沟施工人工清底基槽验收泰兴市十里甸建筑安装工程有限责任公司泰兴市十里甸建筑安装工程有限责任公司强度后,并且防水施工及验收合格后进行回填,按照建筑构造通用图集《地下工程防水技术规范》(GB50108-2008)规定,分层夯实。本工程回填土采用机械结合人工的方式进行施工。夯实采用蛙式打夯机结合气夯夯实。四、操作工艺4.1土方开挖工程4.1.1熟悉施工图纸,组织有关人员现场勘探地形、地貌,实地了解施工现场及周围情况,对有关施工人员进行技术交底。4.1.2组织测量人员进行桩位交接验收及复测工作,测设土方开挖控制点。4.1.3测量员根据图纸基础尺寸和开挖要求,用石灰撒出开挖上口线和下口线。地下室外墙外侧确保工作面1.2米以上。4.1.4基坑按1:0.75放坡。4....

1、当您付费下载文档后,您只拥有了使用权限,并不意味着购买了版权,文档只能用于自身使用,不得用于其他商业用途(如 [转卖]进行直接盈利或[编辑后售卖]进行间接盈利)。
2、本站所有内容均由合作方或网友上传,本站不对文档的完整性、权威性及其观点立场正确性做任何保证或承诺!文档内容仅供研究参考,付费前请自行鉴别。
3、如文档内容存在违规,或者侵犯商业秘密、侵犯著作权等,请点击“违规举报”。

碎片内容

土方、护坡降水施工方案

确认删除?
VIP
微信客服
  • 扫码咨询
会员Q群
  • 会员专属群点击这里加入QQ群
客服邮箱
回到顶部