电脑桌面
添加小米粒文库到电脑桌面
安装后可以在桌面快捷访问

土方工程的内容及施工要求VIP免费

土方工程的内容及施工要求_第1页
1/21
土方工程的内容及施工要求_第2页
2/21
土方工程的内容及施工要求_第3页
3/21
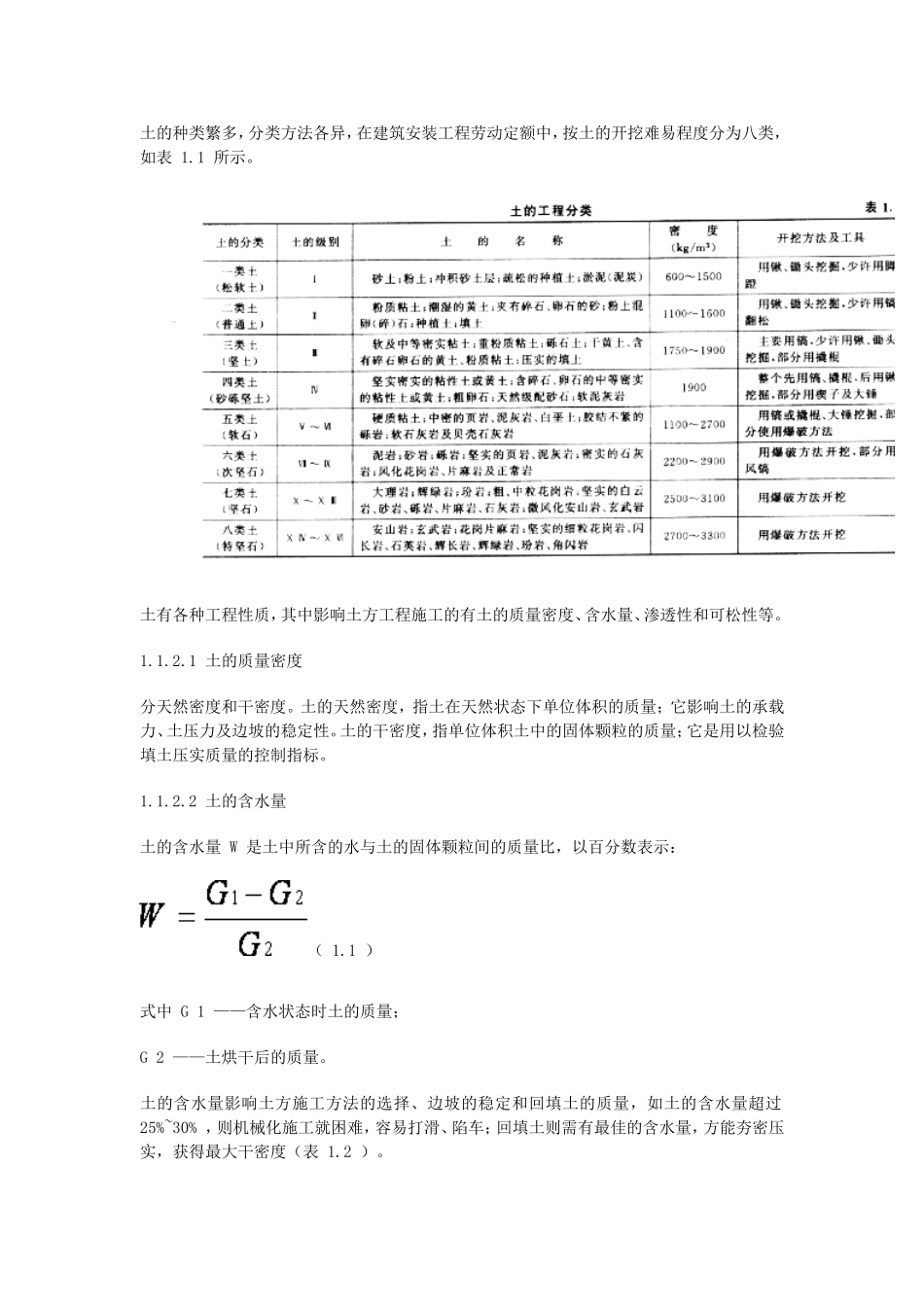
土方工程的内容及施工要求1.1.1土方工程的内容及施工要求在土木工程施工中,常见的土方工程有:(1)场地平整其中包括确定场地设计的标高,计算挖、填土方量,合理到进行土方调配等。(2)开挖沟槽、基坑、竖井、隧道、修筑路基、堤坝,其中包括施工排水、降水,土壁边坡和支护结构等。(3)土方回填与压实其中包括土料选择,填土压实的方法及密实度检验等。此外,在土方工程施工前,应完成场地清理,地面水的排除和测量放线工作;在施工中,则应及时采取有关技术措施,预防产生流砂,管涌和塌方现象,确保施工安全。土方工程施工,要求标高、断面准确,土体有足够的强度和稳定性,土方量少,工期短,费用省。但由于土方工程施工具有面广量大,劳动繁重,施工条件复杂等特点,因此,在施工前,首先要进行调查研究,了解土壤的种类和工程性质,土方工程的施工工期、质量要求及施工条件,施工地区的地形、地质、水文、气象等资料,以便编制切实可行的施工组织设计,拟定合理的施工方案。为了减轻繁重的体力劳动,提高劳动生产率,加快工程进度,降低工程成本,在组织土方工程施工时,应尽可能采用先进的施工工艺和施工组织,实现土方工程施工综合机械化。1.1.2土的工程分类和性质土的种类繁多,分类方法各异,在建筑安装工程劳动定额中,按土的开挖难易程度分为八类,如表1.1所示。土有各种工程性质,其中影响土方工程施工的有土的质量密度、含水量、渗透性和可松性等。1.1.2.1土的质量密度分天然密度和干密度。土的天然密度,指土在天然状态下单位体积的质量;它影响土的承载力、土压力及边坡的稳定性。土的干密度,指单位体积土中的固体颗粒的质量;它是用以检验填土压实质量的控制指标。1.1.2.2土的含水量土的含水量W是土中所含的水与土的固体颗粒间的质量比,以百分数表示:(1.1)式中G1——含水状态时土的质量;G2——土烘干后的质量。土的含水量影响土方施工方法的选择、边坡的稳定和回填土的质量,如土的含水量超过25%~30%,则机械化施工就困难,容易打滑、陷车;回填土则需有最佳的含水量,方能夯密压实,获得最大干密度(表1.2)。1.1.2.3土的渗透性土的渗透性是指水在土体中渗流的性能,一般以渗透系数K表示。从达西公式V=KI可以看出渗透系数的物理意义:当水力坡度I等于1时的渗透速度v即为渗透系数K。渗透系数K值将直接影响降水方案的选择和涌水量计算的准确性,一般应通过扬水试验确定,表1.3所列数据仅供参考。1.1.2.4土的可松性土具有可松性,即自然状态下的土,经过开挖后,其体积因松散而增加,以后虽经回填压实,仍不能恢复其原来的体积。土的可松性程度用可松性系数表示,即最初可松性系数(1.2)最后可松性系数(1.3)土的可松性对土方量的平衡调配,确定运土机具的数量及弃土坑的容积,以及计算填方所需的挖方体积等均有很大的影响。土的可松性与土质有关,根据土的工程分类(表1.1),其相应的可松性系数可参考表1.4。1.1.3土方边坡合理地选择基坑、沟槽、路基、堤坝的断面和留设土方边坡,是减少土方量的有效措施。边坡的表示方法如图1.1所示,为1:m,即:(1.4)式中m=b/h,称坡度系数。其意义为:当边坡高度已知为h时,其边坡宽度b则等于mh。边坡坡度应根据不同的挖填高度、土的性质及工程的特点而定,既要保证土体稳定和施工安全,又要节省土方。在山坡整体稳定情况下,如地质条件良好,土质较均匀,使用时间在一年以上,高度在10m以内的临时性挖方边坡应按表1.5规定;挖方中有不同的土层,或深度超过10m时,其边坡可作成折线形(图1.1(b)、(c))或台阶形,以减少土方量。当地质条件良好,土质均匀且地下水位低于基坑、沟槽底面标高时,挖方深度在5m以内,不加支撑的边坡留设应符合表1.6的规定。对于使用时间在一年以上的临时行填方边坡坡度,则为:当填方高度在10m以内,可采用1:1.5;高度超过10m,可作成折线形,上部采用1:1.5,下部采用1:1.75。至于永久性挖方或填方边坡,则均应按设计要求施工。1.1.4土方量计算的基本方法土方量计算的基本方法主要有平均高度法和平均断面法两种。1.1.4.1平均高度法•四方棱柱体法四方棱柱体法,是将施工区域划分为...

1、当您付费下载文档后,您只拥有了使用权限,并不意味着购买了版权,文档只能用于自身使用,不得用于其他商业用途(如 [转卖]进行直接盈利或[编辑后售卖]进行间接盈利)。
2、本站所有内容均由合作方或网友上传,本站不对文档的完整性、权威性及其观点立场正确性做任何保证或承诺!文档内容仅供研究参考,付费前请自行鉴别。
3、如文档内容存在违规,或者侵犯商业秘密、侵犯著作权等,请点击“违规举报”。

碎片内容

土方工程的内容及施工要求

确认删除?
VIP
微信客服
  • 扫码咨询
会员Q群
  • 会员专属群点击这里加入QQ群
客服邮箱
回到顶部