电脑桌面
添加小米粒文库到电脑桌面
安装后可以在桌面快捷访问

土方护坡施工方案VIP免费

土方护坡施工方案_第1页
1/59
土方护坡施工方案_第2页
2/59
土方护坡施工方案_第3页
3/59
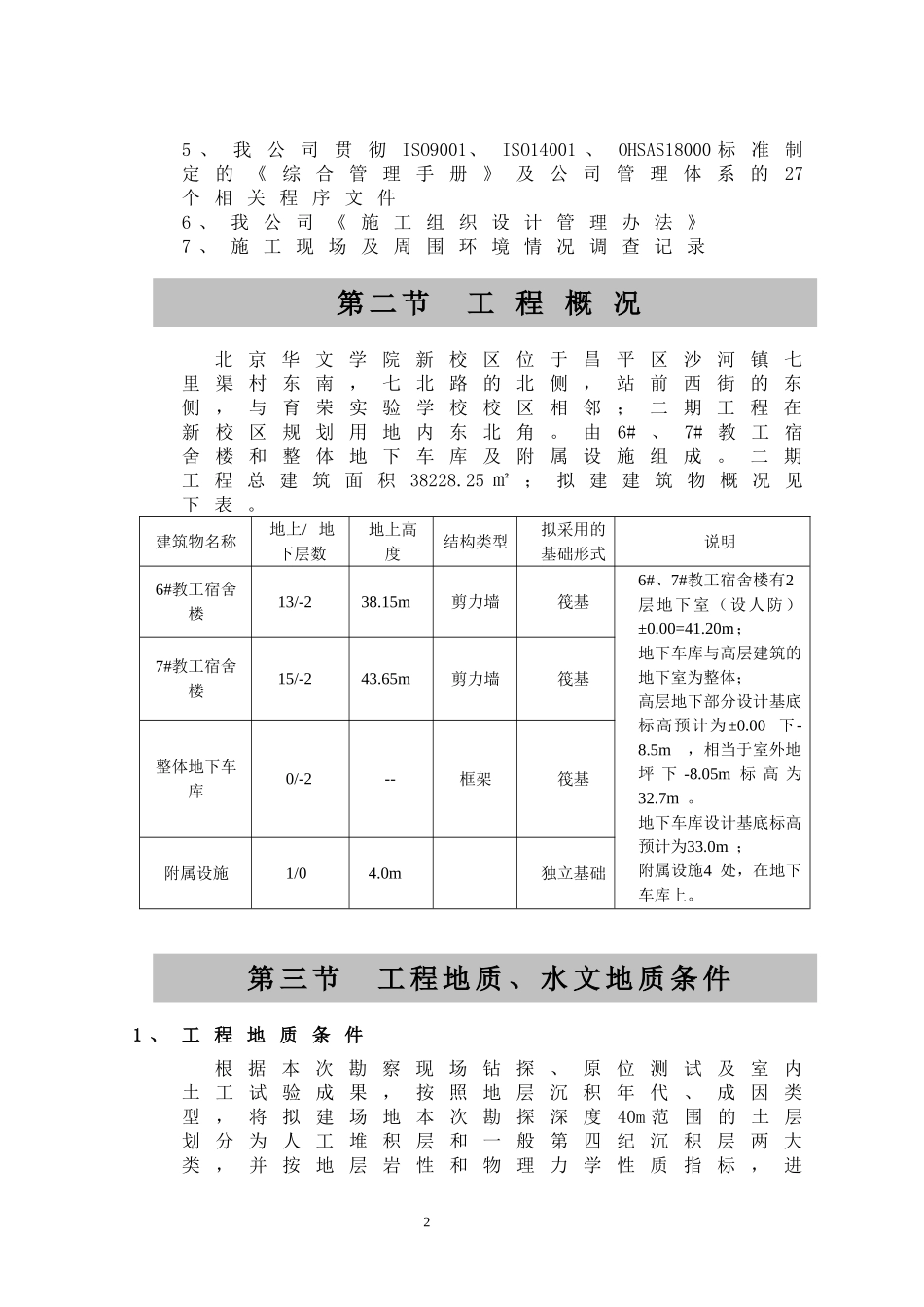
第一章前言第一节编制依据1、本工程相关设计图纸;2、本工程岩土工程勘察报告;3、国家及行业颁布的规范、规程:1)工程测量规范(GBJ50026-2007)2)岩土工程勘察规范(GB50021-2001)3)建筑地基基础工程施工质量验收规范(GB50202-2002)4)混凝土结构工程施工质量验收规范(GB50204-2002)5)建设工程施工现场供用电安全规范(GB50194-93)6)建筑基坑支护技术规程(JGJ120-2012)7)基坑土钉支护技术规程(CECS96:97)8)建筑地基基础设计规范(GB50007-2002)9)钢筋焊接及验收规程(JGJ18-2003)10)建筑基坑工程监测技术规范(GB50497-2009)11)建筑机械使用安全技术规程(JGJ33-2001)12)建筑施工高处作业安全技术规程(JGJ80-91)13)施工现场临时用电安全技术规程(JGJ46-2005)14)钢筋焊接及验收规程(JGJ18-2003)4、国家和行业颁布的检验评定标准:1)建筑工程施工质量验收统一标准(GB50300-2003)2)建筑施工安全检查标准(JGJ59-99)15、我公司贯彻ISO9001、ISO14001、OHSAS18000标准制定的《综合管理手册》及公司管理体系的27个相关程序文件6、我公司《施工组织设计管理办法》7、施工现场及周围环境情况调查记录第二节工程概况北京华文学院新校区位于昌平区沙河镇七里渠村东南,七北路的北侧,站前西街的东侧,与育荣实验学校校区相邻;二期工程在新校区规划用地内东北角。由6#、7#教工宿舍楼和整体地下车库及附属设施组成。二期工程总建筑面积38228.25㎡;拟建建筑物概况见下表。建筑物名称地上/地下层数地上高度结构类型拟采用的基础形式说明6#教工宿舍楼13/-238.15m剪力墙筏基6#、7#教工宿舍楼有2层地下室(设人防)±0.00=41.20m;地下车库与高层建筑的地下室为整体;高层地下部分设计基底标高预计为±0.00下-8.5m,相当于室外地坪下-8.05m标高为32.7m。地下车库设计基底标高预计为33.0m;附属设施4处,在地下车库上。7#教工宿舍楼15/-243.65m剪力墙筏基整体地下车库0/-2--框架筏基附属设施1/04.0m独立基础第三节工程地质、水文地质条件1、工程地质条件根据本次勘察现场钻探、原位测试及室内土工试验成果,按照地层沉积年代、成因类型,将拟建场地本次勘探深度40m范围的土层划分为人工堆积层和一般第四纪沉积层两大类,并按地层岩性和物理力学性质指标,进2一步划分为9个大层,现按照自上而下的顺序对各土层的基本特征综述如下:人工堆积层①粉质粘土素填土:暗褐色,稍湿,松散~稍密;含植物根茎。一般第四纪沉积层②粘质粉土:黄褐色,稍湿,中密,含云母碎屑及氧化铁斑点,局部夹薄层粉质粘土、重粉质粘土。②1粘质粉土:褐黄色,稍湿,中密,含云母碎屑及氧化铁斑点。层内夹粉质粘土薄层。②2砂质粉土:褐黄色,稍湿,密实;含云母碎屑。该层呈薄层透镜体分布。③粉质粘土:灰色,可塑;含云母碎屑。层内局部夹重粉质粘土薄层。③1粘质粉土:灰色,湿,密实;含云母碎屑。该层呈薄层透镜体分布。④细砂:褐灰色,饱和,中密~密实,主要为石英质、长石颗粒。④1粉质粘土:灰色,可塑;含云母碎屑。场地局部呈薄层分布。⑤粉质粘土:灰色,可塑~硬塑,含云母碎屑。⑤1粘质粉土:灰色,湿,密实,含云母碎屑。夹薄层粉质粘土、粘土。⑥重粉质粘土:灰褐色,可塑~硬塑,含云母碎屑。夹薄层粉质粘土、粘土。⑥1细砂:灰色,饱和,密实,石英质、长石颗粒,含云母碎屑。⑦粘土:褐色,可塑~硬塑。夹薄层重粉质粘土。⑧粉质粘土:褐色,可塑~硬塑。夹薄层重粉质粘土、粘质粉土。⑧1细砂:灰色,饱和,密实,石英质、长石颗粒,含云母碎屑。⑨粘土:褐色,可塑~硬塑。夹薄层重粉质粘土。⑨1细砂:灰色,饱和,密实,石英质、长石颗粒,含云母碎屑。2、水文地质条件场地地下水类型为赋存于第四纪地层中的孔隙潜水。地下水位主要受大气降水补给。丰3水期为每年6~9月份,水位变化幅度一般1~2m左右。勘察期间实测地下水位:因勘察期间遇雨季,场地部分地段地面有积水,影响量测的水位变化;实际量测一般稳定水位埋深4.00~5.50m,水位标高34.30~35.41m;部分地段受地表积水影响,量测的水位埋深0.50~3.50m,水位标高35.90~38.95m。第二章工程管理目标1、质量目标土方工程...

1、当您付费下载文档后,您只拥有了使用权限,并不意味着购买了版权,文档只能用于自身使用,不得用于其他商业用途(如 [转卖]进行直接盈利或[编辑后售卖]进行间接盈利)。
2、本站所有内容均由合作方或网友上传,本站不对文档的完整性、权威性及其观点立场正确性做任何保证或承诺!文档内容仅供研究参考,付费前请自行鉴别。
3、如文档内容存在违规,或者侵犯商业秘密、侵犯著作权等,请点击“违规举报”。

碎片内容

土方护坡施工方案

确认删除?
VIP
微信客服
  • 扫码咨询
会员Q群
  • 会员专属群点击这里加入QQ群
客服邮箱
回到顶部