电脑桌面
添加小米粒文库到电脑桌面
安装后可以在桌面快捷访问

土方回填质量评定表VIP免费

土方回填质量评定表_第1页
1/6
土方回填质量评定表_第2页
2/6
土方回填质量评定表_第3页
3/6
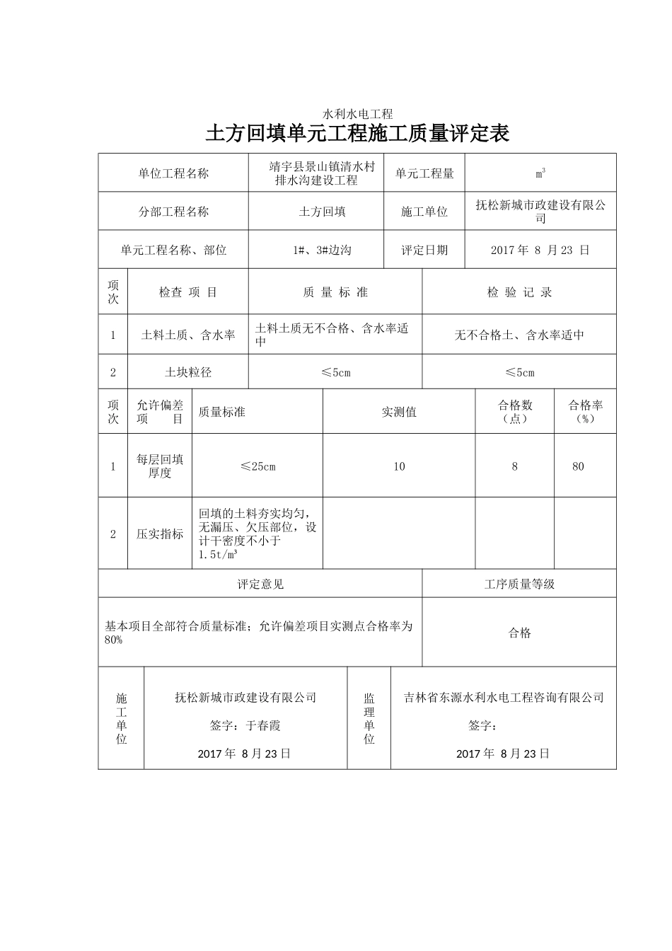
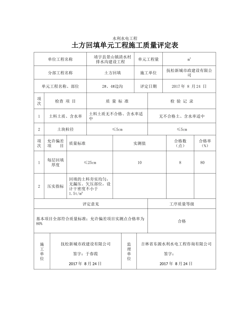
水利水电工程土方回填单元工程施工质量评定表单位工程名称靖宇县景山镇清水村排水沟建设工程单元工程量m3分部工程名称土方回填施工单位抚松新城市政建设有限公司单元工程名称、部位1#、3#边沟评定日期2017年8月23日项次检查项目质量标准检验记录1土料土质、含水率土料土质无不合格、含水率适中无不合格土、含水率适中2土块粒径≤5cm≤5cm项次允许偏差项目质量标准实测值合格数(点)合格率(%)1每层回填厚度≤25cm108802压实指标回填的土料夯实均匀,无漏压、欠压部位,设计干密度不小于1.5t/m³评定意见工序质量等级基本项目全部符合质量标准;允许偏差项目实测点合格率为80%合格施工单位抚松新城市政建设有限公司签字:于春霞2017年8月23日监理单位吉林省东源水利水电工程咨询有限公司签字:2017年8月23日水利水电工程土方回填单元工程施工质量评定表单位工程名称靖宇县景山镇清水村排水沟建设工程单元工程量m3分部工程名称土方回填施工单位抚松新城市政建设有限公司单元工程名称、部位2#、4#边沟评定日期2017年8月24日项次检查项目质量标准检验记录1土料土质、含水率土料土质无不合格、含水率适中无不合格土、含水率适中2土块粒径≤5cm≤5cm项次允许偏差项目质量标准实测值合格数(点)合格率(%)1每层回填厚度≤25cm108802压实指标回填的土料夯实均匀,无漏压、欠压部位,设计干密度不小于1.5t/m³评定意见工序质量等级基本项目全部符合质量标准;允许偏差项目实测点合格率为80%合格施工单位抚松新城市政建设有限公司签字:于春霞2017年8月24日监理单位吉林省东源水利水电工程咨询有限公司签字:2017年8月24日水利水电工程土方回填单元工程施工质量评定表单位工程名称靖宇县景山镇清水村排水沟建设工程单元工程量m3分部工程名称土方回填施工单位抚松新城市政建设有限公司单元工程名称、部位6#边沟评定日期2017年8月25日项次检查项目质量标准检验记录1土料土质、含水率土料土质无不合格、含水率适中无不合格土、含水率适中2土块粒径≤5cm≤5cm项次允许偏差项目质量标准实测值合格数(点)合格率(%)1每层回填厚度≤25cm109902压实指标回填的土料夯实均匀,无漏压、欠压部位,设计干密度不小于1.5t/m³评定意见工序质量等级基本项目全部符合质量标准;允许偏差项目实测点合格率为90%合格施工单位抚松新城市政建设有限公司签字:于春霞2017年8月25日监理单位吉林省东源水利水电工程咨询有限公司签字:2017年8月25日水利水电工程土方回填单元工程施工质量评定表单位工程名称靖宇县景山镇清水村排水沟建设工程单元工程量m3分部工程名称土方回填施工单位抚松新城市政建设有限公司单元工程名称、部位5#边沟评定日期2017年8月26日项次检查项目质量标准检验记录1土料土质、含水率土料土质无不合格、含水率适中无不合格土、含水率适中2土块粒径≤5cm≤5cm项次允许偏差项目质量标准实测值合格数(点)合格率(%)1每层回填厚度≤25cm109902压实指标回填的土料夯实均匀,无漏压、欠压部位,设计干密度不小于1.5t/m³评定意见工序质量等级基本项目全部符合质量标准;允许偏差项目实测点合格率为90%合格施工单位抚松新城市政建设有限公司签字:于春霞2017年8月26日监理单位吉林省东源水利水电工程咨询有限公司签字:2017年8月26日水利水电工程土方回填单元工程施工质量评定表单位工程名称靖宇县景山镇清水村排水沟建设工程单元工程量m3分部工程名称土方回填施工单位抚松新城市政建设有限公司单元工程名称、部位7#、9#边沟评定日期2017年8月27日项次检查项目质量标准检验记录1土料土质、含水率土料土质无不合格、含水率适中无不合格土、含水率适中2土块粒径≤5cm≤5cm项次允许偏差项目质量标准实测值合格数(点)合格率(%)1每层回填厚度≤25cm108802压实指标回填的土料夯实均匀,无漏压、欠压部位,设计干密度不小于1.5t/m³评定意见工序质量等级基本项目全部符合质量标准;允许偏差项目实测点合格率为80%合格施工单位抚松新城市政建设有限公司签字:于春霞2017年8月27日监理单位吉林省东源水利水电工程咨询有限公司签字:2017年8月27日水利水电工程土方回填单元工程施工质量评定表单位工...

1、当您付费下载文档后,您只拥有了使用权限,并不意味着购买了版权,文档只能用于自身使用,不得用于其他商业用途(如 [转卖]进行直接盈利或[编辑后售卖]进行间接盈利)。
2、本站所有内容均由合作方或网友上传,本站不对文档的完整性、权威性及其观点立场正确性做任何保证或承诺!文档内容仅供研究参考,付费前请自行鉴别。
3、如文档内容存在违规,或者侵犯商业秘密、侵犯著作权等,请点击“违规举报”。

碎片内容

土方回填质量评定表

文章天下+ 关注
实名认证
内容提供者

各种文档应有尽有

相关文档

确认删除?
VIP
微信客服
  • 扫码咨询
会员Q群
  • 会员专属群点击这里加入QQ群
客服邮箱
回到顶部